Sunday, January 19th, 2025 AT 2:45 PM
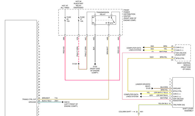
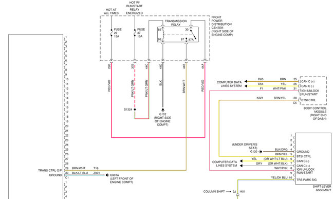
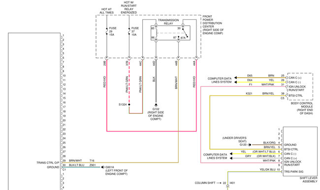
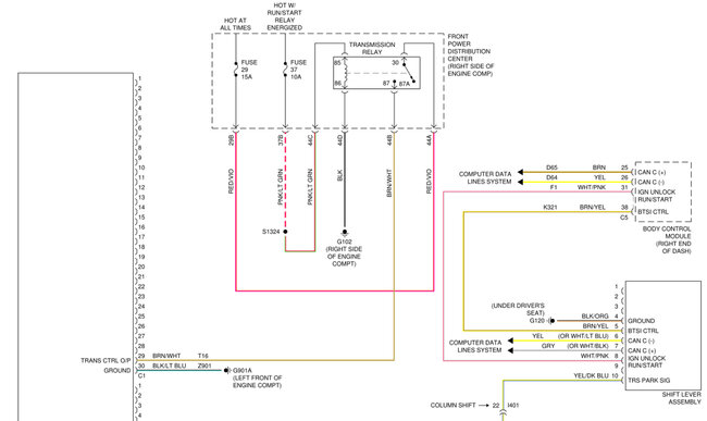
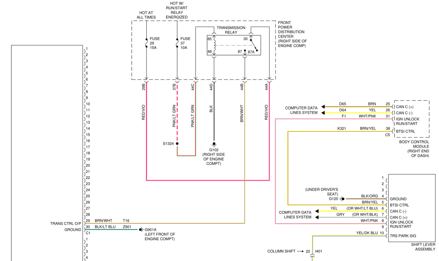
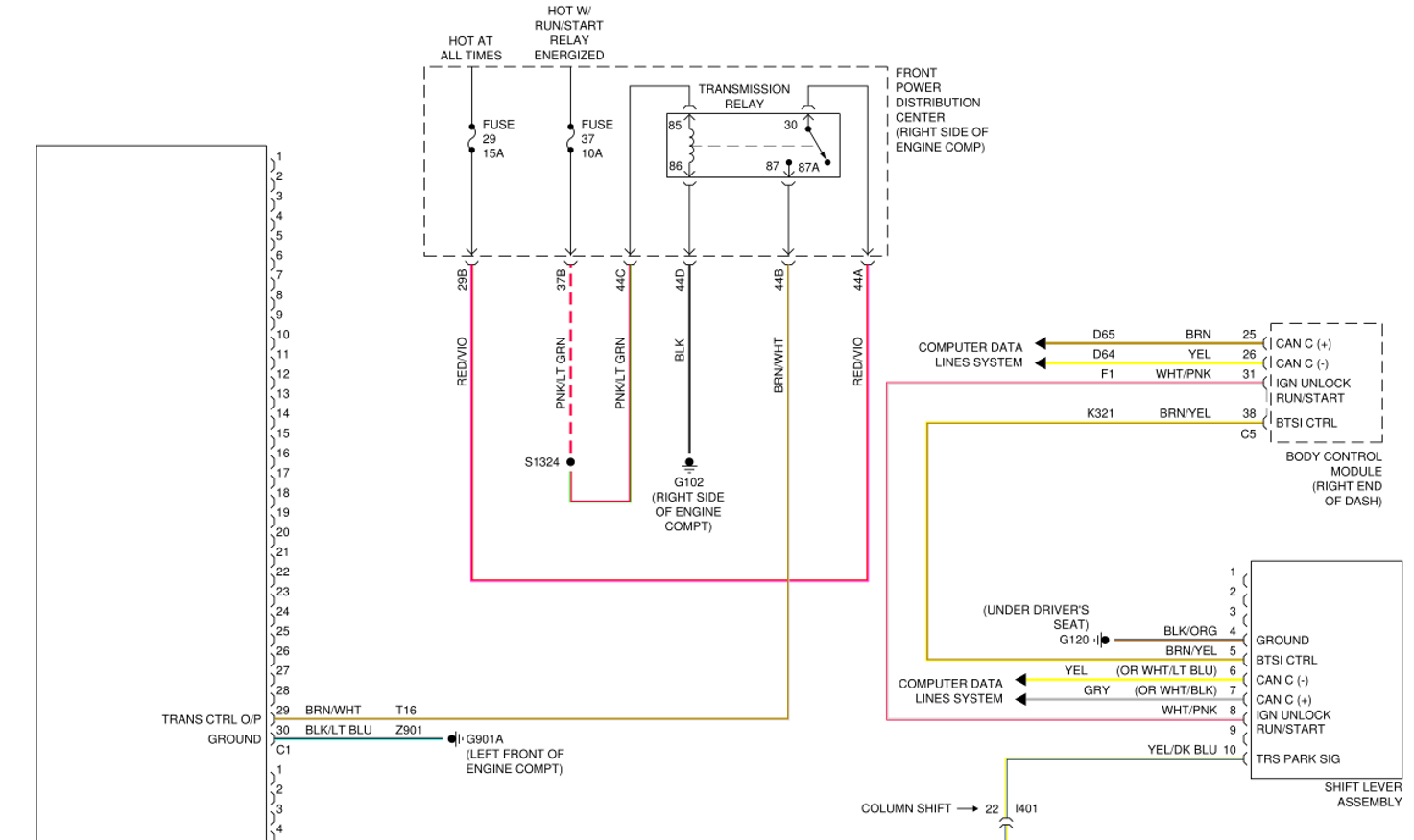
Car won’t start, it says it is not in park when it is. It got super cold out and started acting weird and then just stopped working. Brother-in-law has computer he hooked up and Tom is coming up. The plug was in rough shape, so I ordered a new one. Got it hooked up but now says low power. I think we need a wiring diagram for the TCM module if possible.




