Transmission wiring diagram needed

Tiny
JACEY SHEW
  • MEMBER
  • 1992 MERCURY SABLE
  • 200,000 MILES
I need the wiring schematic for my car listed above.
Friday, January 12th, 2018 AT 12:15 AM

3 Replies

Tiny
PATENTED_REPAIR_PRO
  • MECHANIC
  • 1,853 POSTS
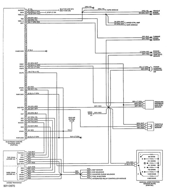
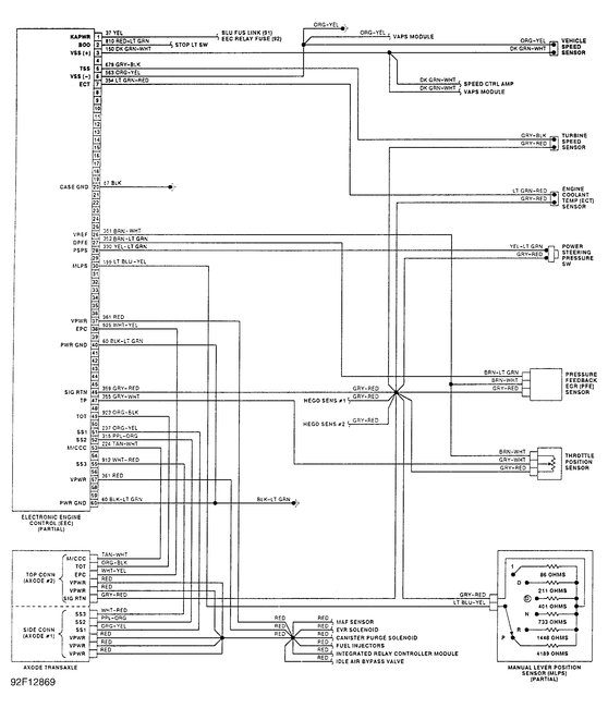
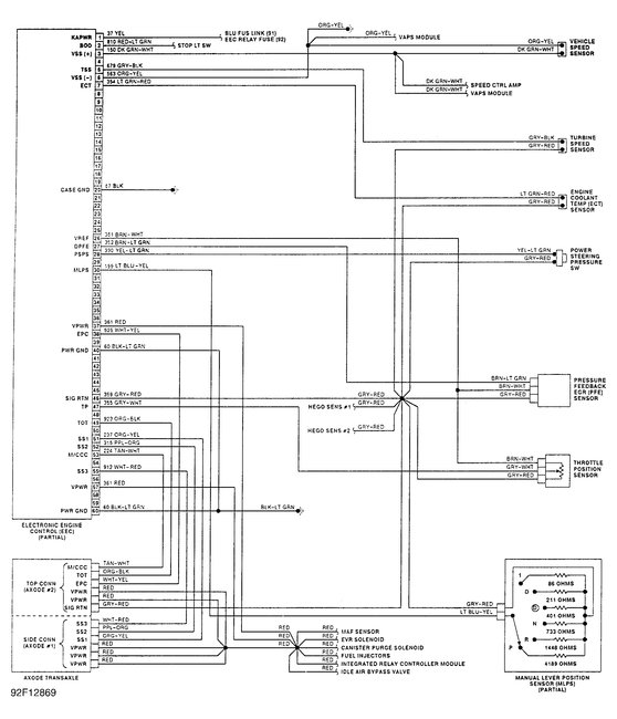
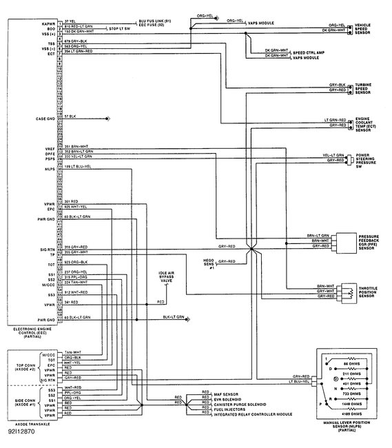
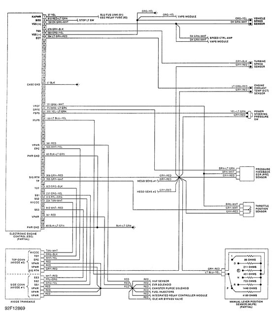
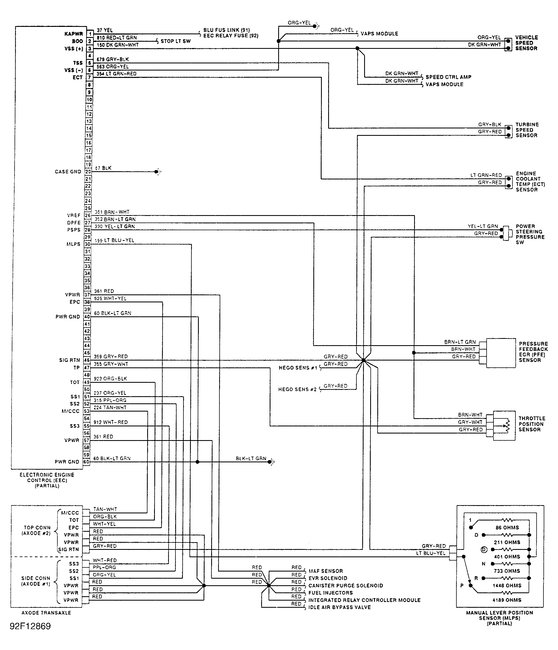
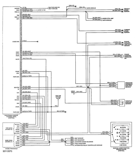
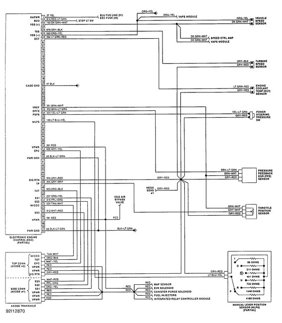
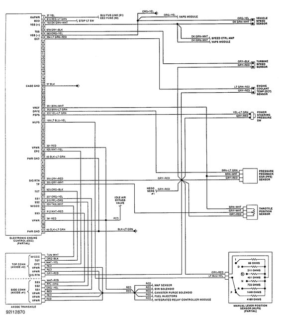
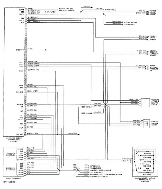
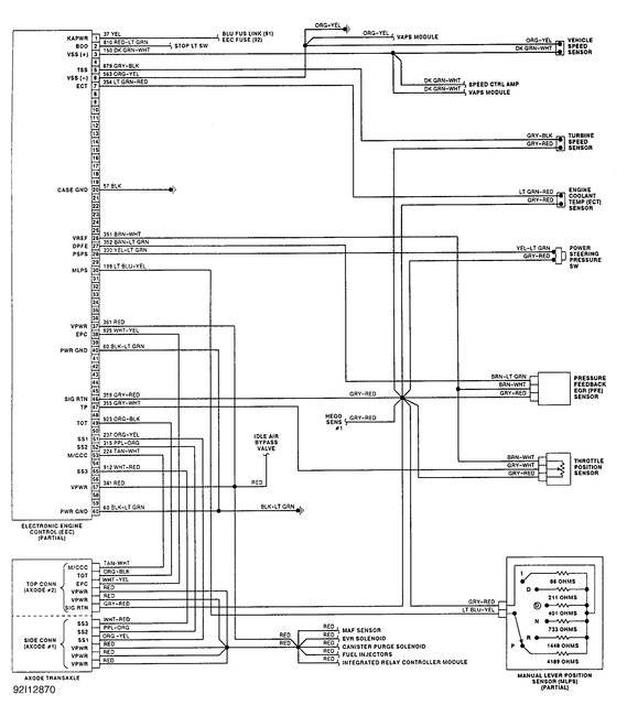
These are the two transmission wiring diagrams. Check out the diagrams (Below). Please let us know if you need anything else to get the problem fixed.
Was this
answer
helpful?
Yes
No
Friday, January 12th, 2018 AT 7:03 AM
Tiny
RGOLDSTEIN333
  • MEMBER
  • 1 POST
  • 1992 MERCURY SABLE
  • 82,000 MILES
Trans shop told me I need a new trans. Of course, so I have driven all year without overdrive. Is there any chance this is something I can attempt to fix myself. I mean can I look for a faulty wire/connection on the outside etc instead of something inside the tranny?
Was this
answer
helpful?
Yes
No
Monday, September 7th, 2020 AT 1:58 PM (Merged)
Tiny
ASEMASTER6371
  • MECHANIC
  • 52,796 POSTS
Believe the trans shop. They are correct. There is nothing external that you can do.
Sorry for the bad news but it is common for fords for this trans to fail.

Roy
Was this
answer
helpful?
Yes
No
Monday, September 7th, 2020 AT 1:58 PM (Merged)

Please login or register to post a reply.