Transmission installation instructions needed

2007 DODGE CHARGER
136,000 MILES • 2.7L • V6 • 2WD • AUTOMATIC
Avatar
YOUNGSTA74GD
  • MEMBER
  • 1 POST
Putting a transmission in a 2007 Dodge Charger 2.7L.
Feb 25, 2021 at 2:30 PM
Repair Safety Notice: This information is for general instructional purposes only. Vehicle repair can be dangerous. Verify all information, follow manufacturer service procedures, use proper tools and safety equipment, and consult a qualified repair shop when needed.
Advertisement
Avatar
ASEMASTER6371
  • CAR REPAIR CONTRIBUTOR
  • 52,796 POSTS
Good evening,

I attached the procedure for you below.

https://www.2carpros.com/articles/transmission-replacement-removal-manual

Roy

REMOVAL


imageOpen In New TabZoom/Print

1. Disconnect the negative battery cable.
2. Raise and support the vehicle.
3. Mark propeller shaft (1) and the transmission flange (4) for assembly alignment.
4. Remove the bolts (2) holding the rear propeller shaft coupler (3) to the transmission flange (4).
5. Slide the propeller shaft (1) rearward until the coupler clears the propeller shaft pilot (5) on the transmission output shaft.


imageOpen In New TabZoom/Print

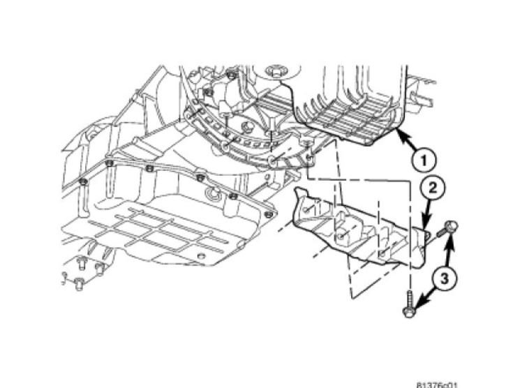
6. Remove the bolts (2) holding the starter motor (1) to the transmission.
7. Remove the starter (1) from the transmission starter pocket and safely relocate.


imageOpen In New TabZoom/Print

8. Remove the bolt (2) holding the torque converter access cover (1) to the transmission, 3.5L engines.
9. Remove the torque converter access cover (1) from the transmission.


imageOpen In New TabZoom/Print

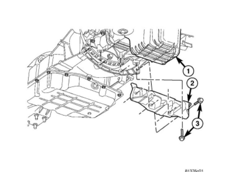
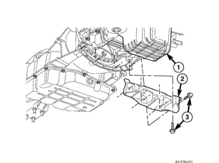
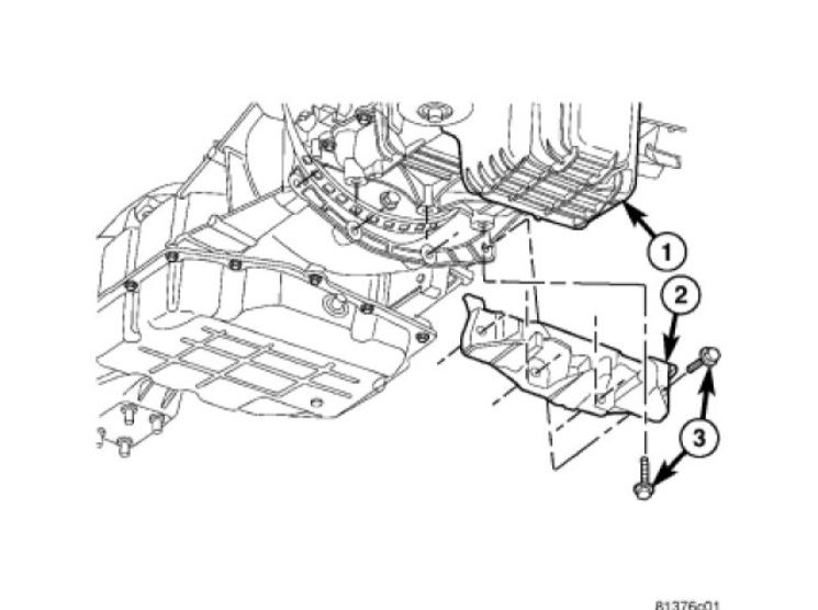
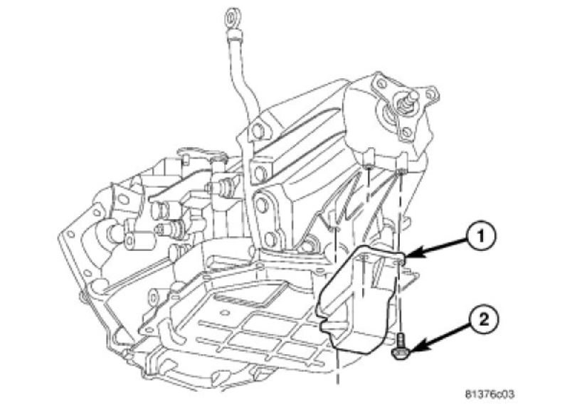
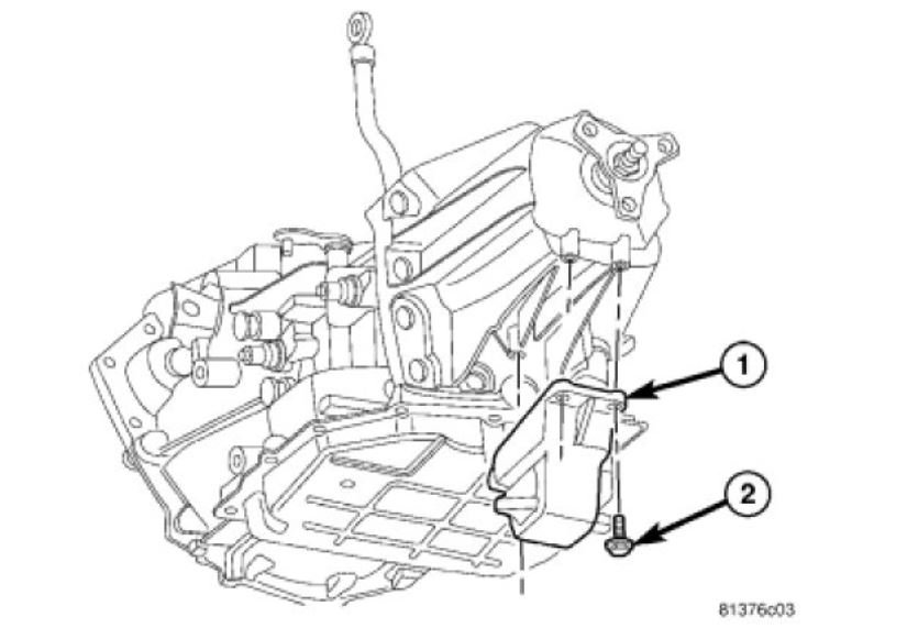
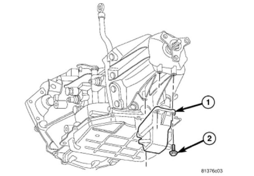
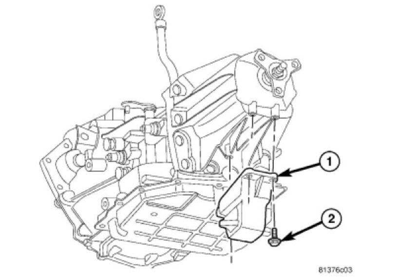
10. Remove the structural collar bolts (3, 4) and structural collar (2) on vehicles equipped with 2.7L engines.


imageOpen In New TabZoom/Print

11. Rotate crankshaft in clockwise direction until converter bolts (1) are accessible. Then remove bolts (1) one at a time. Rotate crankshaft with socket wrench on dampener bolt.


imageOpen In New TabZoom/Print

12. Disconnect the gearshift cable (1) from the transmission manual valve lever (3).
13. Loosen the bolts holding the shift cable retaining strap (2) to the transmission.
14. Remove the shift cable (1) from the transmission.


imageOpen In New TabZoom/Print

15. Disconnect wires from the input (1) and output (2) speed sensors.
16. Disconnect wires from the transmission range sensor (3).


imageOpen In New TabZoom/Print

17. Disconnect wires from the solenoid/pressure switch assembly (1).


imageOpen In New TabZoom/Print

18. Remove the crankshaft position sensor.


imageOpen In New TabZoom/Print

19. Remove the bolt (3) holding the transmission fill tube (2) to the transmission (1).
20. Remove the transmission fill tube (2).


imageOpen In New TabZoom/Print

21. Disconnect transmission fluid cooler lines (1) at transmission fittings (2) and clips (3).
22. Disconnect the transmission vent hose from the transmission.


imageOpen In New TabZoom/Print

23. Support rear of engine with safety stand or jack.
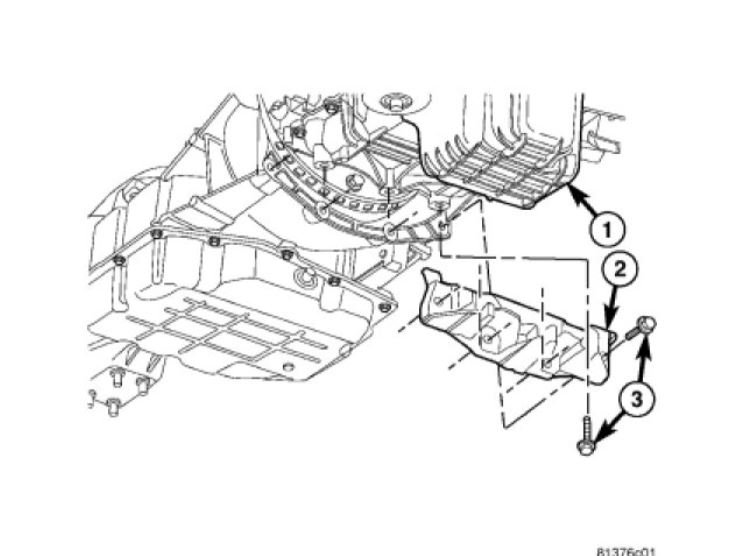
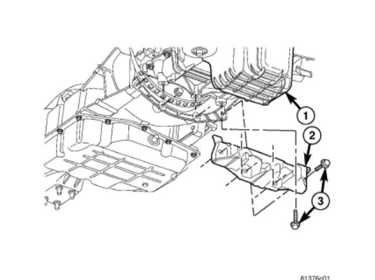
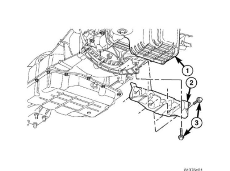
24. Raise transmission slightly with service jack to relieve load on crossmember and supports.
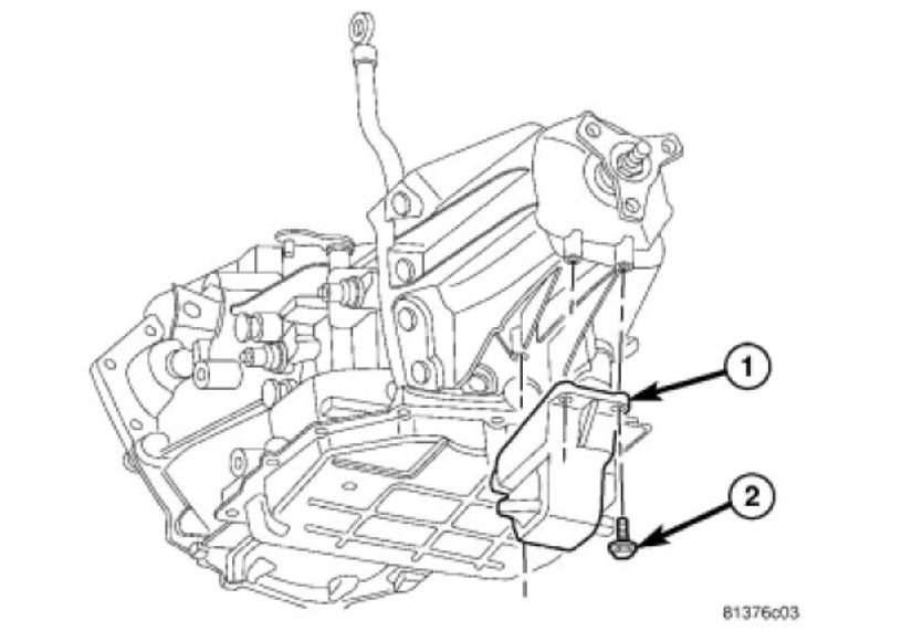
25. Remove bolts (2) securing rear support and cushion (3) to transmission crossmember (1).
26. Remove bolts attaching crossmember (1) to frame and remove crossmember.


imageOpen In New TabZoom/Print

27. Remove the bolts (1) holding the engine oil pan (2) to the transmission (3).


imageOpen In New TabZoom/Print

28. Remove all remaining bolts (2) holding the engine (1) to the transmission (3).
29. Carefully work transmission and torque converter assembly rearward off engine block dowels.
30. Hold torque converter in place during transmission removal.
31. Lower transmission and remove assembly from under the vehicle.
32. To remove torque converter, carefully slide torque converter out of the transmission.
Feb 25, 2021 at 3:28 PM
Advertisement