Wednesday, August 6th, 2025 AT 6:13 AM
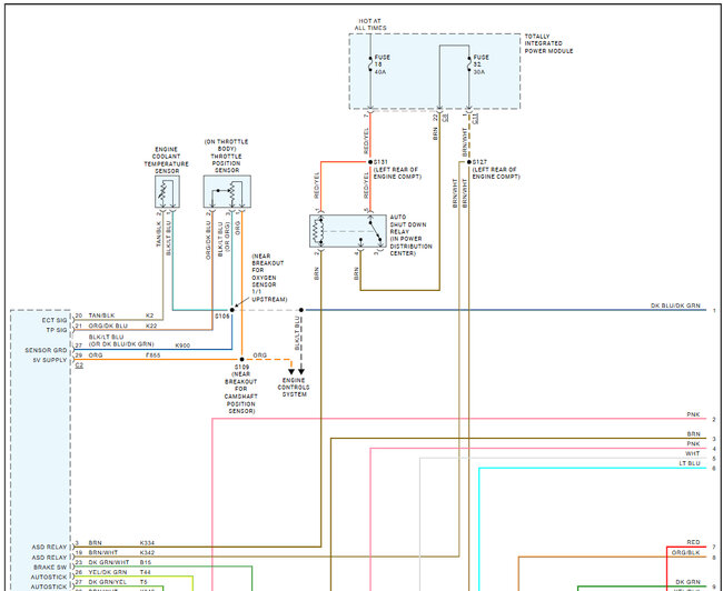
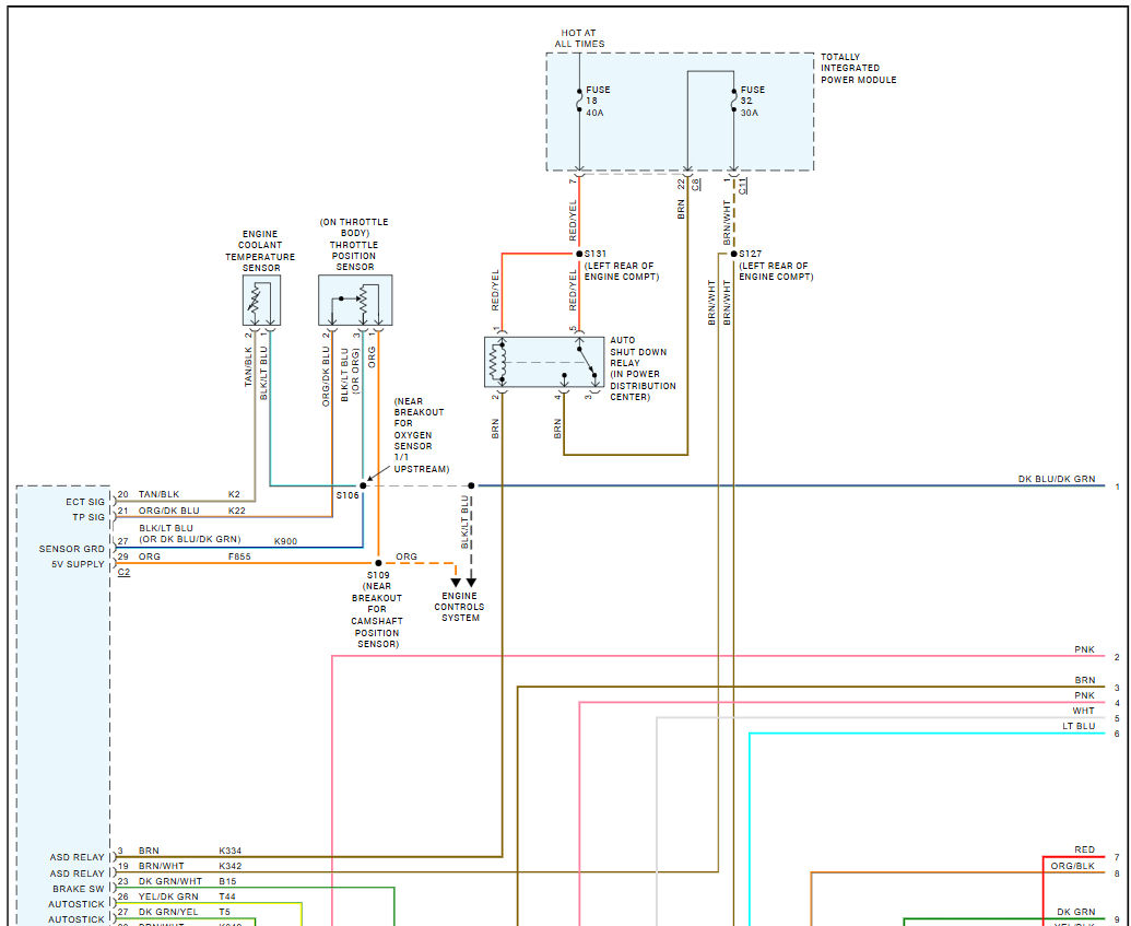
Okay, the error I'm getting is the transmission line high pressure for a long time. I think is what it said. Now my transmission is in limp mode. I was told it was the computer so I got a new one that worked for about 3 weeks and then while driving the temp gauge shot all the way to the red and so I shut it off for a while and it put it into limp mode. Before I shut the car off I got out and was able to open the radiator cap and it wasn't even hot at all. I was able to reset the computer with the scanner I have and the car drove for about a week and now I can't get it out of limp mode. I need help badly. Also, I should also put that my transmission is out of a 2005 pt I don't know if that's my problem. The transmission I had in it before had a extra plug that went to a sensor but the new one doesn't have the sensor can anybody tell me what the extra one on the 2008 is and if it will cause my car to be put I to limp mode any help would be great. Thank you and have a good day.











