Service transmission light on

Tiny
MELISSA SHANKLES
  • MEMBER
  • 2014 JEEP CHEROKEE
  • 2.4L
  • 4 CYL
  • 2WD
  • 160,000 MILES
Loud pop sound then service transmission light came on.
Wednesday, October 2nd, 2019 AT 7:44 AM

5 Replies

Tiny
KASEKENNY
  • MECHANIC
  • 18,907 POSTS
Hi,

You have a 9 speed transmission which has an issue with one of the snap rings in the transmission. When this snap ring fails, it could cause this issue. Clearly all we have to go off of is a noise and the light is on. However, I tell you this because I think what we need to do is take it to a dealer. The main reason is, there are not many components that can be replaced. Meaning inside the transmission you can replace the valve body and that is about it other than the transmission. Jeep never released parts to rebuild this unit so more than likely you will need to have the transmission replaced. Depending on the codes, it may just need a valve-body. The dealer is very familiar with this condition so they are the best equipped to properly diagnose it.

If you want to stop by a parts store and get me the codes that are in the TCM then I can possibly forecast what the issue may be. Let me know the codes and we can go from there. Thanks
Was this
answer
helpful?
Yes
No
Wednesday, October 2nd, 2019 AT 4:47 PM
Tiny
MELISSA SHANKLES
  • MEMBER
  • 3 POSTS
I can't get the codes because where you hook it up that plug has quit working.
Was this
answer
helpful?
Yes
No
Wednesday, October 2nd, 2019 AT 5:29 PM
Tiny
KASEKENNY
  • MECHANIC
  • 18,907 POSTS
Okay. Can you give me a little more detail on what happens when you hook up a scan tool or what that means that it has stopped working? Did that happen at the same time this transmission issue happened or has the DLC not been working for a while?

Clearly that is pretty concerning because with out that we are purely guessing. This vehicle has an electrical system called a CAN bus network. Meaning all the modules on the vehicle communicate with each other over this network. The DLC (where you plug in the tool) is connected to that and communicates with all the modules via this network. If that is not working then we most likely have a greater electrical issue.

Just let me know so I can be on the same page as you and we can go from there. Thanks
Was this
answer
helpful?
Yes
No
Wednesday, October 2nd, 2019 AT 6:09 PM
Tiny
MELISSA SHANKLES
  • MEMBER
  • 3 POSTS
The DLC use to work but then it stopped and started again that was over 6 months ago. I had forgotten about it until now. But anyway, when you hook the machine up there is no power on the machine it does nothing and just to make sure I have been 3 parts stores.
Was this
answer
helpful?
Yes
No
Thursday, October 3rd, 2019 AT 6:35 AM
Tiny
KASEKENNY
  • MECHANIC
  • 18,907 POSTS
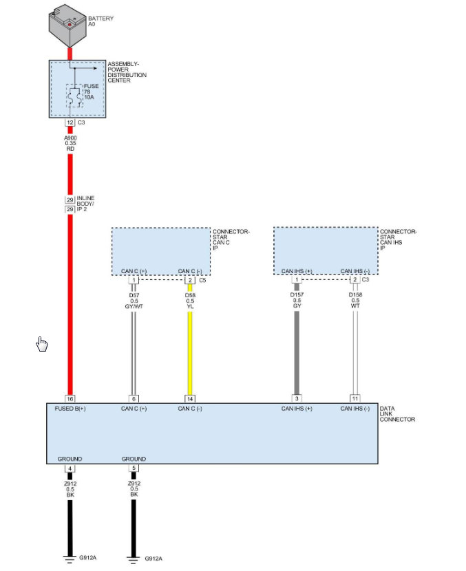
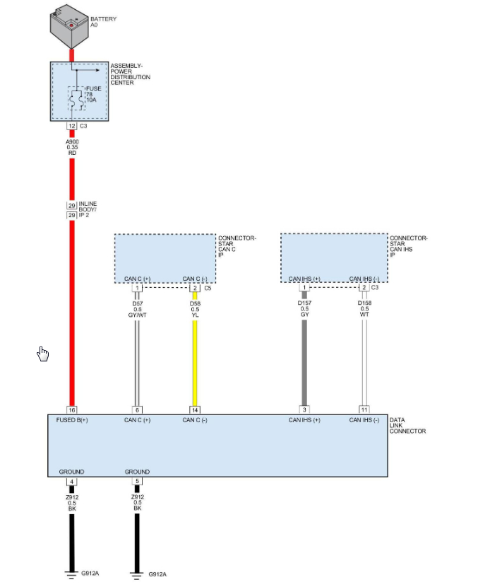
Okay. We need to start there. Here is the wiring diagram for the DLC. If we can't read codes or communicate with the modules then we will not know what to fix. You will see the red wire for the DLC is where you need 12 volts all the time. This is pin 16. See if you have 12 volts and then check the two grounds and make sure you have that. This is what powers up the scan tool and allows it to communicate. If you don't have this then we need to trace that wire back to the PDC or just run a new one so we know we have 12 volts.
Was this
answer
helpful?
Yes
No
Thursday, October 3rd, 2019 AT 8:01 PM

Please login or register to post a reply.