Trailer taillights not working?

Tiny
RICH SCOTT
  • MEMBER
  • 2015 JEEP CHEROKEE
  • 3.2L
  • 6 CYL
  • 4WD
  • AUTOMATIC
  • 50,000 MILES
The left rear taillight has power but when I put the bulb in it turns off?
Saturday, April 29th, 2023 AT 6:51 AM

1 Reply

Tiny
KEN L
  • MASTER CERTIFIED MECHANIC
  • 55,488 POSTS
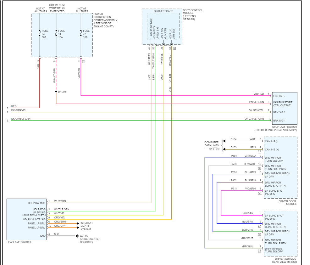
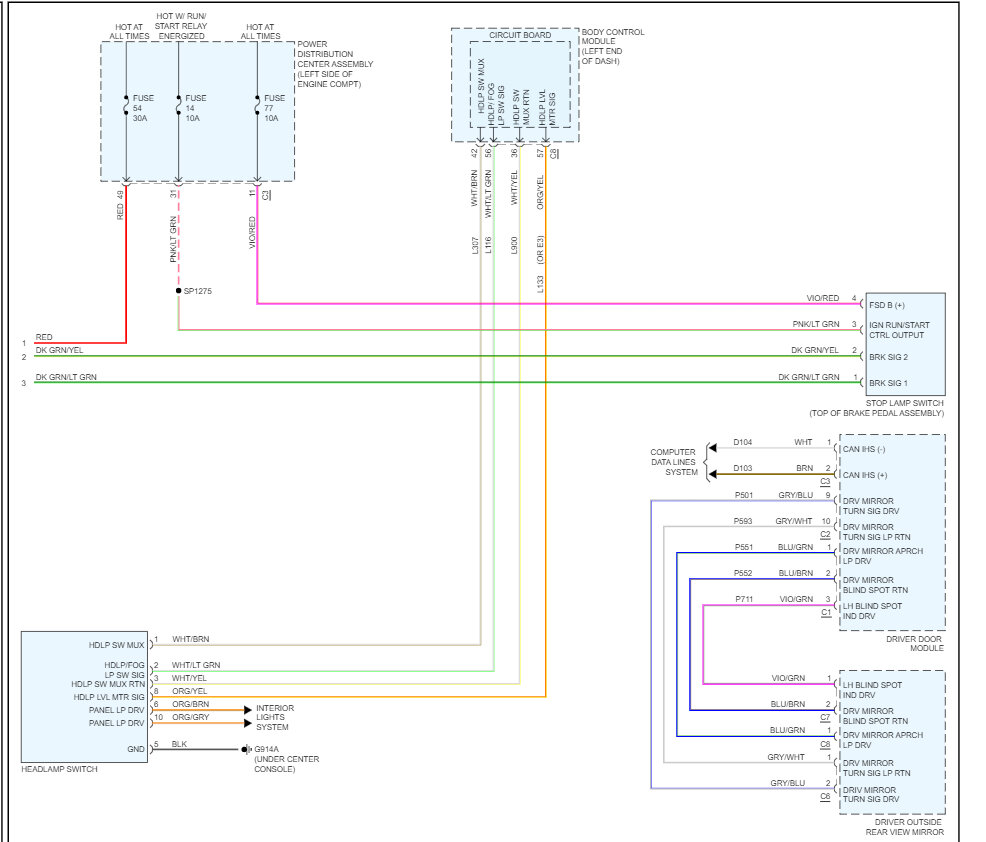
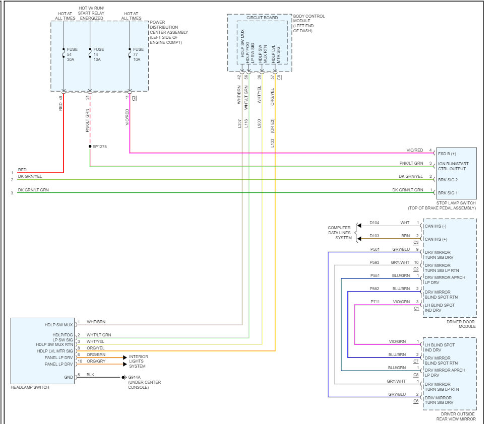
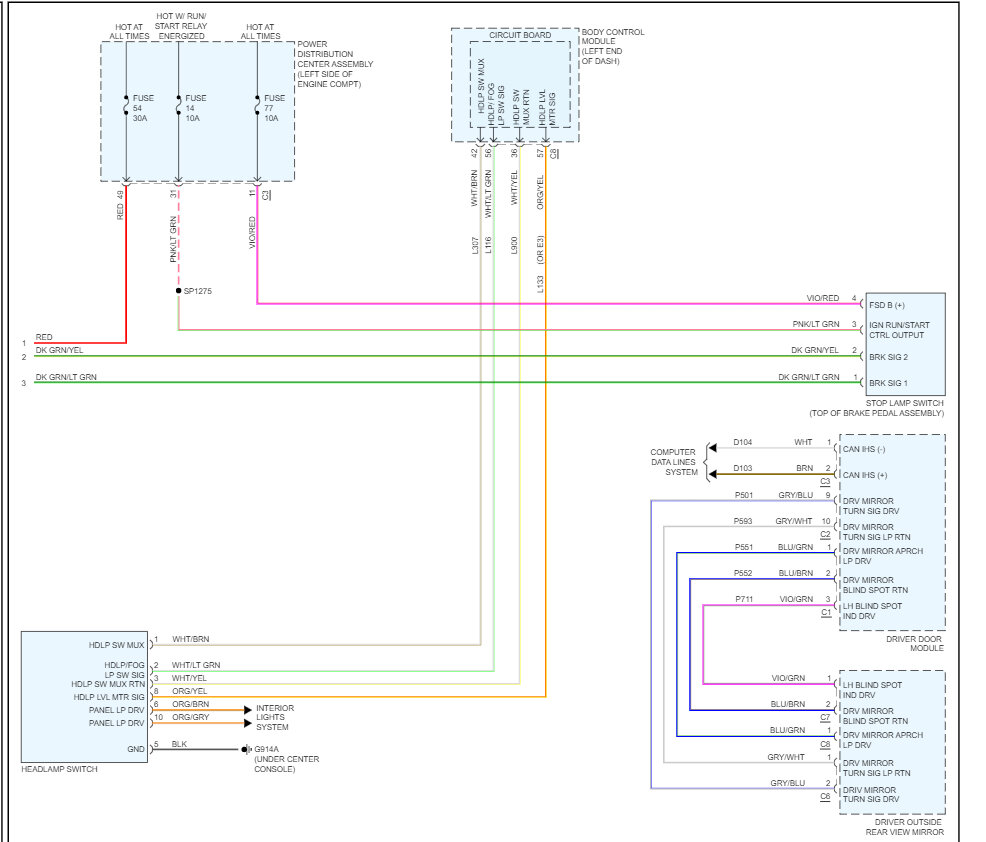
It sounds like the BCM is going out here are the taillight wiring diagrams so you can see how the system works and I have included how to change out the BCM in the images below. You can get a preprogrammed unit by searching Google or Ebay. Check out the images (below). Let us know what happens and please upload pictures or videos of the problem so we can see what's going on.
Was this
answer
helpful?
Yes
No
Saturday, April 29th, 2023 AT 1:18 PM

Please login or register to post a reply.