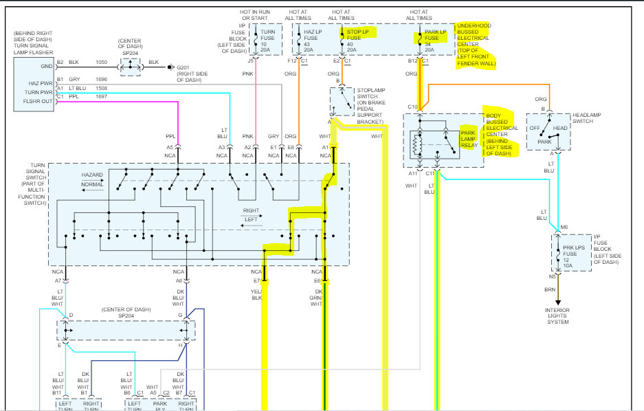
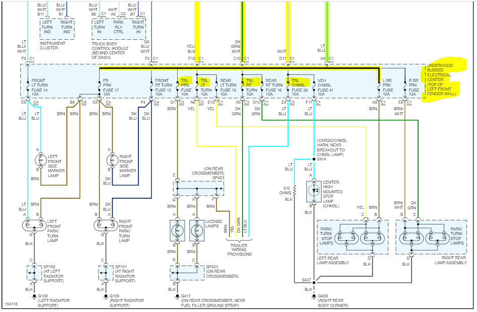
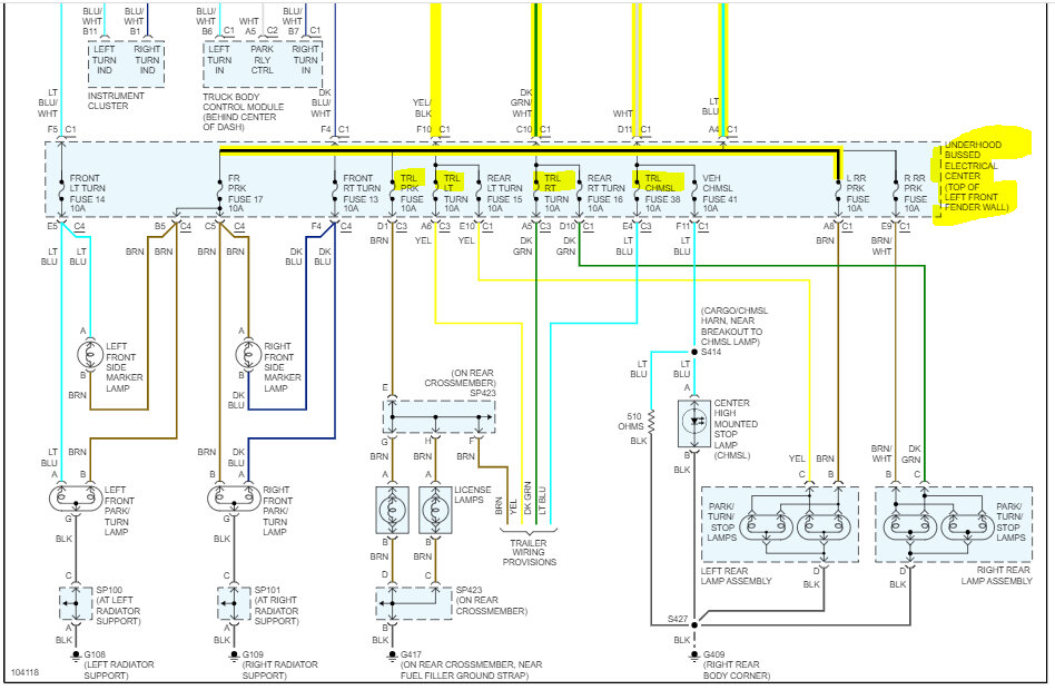
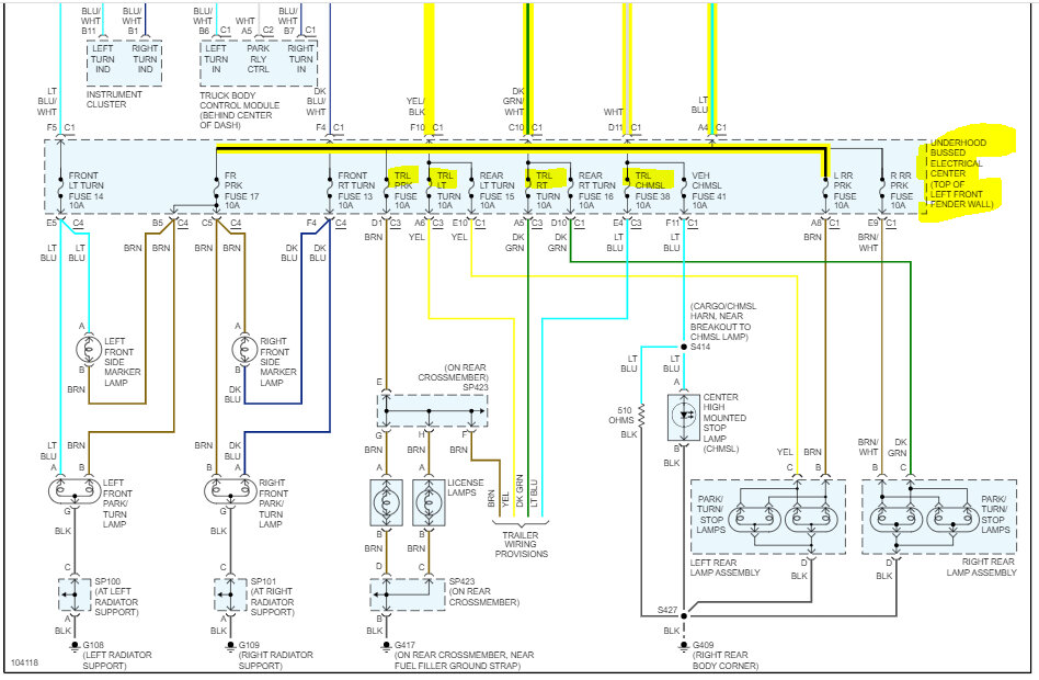
Friday, July 28th, 2023 AT 2:26 PM
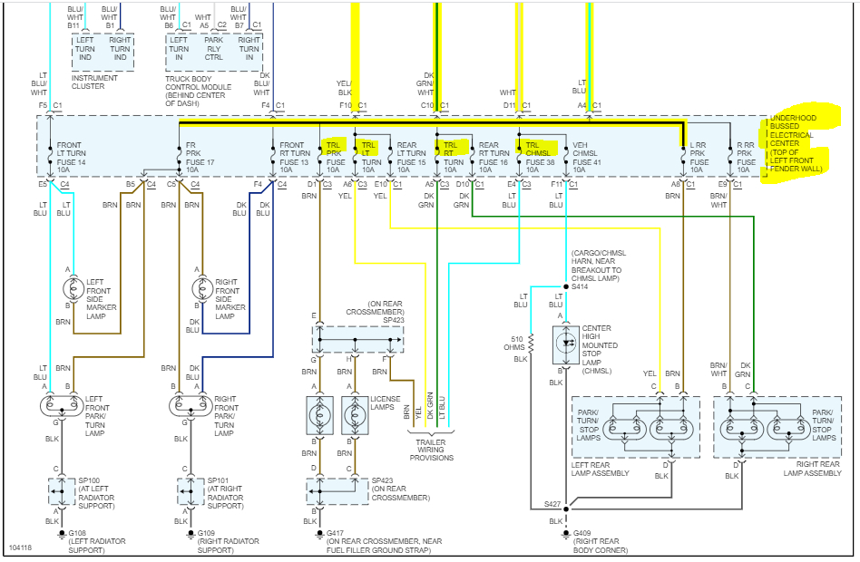
The fuse has a block of 6 fuses all related to the trailer wiring and there is no power to any of them. I was starting to install a trailer plug and I did have power and then lost all power at the plug and the fuse box. Is there a relay for this?



