Tr3650 transmission rebuild

Tiny
AB AUTOMOTIVEREPAIR TRANSMISSIONS
  • MEMBER
  • 2002 FORD MUSTANG
  • 4.6L
  • V6
  • MANUAL
  • 12,345 MILES
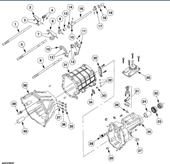
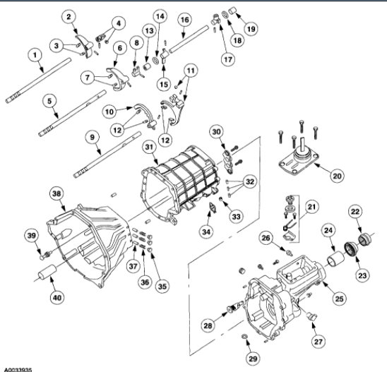
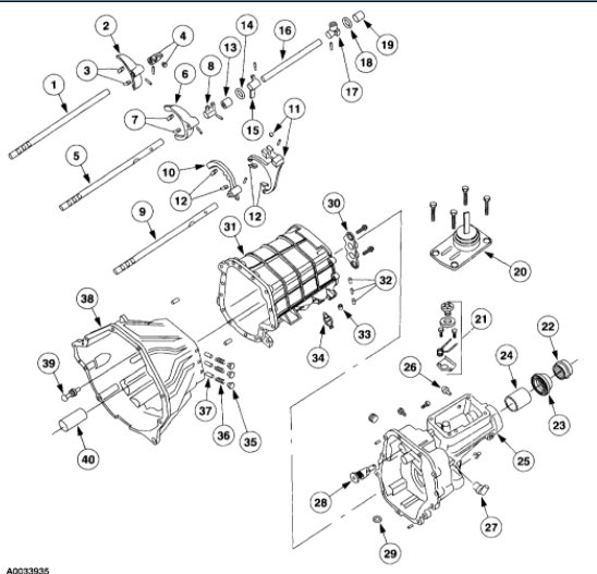
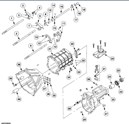
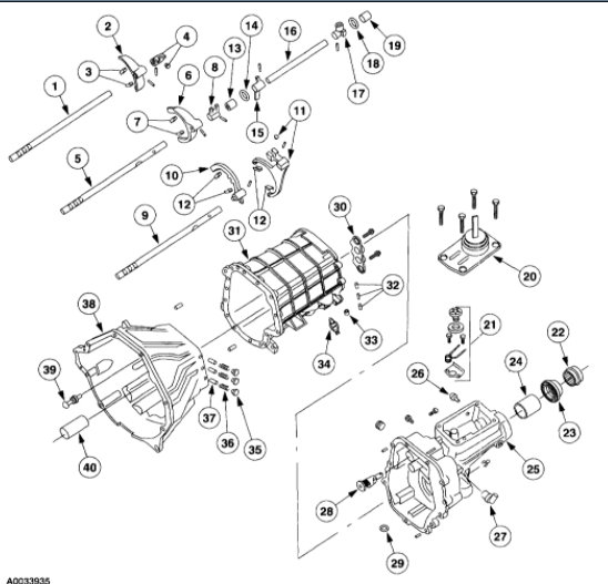
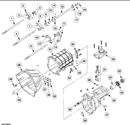
Any chance you guys have an exploded view of the transmission that I can print out and see the numbers? Thanks. Attached is what I'm working with and it's too small.

Thanks in advance
Wednesday, September 16th, 2020 AT 8:16 AM

7 Replies

Tiny
BMDOUBLE
  • MECHANIC
  • 1,139 POSTS
Here you go, let me know if you need the description chart.
Was this
answer
helpful?
Yes
No
+1
Wednesday, September 16th, 2020 AT 12:36 PM
Tiny
AB AUTOMOTIVEREPAIR TRANSMISSIONS
  • MEMBER
  • 107 POSTS
If you don't mind, I'd appreciate the description chart too. Thanks so much.
Was this
answer
helpful?
Yes
No
Wednesday, September 16th, 2020 AT 12:40 PM
Tiny
DANNY L
  • MECHANIC
  • 5,648 POSTS
Hello, I'm Danny.

Here is the information you requested. This is all the info for the TR3650. I've attached all the pictures below and their description below. Hope this helps and thanks again for using 2CarPros.
Was this
answer
helpful?
Yes
No
Thursday, September 17th, 2020 AT 5:21 PM
Tiny
AB AUTOMOTIVEREPAIR TRANSMISSIONS
  • MEMBER
  • 107 POSTS
Those little check balls got us, break her back down to put them in. Thanks so much for your help. You guys are surely the best! Enjoy your weekend.
Was this
answer
helpful?
Yes
No
Friday, September 18th, 2020 AT 10:07 AM
Tiny
DANNY L
  • MECHANIC
  • 5,648 POSTS
You're welcome!
Glad to help and hope you will use our site again in the future when needed. Have a great weekend as well.

Danny-
Was this
answer
helpful?
Yes
No
Friday, September 18th, 2020 AT 2:12 PM
Tiny
AB AUTOMOTIVEREPAIR TRANSMISSIONS
  • MEMBER
  • 107 POSTS
You have a lifetime user here for sure, hope the other boys are well. Have a good one.
Was this
answer
helpful?
Yes
No
Friday, September 18th, 2020 AT 2:31 PM
Tiny
DANNY L
  • MECHANIC
  • 5,648 POSTS
Thanks again.
We're here to help. Take care.

Danny-
Was this
answer
helpful?
Yes
No
+1
Friday, September 18th, 2020 AT 3:03 PM

Please login or register to post a reply.