Monday, May 31st, 2010 AT 10:00 AM
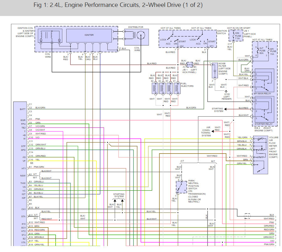
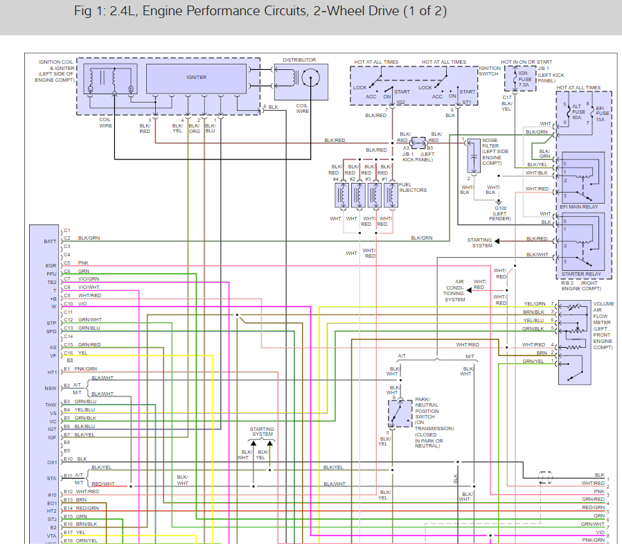
I am not getting any power to the fuel pump. I have checked the pump and it is working and I have also checked the relay and it is also working. What else could this be?










