Check engine light code P1155

Tiny
LARNCAR
  • MEMBER
  • 2000 TOYOTA SIENNA
  • 6 CYL
  • 2WD
  • AUTOMATIC
  • 180,000 MILES
I saw P1151, P1153 and P1155 codes and was advised to have the rear (after Y) catalytic replaced. Now it's down to P1155 however I seem to get conflicting information as to which sensor this is (From web site: P1155 O2 Sensor Heater Circuit Intermittent (Bank 2 Sensor 2) another site indicated (Bank 2 Sensor 1)).



Your help please. Which one is P1155?
radiator side exaust of engine
firewall side exaust of engine
or the one after the converter I had replaced.

A huge thank you!
Wednesday, July 21st, 2010 AT 7:06 PM

1 Reply

Tiny
KASEKENNY
  • MECHANIC
  • 18,907 POSTS
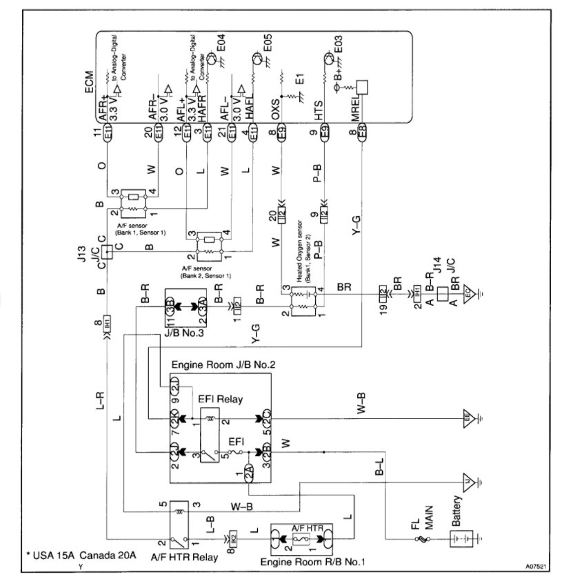
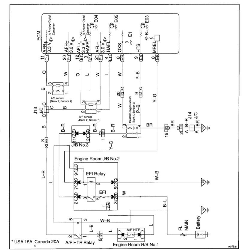
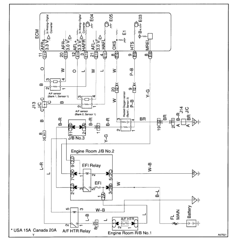
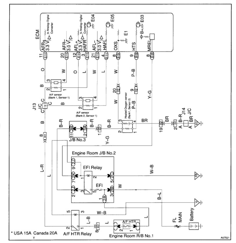
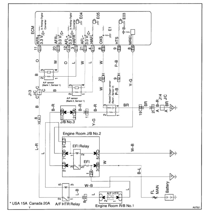
I am attaching the info below on this code, so we need to run through this testing and find out if the ECM is the issue.

Here is a guide that will help with this testing:

https://www.2carpros.com/articles/how-to-check-wiring

As for which bank this is, I am attaching the detail on this below, but this is going to be the bank on the front of the engine closest to the radiator.

Please run through this info and let us know what other questions you have.

Thanks
Was this
answer
helpful?
Yes
No
Monday, March 14th, 2022 AT 4:25 PM

Please login or register to post a reply.