HOME
ASK A QUESTION
REPAIR GUIDES
BECOME A MEMBER
LOG IN
Login with Facebook
OR
Remember me
NOT A MEMBER?
FORGOT PASSWORD?
CONTACT US
PRIVACY POLICY
TERMS AND CONDITIONS
☰
Home
Toyota
Pickup
Engine
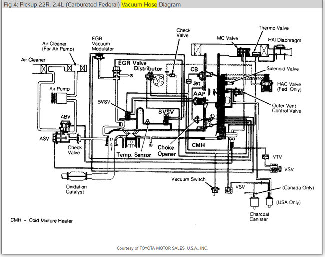
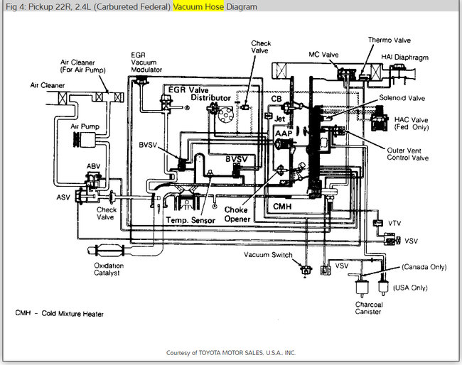
Vacuum Hose Diagram
Where are the vacuum hose route diagram?
AJWILLIAMS
MEMBER
1990 TOYOTA PICKUP
4 CYL
2WD
AUTOMATIC
20,000 MILES
All the vacuum hoses are not on the engine and I need a hose route diagram.
Thursday, June 17th, 2010 AT 5:21 PM
1 Reply
RASMATAZ
MECHANIC
75,992 POSTS
Hello,
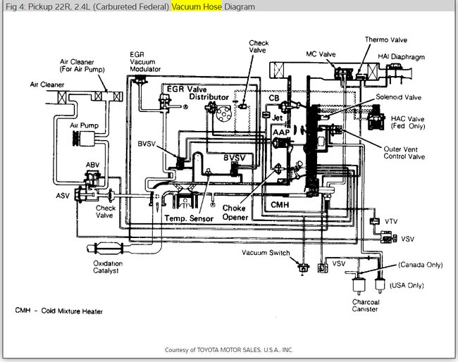
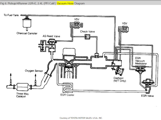
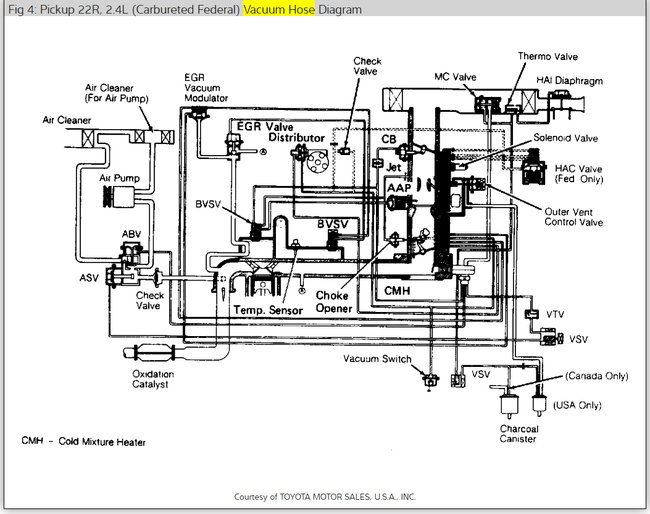
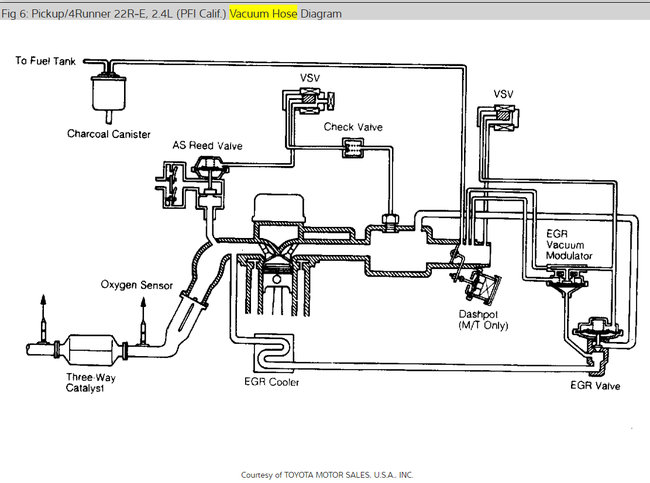
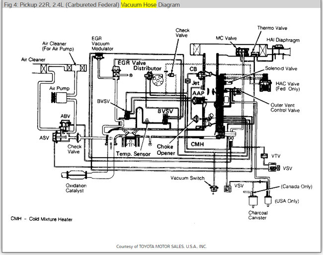
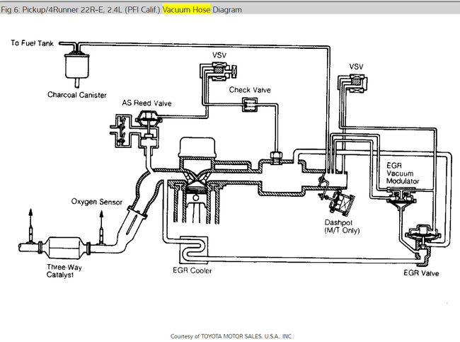
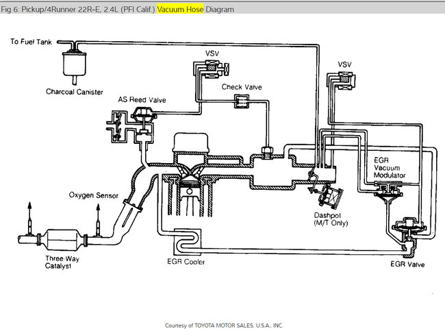
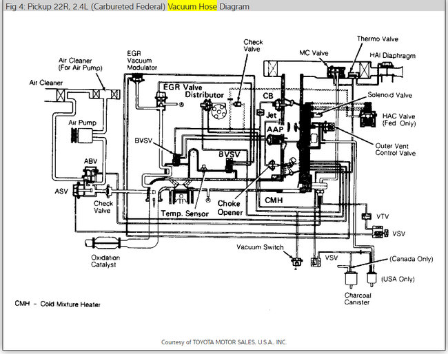
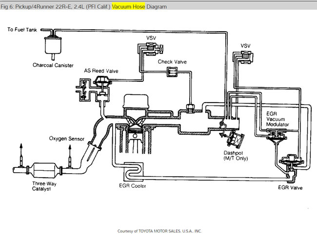
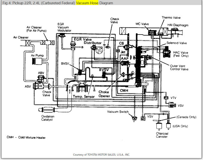
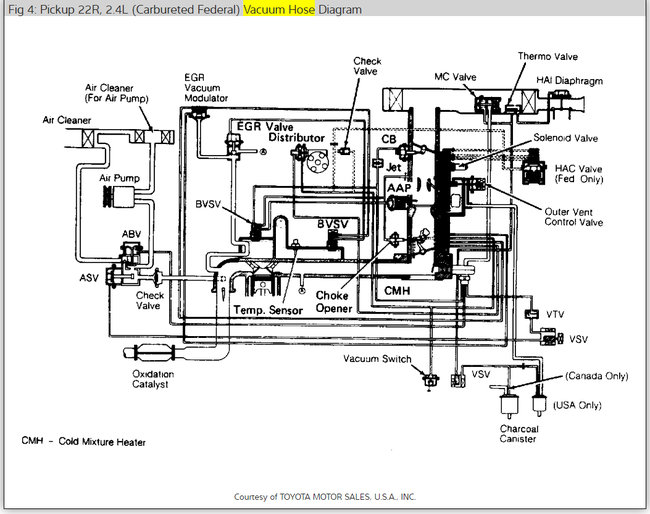
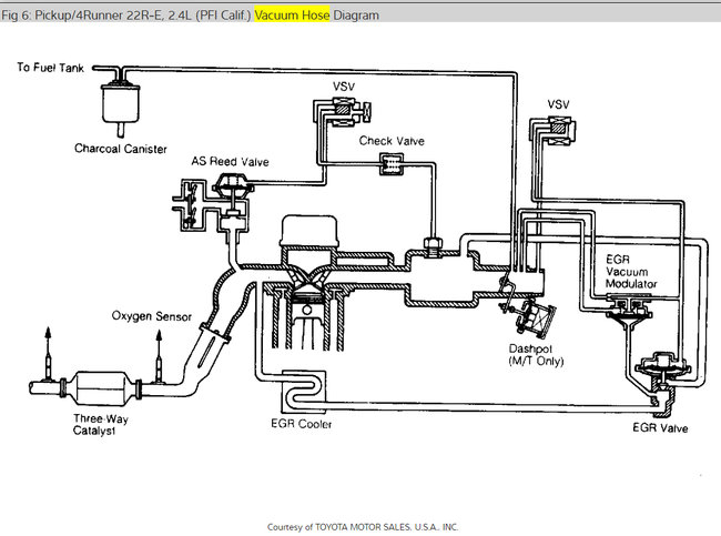
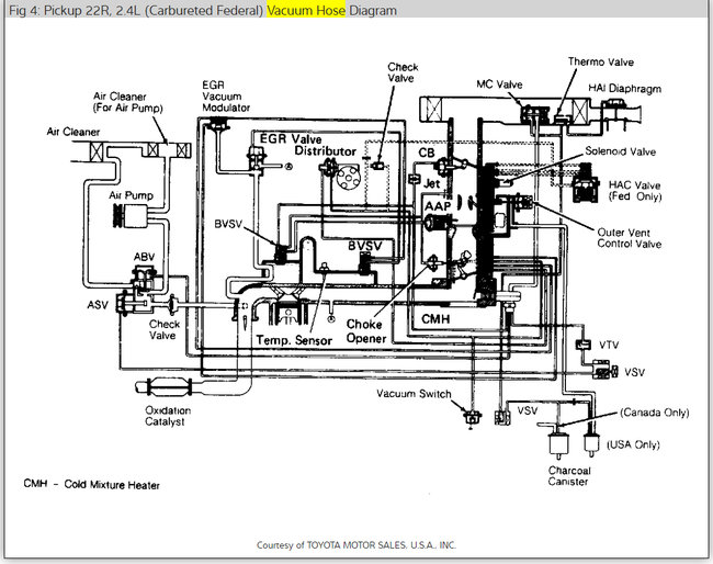
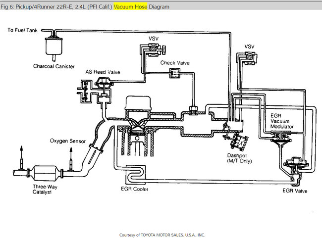
There are many different combinations of all the engine they put in the truck so here are all the engine vacuum line diagrams BELOW
Check out the diagrams (Below). Please let us know if you need anything else to get the problem fixed.
Cheers
Images (Click to make bigger)
Was this
answer
helpful?
Yes
No
Thursday, June 17th, 2010 AT 6:11 PM
Please
login
or
register
to post a reply.
Related Vacuum Hose Diagram Content
1990 Toyota Pickup Vacuum
I Need Vacuum Diagrams For This Modle Truck, Federal And Canada. It Is A 22r/not E, Is There Anywhere I Can Get This Online Where I Dont...
Asked by
magnarlia
·
1 ANSWER
1990
TOYOTA PICKUP
1986 Toyota Pickup
139 K Miles, 22 R Engine 4x2 4 Speed My Choke Will Not Release. I Have The Haynes Manual And It Does Not Address This Problem....
Asked by
holder310
·
2 ANSWERS
1986
TOYOTA PICKUP
1994 Toyota Pickup Won't Shift
Hello, I Am Currently Having Issues With My Transmission Not Shifting. I Can Shift It Manually By Puting The Shifter In 1st Then Second...
Asked by
lurkingbeast
·
1 ANSWER
1994
TOYOTA PICKUP
Air Filter
Put And Aftermarket Spectre Air Filter On It An It Started Acting Sluggish What Is The Problem To Much Air Or Not Enough?
Asked by
dribbler1
·
2 ANSWERS
1990
TOYOTA PICKUP
1990 Toyota Pickup Still Not Work With New Ecu
Computer Problem 1990 Toyota Pickup 6 Cyl Four Wheel Drive Manual So I Baught A Truck That Wasnt Running, And There Is A 4-runner...
Asked by
kirenda
·
6 ANSWERS
1990
TOYOTA PICKUP
VIEW MORE
Ask a Car Question. It's Free!
Vacuum Leak Test and Repair
Misfire Random Code P0300
Intermittent Misfire