2009 Toyota Corolla ignition system

Tiny
JBOB316
  • MEMBER
  • 2009 TOYOTA COROLLA
Electrical problem
2009 Toyota Corolla 4 cyl Front Wheel Drive Automatic

where is the ignition relay located
Thursday, March 19th, 2009 AT 12:35 AM

12 Replies

Tiny
RASMATAZ
  • MECHANIC
  • 75,992 POSTS
Its in the instrument panel junction block

ig1 relay


https://www.2carpros.com/forum/automotive_pictures/12900_ig1_2.jpg

Was this
answer
helpful?
Yes
No
+2
Thursday, March 19th, 2009 AT 12:50 AM
Tiny
JBOB316
  • MEMBER
  • 5 POSTS
Wow thx can I get it at a local part store
Was this
answer
helpful?
Yes
No
+1
Thursday, March 19th, 2009 AT 1:00 AM
Tiny
JBOB316
  • MEMBER
  • 5 POSTS
Is the ignition 2 wire at ignition switch supposed to have power all the time
Was this
answer
helpful?
Yes
No
Thursday, March 19th, 2009 AT 1:03 AM
Tiny
JBOB316
  • MEMBER
  • 5 POSTS
Also how can I test the relay? My car wont crank but the acc has power. I am getting power to the ignition 2 wire all the way to the junction box under the instrument panel but after that I get nothing. Could my relay be bad or could itbe the ignition switch be bad
Was this
answer
helpful?
Yes
No
Thursday, March 19th, 2009 AT 1:07 AM
Tiny
RASMATAZ
  • MECHANIC
  • 75,992 POSTS
Do you see all the idiot lights when key at run position if so hold key at cranking position and check for power at the starter solenoid small black wire-do you have power?
Was this
answer
helpful?
Yes
No
Thursday, March 19th, 2009 AT 2:23 AM
Tiny
JBOB316
  • MEMBER
  • 5 POSTS
No power if I jump it to the ignition 1 wire it cranks
Was this
answer
helpful?
Yes
No
Thursday, March 19th, 2009 AT 2:29 AM
Tiny
RASMATAZ
  • MECHANIC
  • 75,992 POSTS
Are you testing the ig1 and ig2 on the ignition switch
Was this
answer
helpful?
Yes
No
+1
Thursday, March 19th, 2009 AT 5:37 AM
Tiny
MMPRINCE4000
  • MECHANIC
  • 8,548 POSTS
Excellent advice by Raz, but I have to ask, is car out of warranty already?
Was this
answer
helpful?
Yes
No
+1
Thursday, March 19th, 2009 AT 6:01 AM
Tiny
JAY330
  • MEMBER
  • 2 POSTS
Same problem; don't have power to black connector to solenoid.
Was this
answer
helpful?
Yes
No
Monday, April 12th, 2021 AT 12:45 PM
Tiny
KASEKENNY
  • MECHANIC
  • 18,907 POSTS
They mention the starter solenoid above. Is that what you are referring too or did you mean the black wire that is going to the starter relay?

I don't show a black wire going to the starter solenoid but that is not always accurate. So I just want to make sure we are talking about the same wire.

If this is no power to the relay then can you clarify if you have a 2.4L or a 1.8L? That will make a difference on what the issue could be.

Here is a guide that will help with testing a relay in case that turns out to be where we go:

https://www.2carpros.com/articles/how-to-check-an-electrical-relay-and-wiring-control-circuit

Let us know and we can go from there.
Was this
answer
helpful?
Yes
No
+1
Monday, April 12th, 2021 AT 4:13 PM
Tiny
JAY330
  • MEMBER
  • 2 POSTS
Yes, the wire going to starter solenoid, there is power at the relay and the relay was good. Clicks, tested it and swapped it.
Was this
answer
helpful?
Yes
No
Tuesday, April 13th, 2021 AT 9:31 AM
Tiny
KASEKENNY
  • MECHANIC
  • 18,907 POSTS
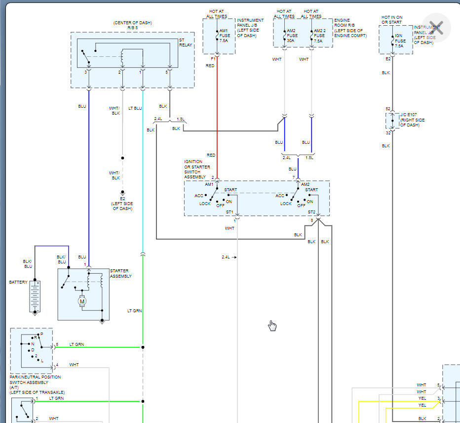
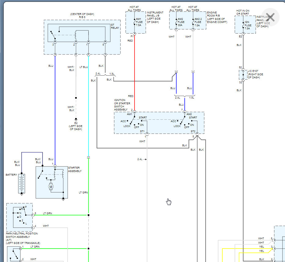
Okay. So take a look at the wiring diagram. You should have 12 volts at 1, 2, and 3.

Basically if you have 12 volts at number 3 then you will have at the other places as well so that is the one we need to focus on.

If you have it here, then jump that wire from the relay to the starter solenoid and the engine should crank with the key in the on position. In fact, it will most likely crank even with the key off but if we want to see if it will start, the key will need to be on.

If this causes it to crank then we need run a new wire as you have a wiring issue.

Let us know if you have other questions and what happens with this. Thanks
Was this
answer
helpful?
Yes
No
+1
Tuesday, April 13th, 2021 AT 7:51 PM

Please login or register to post a reply.