Vacuum diagram

Tiny
TIMMELANY
  • MEMBER
  • 2001 TOYOTA COROLLA
  • 4 CYL
  • 2WD
  • MANUAL
  • 196,000 MILES
I have replace brand new vacuum hoses and have secured them tight with hose clamps. Also replaced brand new spark plugs. And have replaced brand new fuel injectors. Saying all that my engine is ideling very rough when I sit in the driveway. Saying all that a multiple Cylinder Misfire is detected shoes up on my Autoxray EZ scan 4000. Can you give me some advice as to what it could be?
Thanks,
Tim
Sunday, December 23rd, 2007 AT 5:06 PM

14 Replies

Tiny
BLACKOP555
  • MECHANIC
  • 10,386 POSTS
Can you tell me the P***** code you are getting?

First change the distributor cap and rotor.

Multiple missfire's are usually caused by the ignition timing being off or a bad coil(s).

It may also be caused by a bad catalytic converter causing too much backpressure. To test this hook up a vaccuum guage and let the car idle at 2500 rpm for 3 mins, if you notice the needle steadily going down throughout the test you need to check the exhaust system. Also a rotten eggs smell

in rare cases your cam position sensor or crank sensor may be off.

You may also want to check your PCV valve and filter and clean the EGR valve.

Check for a intake manifold or vaccum leake by using starting fluid sprayed on the hoses and gasket, if idle increases you have found the leak.
Was this
answer
helpful?
Yes
No
Sunday, December 23rd, 2007 AT 9:55 PM
Tiny
DONPEDRO_81
  • MEMBER
  • 3 POSTS
  • 2000 TOYOTA COROLLA
  • 4 CYL
  • FWD
  • AUTOMATIC
  • 130,000 MILES
I am installing a turbo in my 2000 Toyota Corolla but I do not know where all of the vacuum hoses or the oil inlet are and it does not have a diagram under the hood or in the Haynes repair manual. Can you help me out
Was this
answer
helpful?
Yes
No
Tuesday, November 12th, 2019 AT 11:52 AM (Merged)
Tiny
MMPRINCE4000
  • MECHANIC
  • 8,548 POSTS
The vacuum would be needed for the wastegate, you would need to tee into manifold vacuum.
The oil supply is CRITICAL as well as return. Generally, you would tee into the oil pressure sender for supply and punch a hole in the pan for return.

You need to test and retest for oil supply to a turbocharger, their expected life without oil is about 25 seconds.

The most critical component to any forced induction system is reprogramming the ECM, more fuel at boost and less timing.

I would only use a synthetic oil and plugs at least 2 heat ranges colder.

Could you contact the manufacturer of the turbo?
Was this
answer
helpful?
Yes
No
Tuesday, November 12th, 2019 AT 11:52 AM (Merged)
Tiny
DONPEDRO_81
  • MEMBER
  • 3 POSTS
Ok thats all great but my question was where is the vacuum hose on the manifold and where are the oil supply lines?
Was this
answer
helpful?
Yes
No
-1
Tuesday, November 12th, 2019 AT 11:52 AM (Merged)
Tiny
MMPRINCE4000
  • MECHANIC
  • 8,548 POSTS
You would have to buy a brass "T" for the vacuum lines and tee into an existing manifold vacuum line.

For oil you would have to buy a larger brass "T", and remove the oil pressure sender.
This tee would have a male thread same size as the oil pressure sender, a female port for the oil pressure sender, and a male or female port to run an oil line to the turbo.
You would want to use Earls braided SS line from the tee to the turbo oil inlet, the fittings should be steel not anodized aluminum.
The return line should run continuesly downhill to the pan.
Coolant lines for the turbo should also be Tee'd into coolant lines BEFORE the thermostat (supply line would be from the engine block, there is one plug in the block). You would need a return line for coolant as well. (You would tee into a heater hose for return).

Didn't this turbo come with all the tee's necessary?
Was this
answer
helpful?
Yes
No
Tuesday, November 12th, 2019 AT 11:52 AM (Merged)
Tiny
DONPEDRO_81
  • MEMBER
  • 3 POSTS
Look man I appreciate all the advice but my problem is WHERE the vacuum line and oil supply line are. But yes it did come with everything I need and I know how to set it up but thanks anyways.
Was this
answer
helpful?
Yes
No
Tuesday, November 12th, 2019 AT 11:52 AM (Merged)
Tiny
MMPRINCE4000
  • MECHANIC
  • 8,548 POSTS
Oil supply would come from the oil pressure sender in the block.

Vacuum would come from the fuel pressure regulator vacuum line.

You would use the supplied "T's" to get oil and vacuum to the turbo, yet keep the oil supply to the oil pressure sender and vacuum to the fuel pressure regulator.
Was this
answer
helpful?
Yes
No
Tuesday, November 12th, 2019 AT 11:52 AM (Merged)
Tiny
ARNIE53
  • MEMBER
  • 2 POSTS
  • 1999 TOYOTA COROLLA
  • 4 CYL
  • FWD
  • AUTOMATIC
  • 91,000 MILES
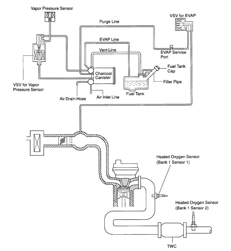
It has been a wonderful, dependable car, and with only 91,000 miles on it. The Vacuum hoses, that go from the Canister, that is located underneath the car, in between the GAS TANK, and the TRUNK, the hoses are broken, and leaking. Where can I get vacuum Diagram, for this. Need ASAP
Was this
answer
helpful?
Yes
No
Tuesday, November 12th, 2019 AT 11:52 AM (Merged)
Tiny
RASMATAZ
  • MECHANIC
  • 75,992 POSTS
Hello,

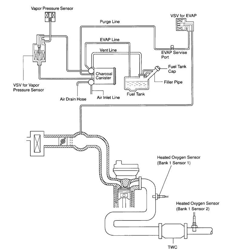
Here is the vacuum line diagrams for the EVAP and vacuum systems. Check out the diagrams (Below). Please let us know if you need anything else to get the problem fixed.
Was this
answer
helpful?
Yes
No
+7
Tuesday, November 12th, 2019 AT 11:52 AM (Merged)
Tiny
ARNIE53
  • MEMBER
  • 2 POSTS
Thank you for your reply. It was just what I needed. I love this site
Was this
answer
helpful?
Yes
No
-2
Tuesday, November 12th, 2019 AT 11:52 AM (Merged)
Tiny
SALMAN108
  • MEMBER
  • 2 POSTS
  • 1996 TOYOTA COROLLA
  • 4 CYL
  • 2WD
  • MANUAL
  • 125,000 MILES
Hi M8s

I have a 96 Corolla, which has done 125000 Kms and still
runs fine.

Last week my son unfortunately pulled the vacuum lines of the car, and since then it's been performing very poor.

1. The car has poor pickup
2. The car shudders when I turn the head lights on.
3. The mileage was 12 Km / Ltr which has gone down to
5 km / ltr.

All this for the moment the vacuum lining was disturbed.

Can some one please tell me / show me how to connect the vacuum hoses?

The engine is 2E, without the EGR.
Body code is ee-100.

Thanks and best regards.
Was this
answer
helpful?
Yes
No
Tuesday, November 12th, 2019 AT 11:52 AM (Merged)
Tiny
MMPRINCE4000
  • MECHANIC
  • 8,548 POSTS
There should be a diagram of vacuum line connections under the hood on a sticker?
Was this
answer
helpful?
Yes
No
+2
Tuesday, November 12th, 2019 AT 11:52 AM (Merged)
Tiny
SALMAN108
  • MEMBER
  • 2 POSTS
There was

unfortunately its been washed of :(

so now I really need some help on putting it together.
Was this
answer
helpful?
Yes
No
Tuesday, November 12th, 2019 AT 11:52 AM (Merged)
Tiny
MMPRINCE4000
  • MECHANIC
  • 8,548 POSTS
I cannot find a diagram of the vacuum routing, but go to a pick and pull and find a 96 Corolla or Geo prizm and remove label or trace diagram, or take pic of engine.
Was this
answer
helpful?
Yes
No
+1
Tuesday, November 12th, 2019 AT 11:52 AM (Merged)

Please login or register to post a reply.