SO, for the past year, I've been turning my headlights off by kicking the starter just a tad after I shut off my car. This problem was consistent and reproducible 100% of the time.
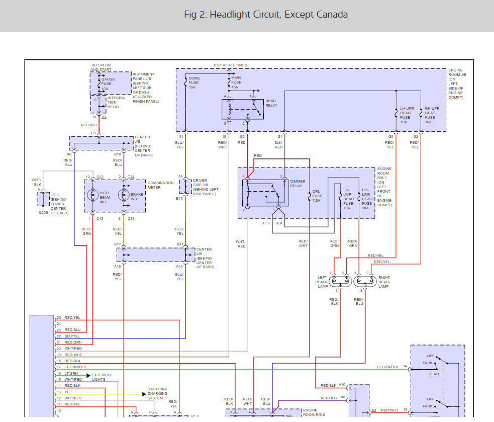
I decided to check if there was a problem with the headlight relay. The relay is fine (tested with a relay from a friends same-model car with same results). When measuring the relay leads with a multimeter, the two leads that should show NO voltage when the headlight switch is off show 12V at all times. With this info, I'm led to believe that there is some voltage leakage somewhere upstream of the relay that is just enough to cause the relay to stay activated, but not enough to activate a relay from start position. Therefore, I'm guessing that by cranking the starter to turn the headlights off, I'm pulling enough amps away from the relay to allow the headlight relay to open the circuit.
NOW THE BIG PROBLEMS:
This may not be a related problem.
NOW my car will stall in the middle of driving whenever most electrical devices are used. This includes both turn signals, the brights, the emergency flashers, and the air conditioner blower.
Things that don't stop the engine are the radio, and windshield wipers. The main headlights will stop it every now and then.
When the engine stalls, it sounds and feels very similar to simply turning the engine off with the key. The engine doesn't struggle to stay alive.
What's worse is that after the engine stalls, the 'BRAKE' light stays lit on the dashboard when the key is inserted, and the vehicle will rarely start when the 'BRAKE' light is lit. On these attempts, there is a click and silence (no spinning of the starter). Occasionally, when I am able to turn over the engine with the 'BRAKE' light on, the car will start, but will stall the instant I put the transmission in 'Drive'.
After screwing with the electronics randomly, the 'BRAKE' light will finally turn off and I can drive the vehicle normally, so long as I don't use any of the aforementioned electronics that stall my engine.
Can ANYONE help me? I've becomed very annoyed with it and any help would be wonderful.
P.S. I have recently replaced the battery and starter switch with no improvement.
Wednesday, July 8th, 2009 AT 5:17 PM



