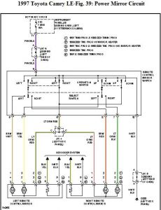
I replaced pass. side powered mirror. spliced the wires rather than removing door panel to access plug in. Initially, mirror worked. Now, neither mirror works. Fuse is good. No power to fuse block where fuse plugs in, but all other fuses in the block are powered and working. All other elecrical accessories working. I have no Idea where to begin to trouble shoot this. Any ideas? Thanks for your consideration.
Jackie
Jackie
Jan 12, 2008 at 7:54 PM

