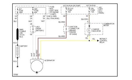
1990 Toyota Celica 4 cyl Front Wheel Drive Manual
I have now my original alternator and a refurbished. I have had both tested off the car and both putting out 15v, on my car the reading says "no output". My battery is brand new, and the positive terminal connection was replaced as well. My problem is that my car is only running off battery power, and the alternator is not doing its job on the car. What options do I have to fix this problem?
My airbag light came on since the car started having this problem is that connected?
Thursday, July 17th, 2008 AT 2:10 PM




