My engine stalls at idle

Tiny
LORRAINE
  • MEMBER
  • TOYOTA CAMRY
I have a 2002 Toyota Camry SE with 61490 miles. The car starts but does not stay running. It turns over fine, the check engine light is not on, but the car does not stay running. What could be causing this? I recently got an oil change and the car checked.

I did push the gas pedal but as soon as I took my foot off the pedal the car stopped.
Tuesday, March 7th, 2006 AT 1:48 PM

5 Replies

Tiny
FISHERMAN
  • MECHANIC
  • 937 POSTS
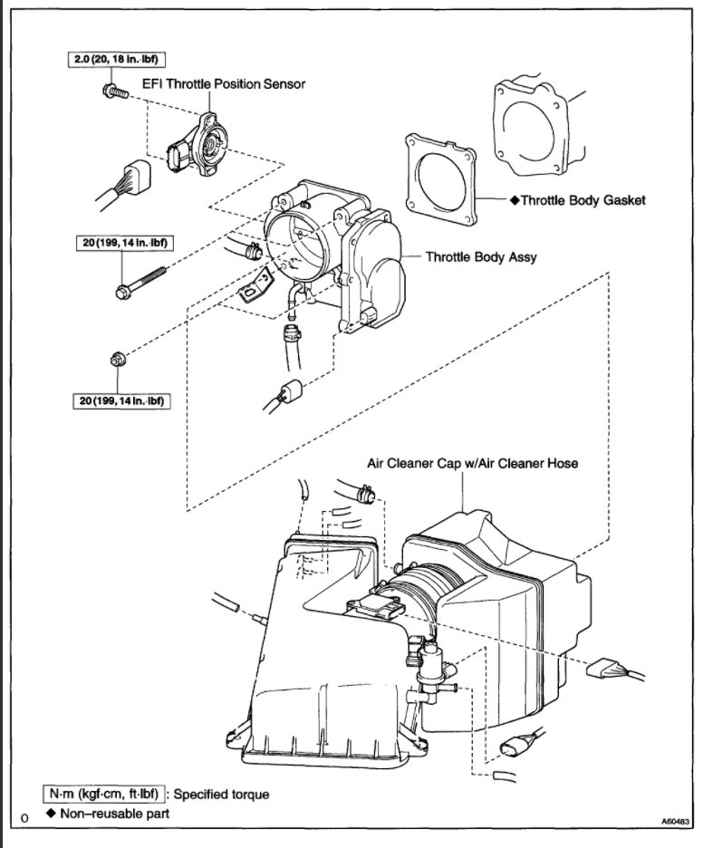
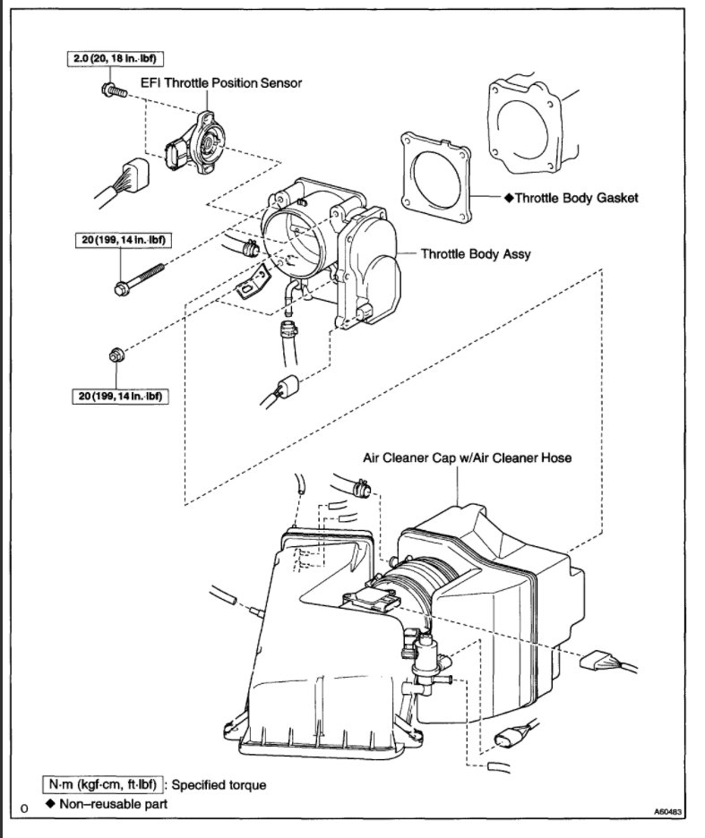
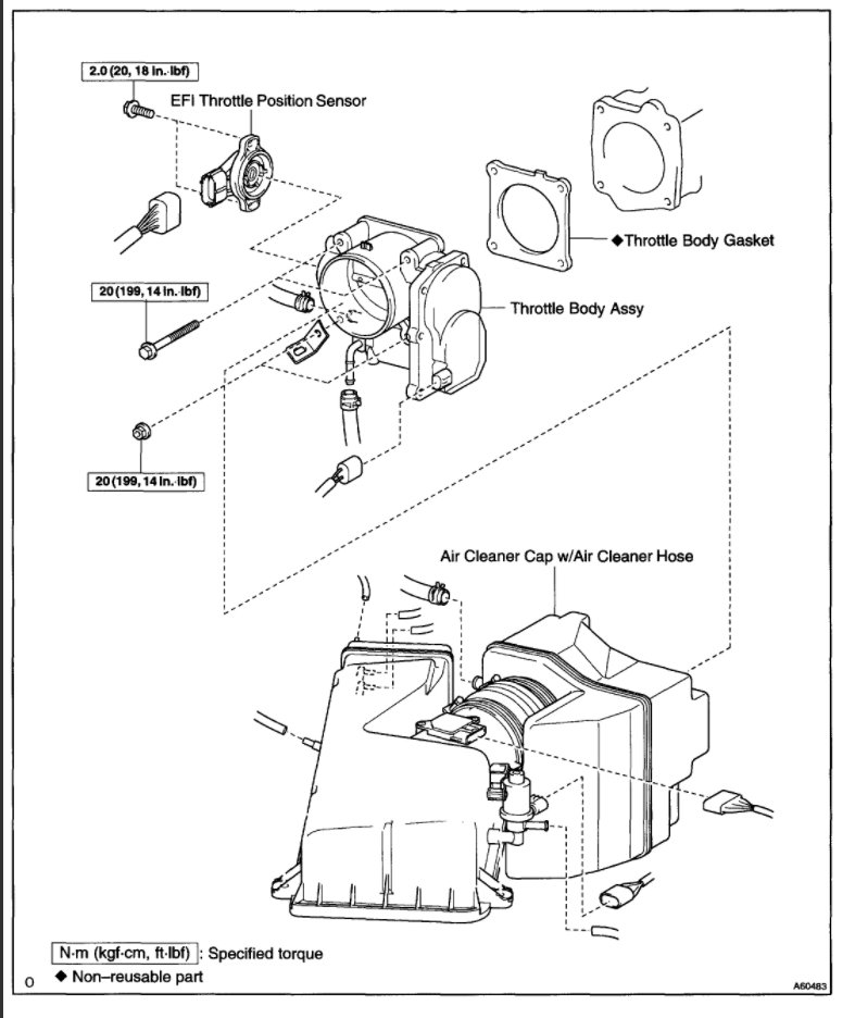
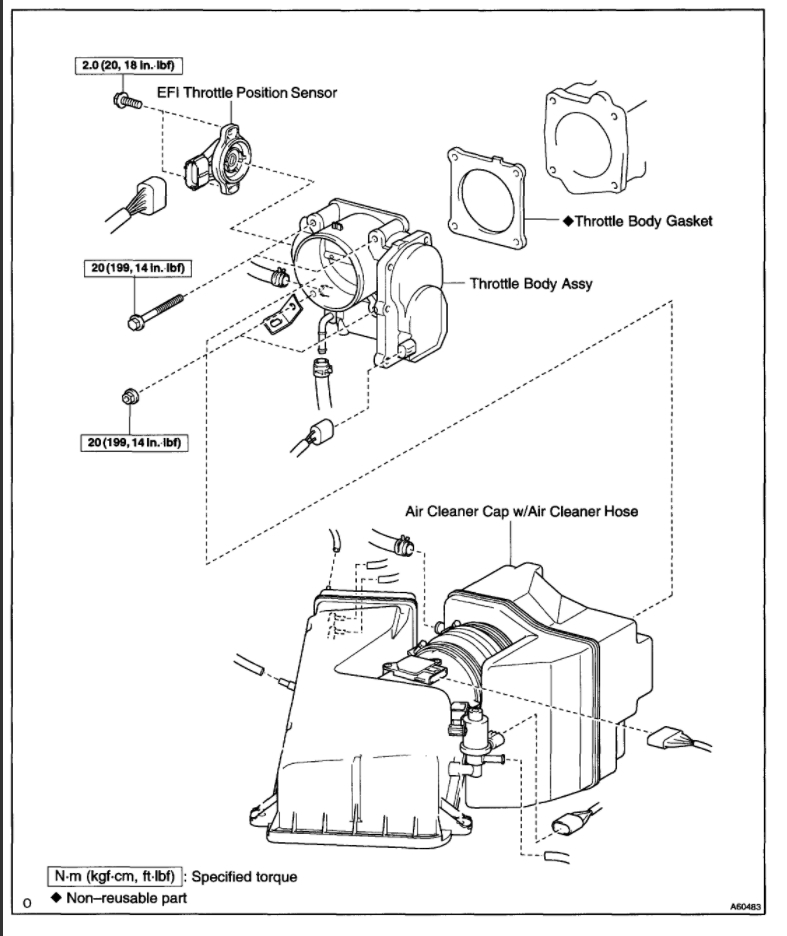
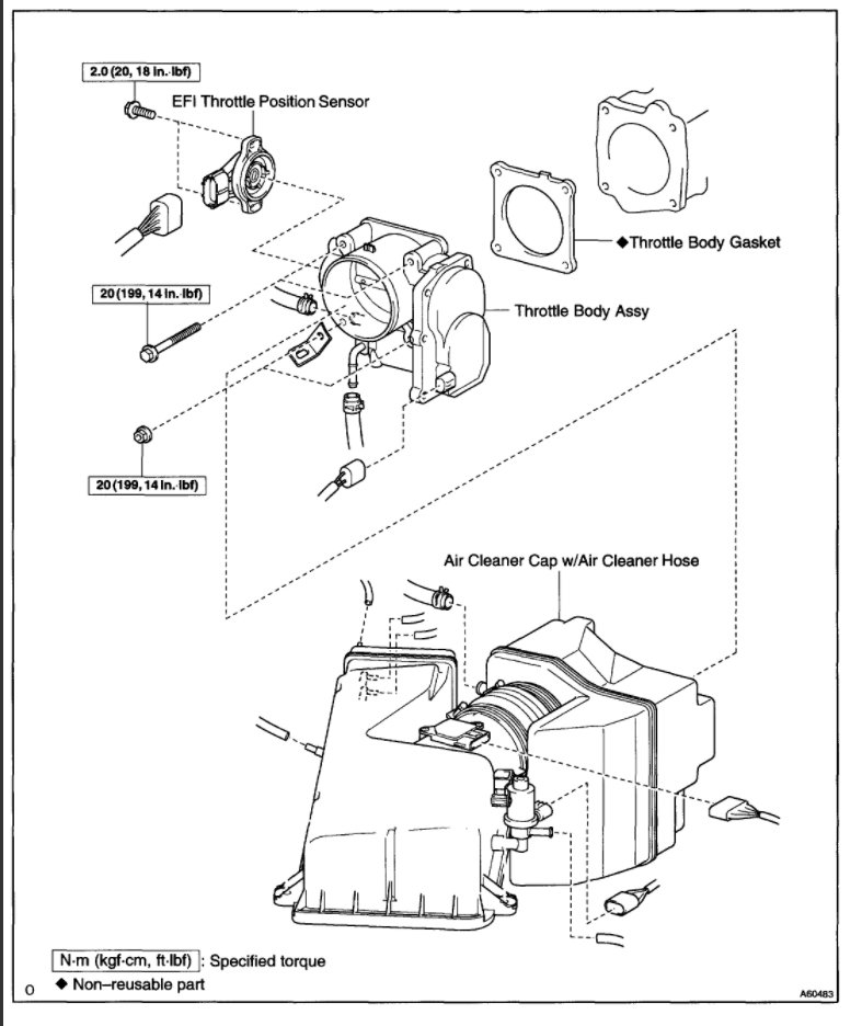
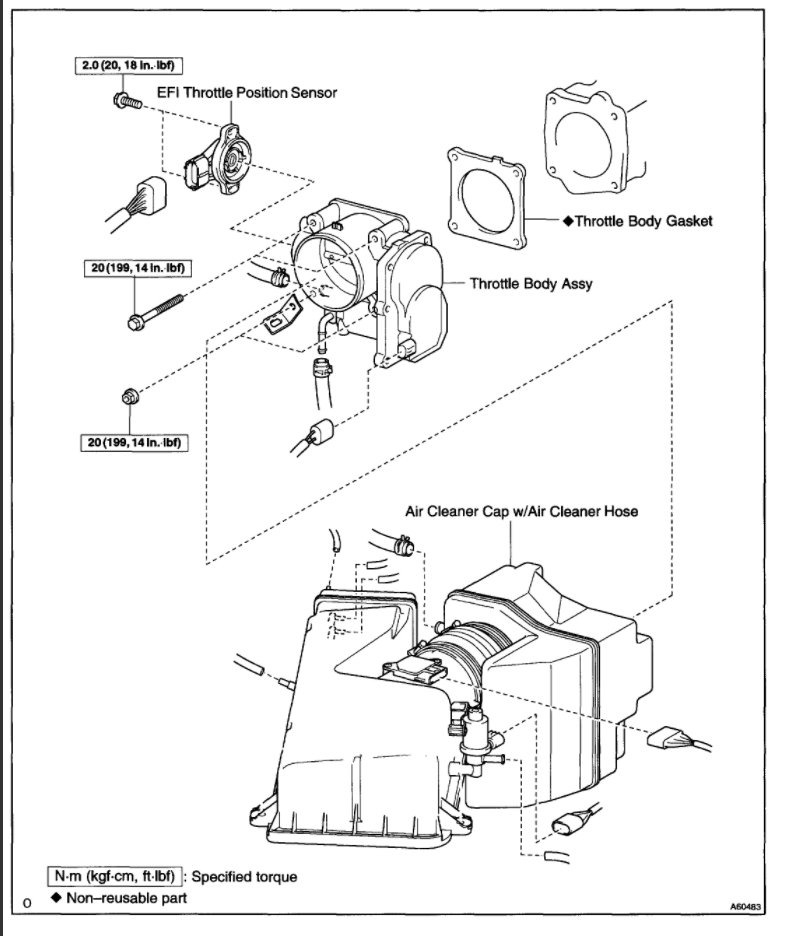
What happens on these cars is the throttle bore gets gummed up and causes the engine to stall as soon as you let off the throttle. It also makes it hard for the engine to start.

Remove the throttle bore and clean it out and the problem should be fixed.

PS this happens all the time on these cars.

Here is a guide and some diagrams to help fix the problem.

https://www.2carpros.com/articles/throttle-actuator-service

Also you should check for vacuum leaks and the air intake tube

https://www.2carpros.com/articles/how-to-use-an-engine-vacuum-gauge

and

https://www.2carpros.com/articles/replace-an-air-intake-boot

and

https://www.2carpros.com/articles/stall-at-idle

Diagram (below)

Please let us know what you find.

Cheers,
Was this
answer
helpful?
Yes
No
+4
Tuesday, March 7th, 2006 AT 9:53 PM
Tiny
SHASHADAWNA
  • MEMBER
  • 2 POSTS
My 2003 is doing the same thing-except the check engine light comes on when the car cuts off-mine also will stay on if I give it gas, but I have to catch it quickly-mine will sometimes do it 2 or 3 times before it stays started. No one can figure out what the problem is with mine either.

Then I came across this post and bam! I serviced the throttle bore and the problem went away. Nice work guys! I love this site :)
Was this
answer
helpful?
Yes
No
+2
Monday, April 3rd, 2006 AT 7:46 AM
Tiny
KEN L
  • MASTER CERTIFIED MECHANIC
  • 55,335 POSTS
Glad you could get it fixed, that kind of problem can be tough. Please use 2CarPros anytime we are here to help

Cheers, Ken
Was this
answer
helpful?
Yes
No
+3
Tuesday, January 3rd, 2017 AT 11:20 AM
Tiny
ED EDSAIDD SANDERS
  • MEMBER
  • 1 POST
Abundant thanks to you folks. My 2002 Camry is in the shop with an elusive sputter, stall problem. Replacing fuel pump, filters, air intake vales and more didn't fix the problem. I found this article on internet and called the shop to request they check for a clogged throttle body actuator. Throttle body cleaned/declogged and problem fixed!
Was this
answer
helpful?
Yes
No
+1
Wednesday, June 30th, 2021 AT 10:04 AM
Tiny
DANNY L
  • MECHANIC
  • 5,648 POSTS
You're welcome!

Glad to hear you completed the repair. We like when you add to our thread with this information as it may help another person with the same vehicle and symptom. Thanks for using 2CarPros and we hope you will use our site again in the future when needed.

Danny-
Was this
answer
helpful?
Yes
No
Wednesday, June 30th, 2021 AT 7:29 PM

Please login or register to post a reply.