Hello Again!!
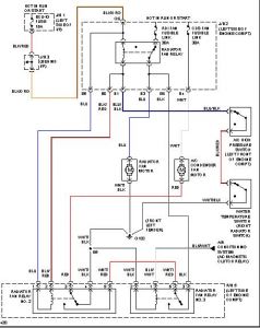
well here you have the wiring schematic for the cooling system..
(to complicated) looks to me like the fan relay has to be "ON" to open the contact and cut the fan...
And the relay in the "off" position the fan its running!
which means that you have that relay "ON" all the time and the fan its not working..
disconnecting the engine cooling temperature switch the fan should start!
did you check that?
(ground=white/black signal=black/red wires on the switch)
also check the A/C High pressure switch...(on top of the a/c drier left side of the radiator..
let us know on your findings!

Friday, November 23rd, 2007 AT 6:57 PM