Saturday, December 27th, 2008 AT 4:49 AM
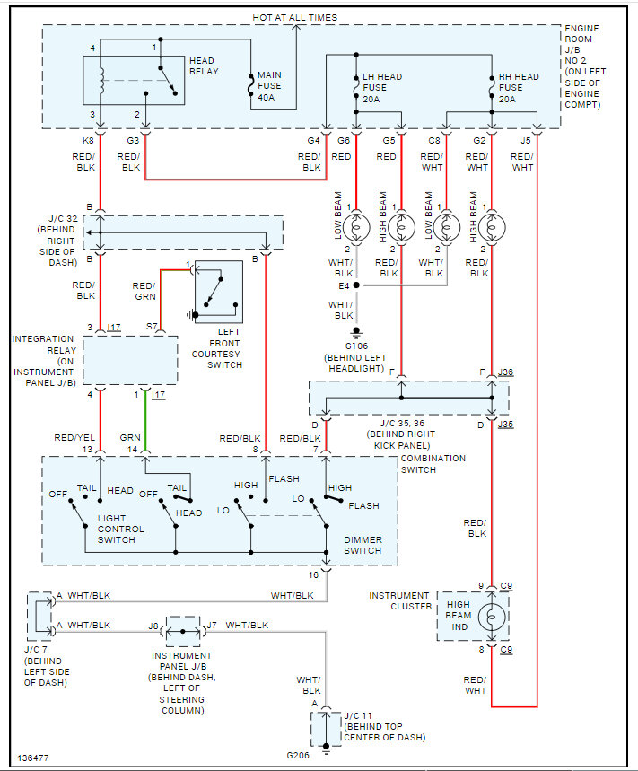
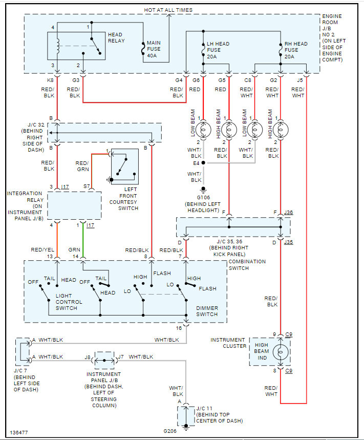
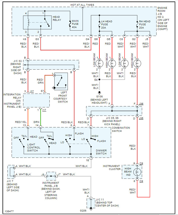
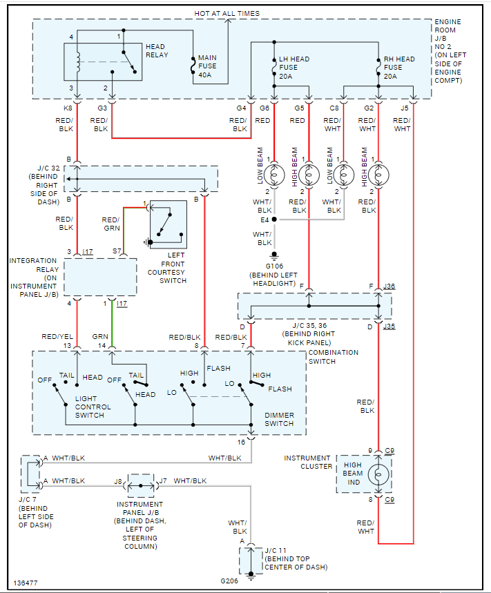
High beam does not work on my 01 camry. Where is the headlight relay and wire harness located? Fuses are ok and dimmer switch has continuity





