Making a rattling noise due to leaking Front Down Pipe?

Tiny
CHPRASAD
  • MEMBER
  • 2001 TOYOTA CAMRY
My car is making a rattling noise so I went to a dealer and he looked into it and said the Front Down Pipe is leaking. He showed me where it is leaking and it is near the mesh like area on the front down pipe. Can this be fixed with a patch or do I have to replace the pipe all together? Your suggestion is greatly appreciated.

thanks
Thursday, June 4th, 2009 AT 3:49 PM

1 Reply

Tiny
SQM
  • MECHANIC
  • 6,383 POSTS
Hello,

The wire mesh like area is called a flex pipe. It helps with reducing vibration.
A leak in the flex pipe is not repairable.
Best option is the replace it.

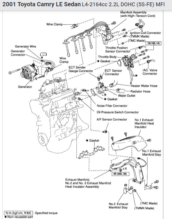
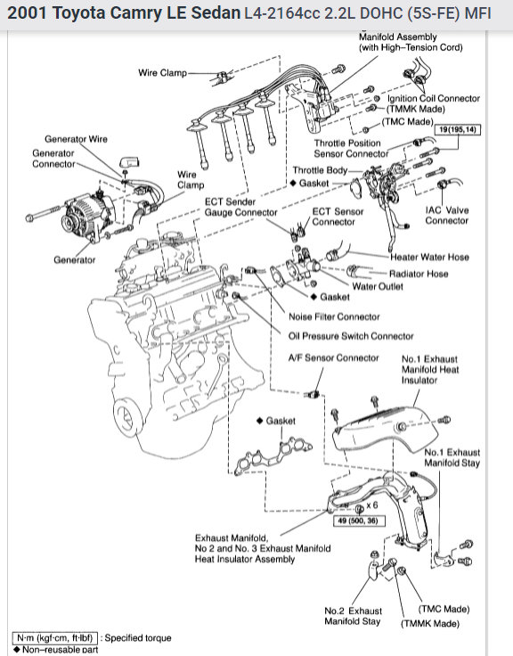
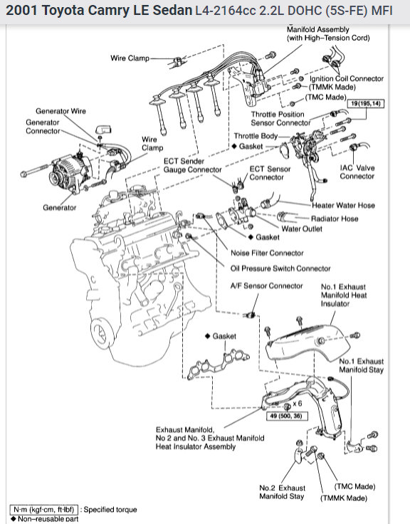
https://www.2carpros.com/articles/how-exhaust-systems-work

I have attached diagrams for your reference.

Please let me know of any questions.
Thank you.
Was this
answer
helpful?
Yes
No
Tuesday, September 21st, 2021 AT 12:51 PM

Please login or register to post a reply.