Location fuel pump relay

Tiny
GARY14
  • MEMBER
  • 1999 TOYOTA CAMRY
  • 4 CYL
  • FWD
  • AUTOMATIC
  • 177,000 MILES
Looking for location of fuel pump relay?
Thursday, January 7th, 2010 AT 3:57 PM

4 Replies

Tiny
RASMATAZ
  • MECHANIC
  • 75,992 POSTS
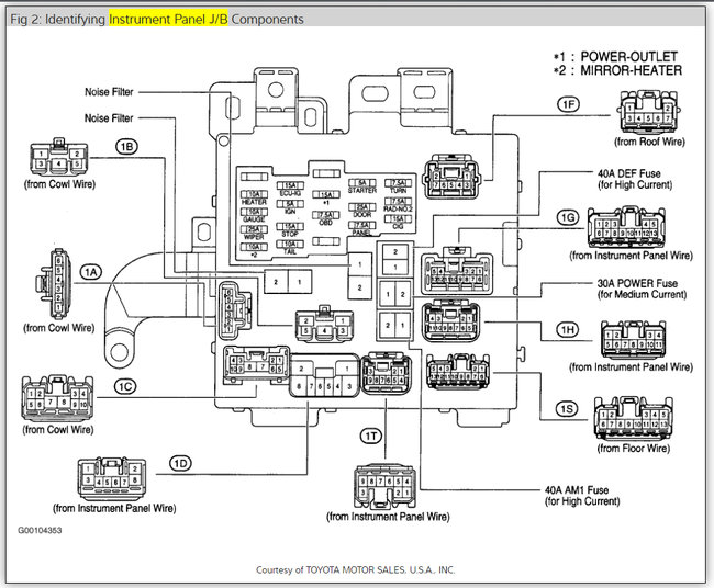
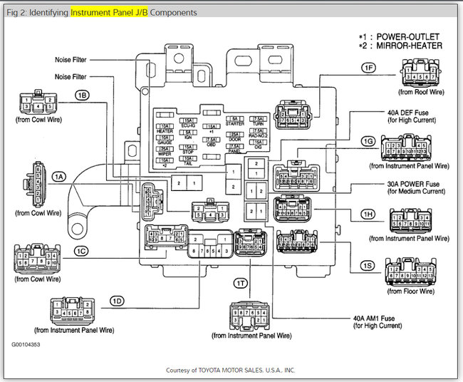
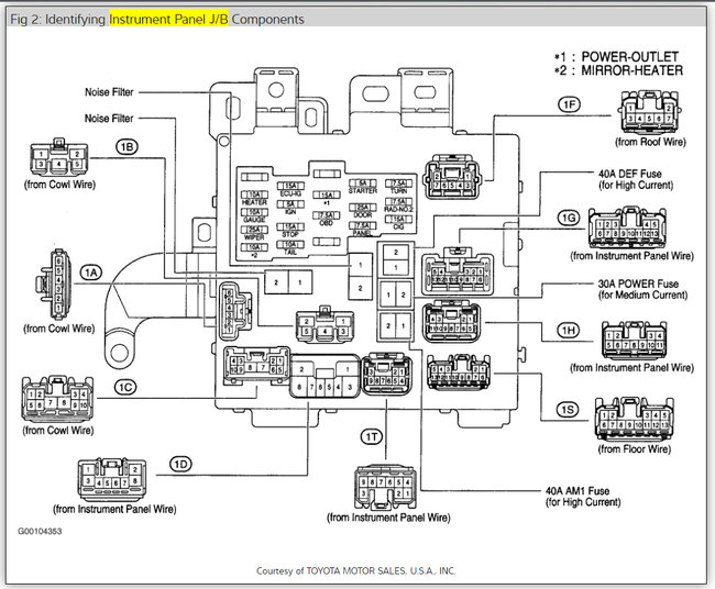
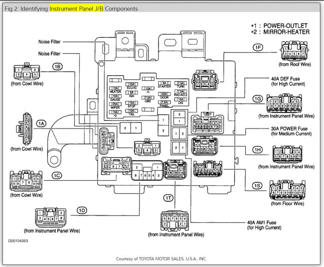
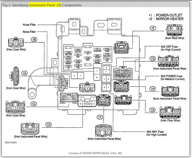
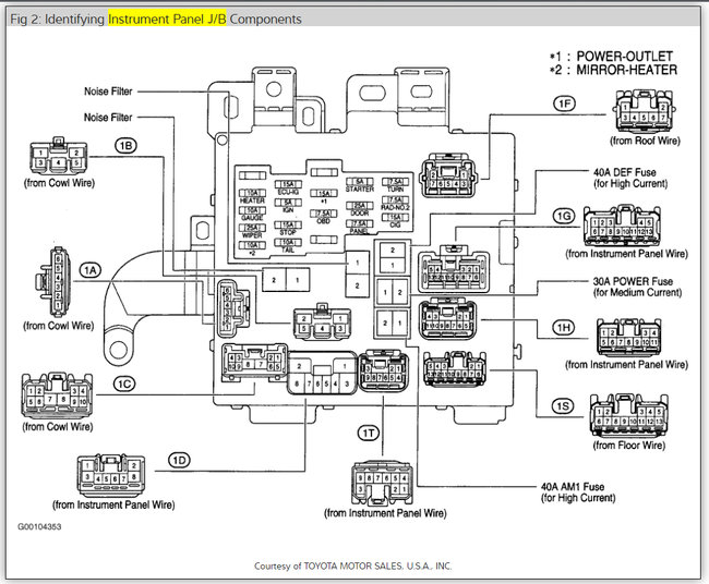
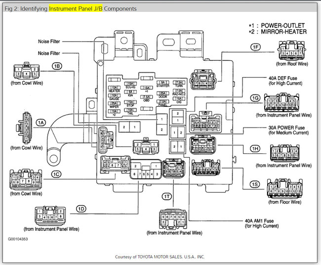
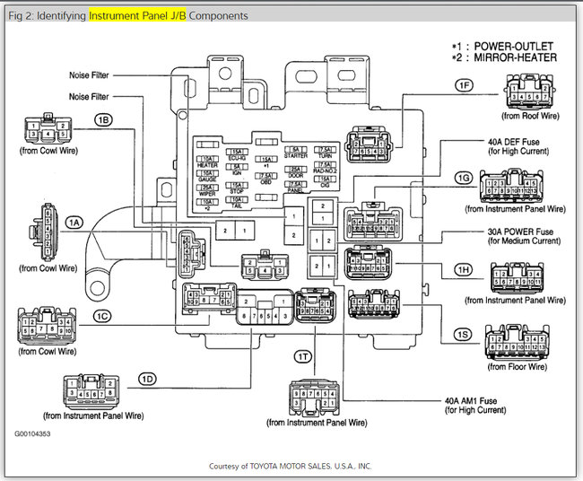
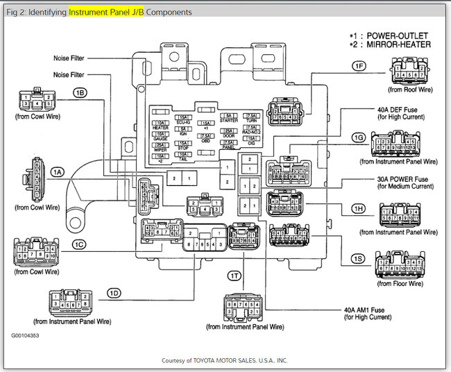
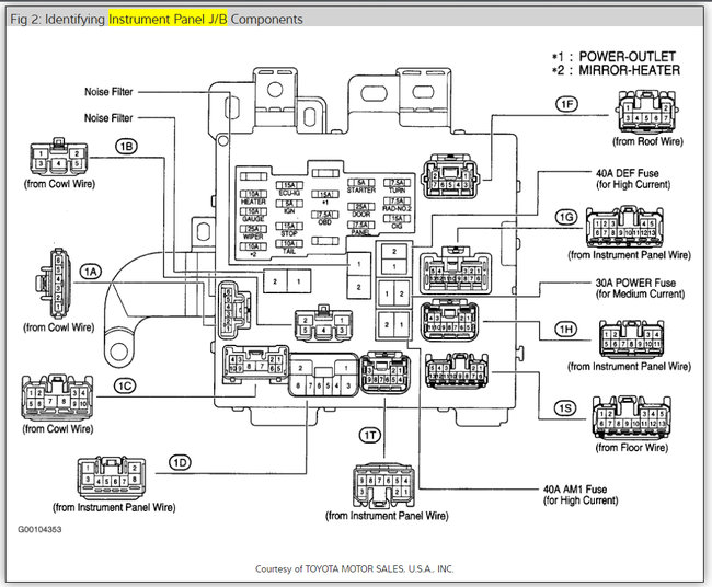
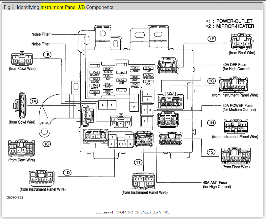
The relay you're looking for is the circuit opening relay which is located in the engine compartment in relay box no.1 Here is a guide to help check it with the diagrams of the location below.

https://www.2carpros.com/articles/how-to-check-an-electrical-relay-and-wiring-control-circuit

Check out the diagrams (Below). Please let us know if you need anything else to get the problem fixed.
Was this
answer
helpful?
Yes
No
Thursday, January 7th, 2010 AT 7:32 PM
Tiny
TEXACA
  • MEMBER
  • 37 POSTS
  • 1998 TOYOTA CAMRY
  • 2.2L
  • 4 CYL
  • FWD
  • AUTOMATIC
  • 197,543 MILES
Where is the fuel pump relay on a 1998 toyota camry located.
Was this
answer
helpful?
Yes
No
+2
Wednesday, April 17th, 2019 AT 11:40 AM (Merged)
Tiny
HMAC300
  • MECHANIC
  • 48,601 POSTS
The fuel pump relay is called a EFI relay and its located under the hood.

Here is a guide to help you test the relay

https://www.2carpros.com/articles/how-to-check-an-electrical-relay-and-wiring-control-circuit

Here are the fuse and relay locations

Check out the diagrams (Below)

Please let us know if you need anything else to get the problem fixed.

Cheers
Was this
answer
helpful?
Yes
No
+1
Wednesday, April 17th, 2019 AT 11:40 AM (Merged)
Tiny
TEXACA
  • MEMBER
  • 37 POSTS
Wow. Thanx that was a fast response. Thank you very much for your assistance. I was asking for a friend of mind. I'm not working on the car, a friend of his is. And, they were not sure where the relay was located. I had an general idea of where it should be. I'll forward your diagram to him. Thanx again, HMAC300
Was this
answer
helpful?
Yes
No
Wednesday, April 17th, 2019 AT 11:40 AM (Merged)

Please login or register to post a reply.