Rear brake piston compress with a clamp?

Tiny
JKM1667
  • MEMBER
  • 1999 TOYOTA CAMRY
  • 6 CYL
  • FWD
  • AUTOMATIC
  • 190,000 MILES
Does the rear brake piston compress with a clamp, or do you need a reset tool?
Friday, March 6th, 2009 AT 1:22 PM

2 Replies

Tiny
ASEMASTER6371
  • MECHANIC
  • 52,796 POSTS
Good afternoon,

No, the piston just pushes back. I attached the procedure and some pictures for you.

https://www.2carpros.com/articles/how-to-replace-rear-brake-pads-and-rotors

Roy

REPLACEMENT
1. REMOVE REAR WHEEL
Remove the wheel and temporarily fasten the disc with the hub nuts.

imageOpen In New TabZoom/Print

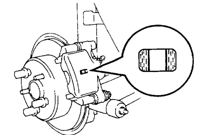
2. INSPECT PAD LINING THICKNESS
Check the pad thickness through the caliper inspection hole and replace pads if not within specification.
Minimum thickness: 1.0 mm (0.039 inch)

imageOpen In New TabZoom/Print

3. LIFT UP CALIPER
a. Remove the bolt and flexible hose from the bracket.
b. Remove the installation bolt from the torque plate.
c. Lift up the caliper and suspend it securely.

HINT: Do not disconnect the flexible hose.

4. REMOVE 2 BRAKE PADS
5. REMOVE 4 ANTI-SQUEAL SHIMS
6. REMOVE 4 PAD SUPPORT PLATES

NOTICE: The support plates can be used again provided that they have sufficient rebound, no deformation, cracks or wear, and have had all rust, dirt and foreign particles cleaned off.

7. CHECK DISC THICKNESS AND RUNOUT.
8. INSTALL 4 PAD SUPPORT PLATES
9. INSTALL NEW PADS

NOTICE: When replacing worn pads, the anti-squeal shims must be replaced together with the pads.

a. Apply disc brake grease to both side of the inner anti squeal shims.
b. Install the 2 anti-squeal shims on each pad.
c. Install 2 pads with the pad wear indicator plate facing upward.

NOTICE: There should be no oil or grease adhering to the friction surfaces of the pads or the disc.

imageOpen In New TabZoom/Print

10. INSTALL CALIPER
a. Draw out a small amount of brake fluid from the reservoir.
b. Press in the piston with a hammer handle or similar implement.

HINT: If the piston is difficult to push in, loosen the bleeder plug and push in the piston while letting some brake fluid escape.

c. Install the caliper and torque the installation bolt.
Torque: 20 Nm (200 kgf-cm, 14 ft. lbs.)
d. Install the flexible hose and bolt to the bracket.
Torque: 29 Nm (300 kgf-cm, 21 ft. lbs.)
11. INSTALL REAR WHEEL
Torque: 103 Nm (1.050 kgf-cm, 76 ft. lbs.)
12. DEPRESS BRAKE PEDAL SEVERAL TIMES
13. CHECK THAT FLUID LEVEL IS AT MAX LINE
Was this
answer
helpful?
Yes
No
Friday, March 5th, 2021 AT 10:34 AM
Tiny
DANNY L
  • MECHANIC
  • 5,648 POSTS
Hello, I'm Danny.

Here is a YouTube video from our site showing you how to compress both the conventional push -in and ratcheting style rear caliper piston when performing a brake job:

https://youtu.be/j8YwfSKEzZo

Hope this helps and thanks for using 2CarPros.
Was this
answer
helpful?
Yes
No
Friday, March 5th, 2021 AT 10:34 AM

Please login or register to post a reply.