Alarm system problems?

Tiny
DNSPARKS
  • MEMBER
  • 1999 TOYOTA CAMRY
Is there any way to disconnect the alarm system! It goes off all by itself day or night!
Tuesday, February 3rd, 2009 AT 12:25 PM

53 Replies

Tiny
ZACKMAN
  • MECHANIC
  • 4,202 POSTS
Is it factory or aftermarket alarm? If an aftermarket alarm has been installed cut it out and reconnect the wires the way the factory had it, if its a factory alarm it could have a door switch that is not adjusted. With the alarm set try to pull on each door it see if the alarm goes off. This would be the door that's needs a new latch.

This guide can help reset the system

https://www.2carpros.com/articles/how-to-reset-a-security-system

Here are some guides and diagrams (below) so you can do some checking and get the problem fixed.Please let us know what happens so we can keep helping you.
Was this
answer
helpful?
Yes
No
+5
Tuesday, February 3rd, 2009 AT 3:34 PM
Tiny
DNSPARKS
  • MEMBER
  • 2 POSTS
It is factory installed, model is ( le ) and it is a 4 cyl. Can the alarm system be permanently uninstalled?

Denise
Was this
answer
helpful?
Yes
No
+8
Wednesday, February 4th, 2009 AT 8:09 AM
Tiny
ZACKMAN
  • MECHANIC
  • 4,202 POSTS
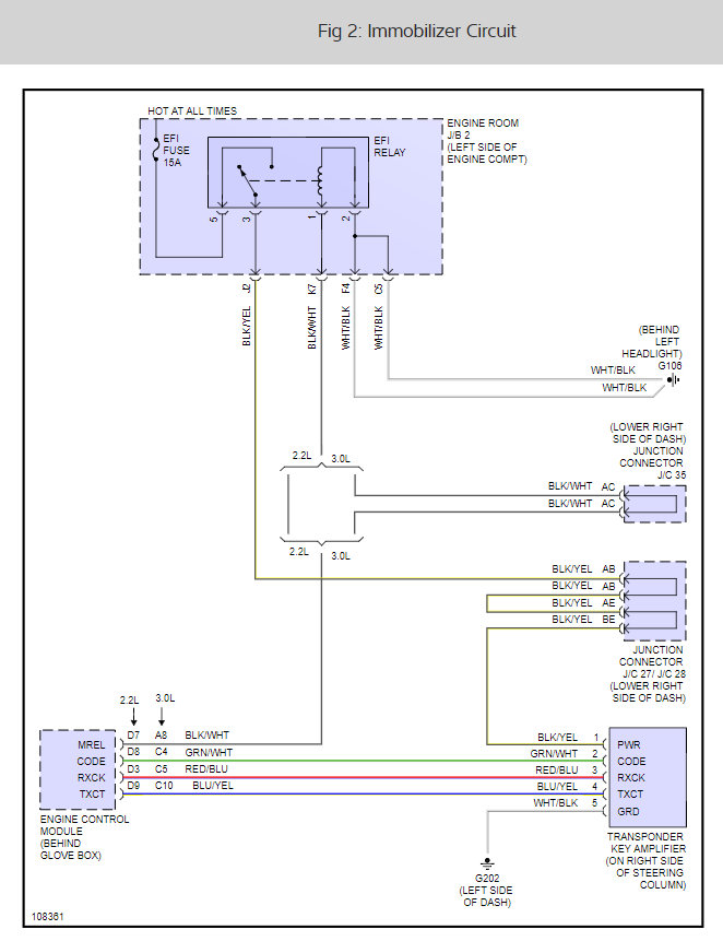
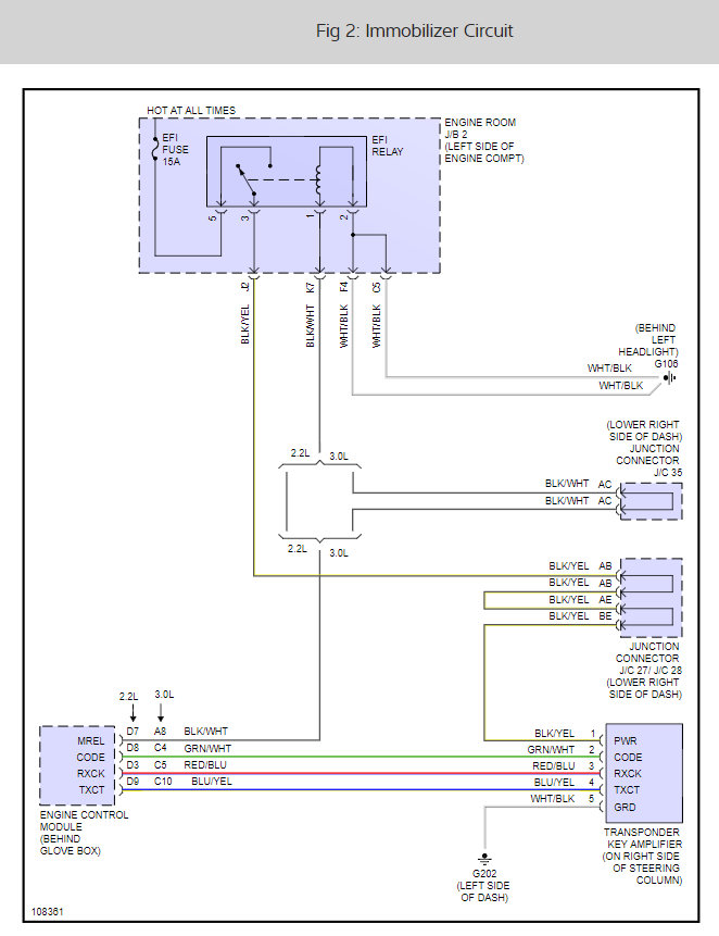
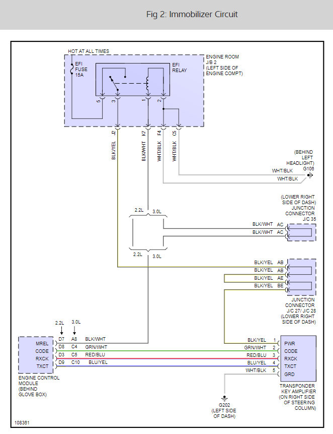
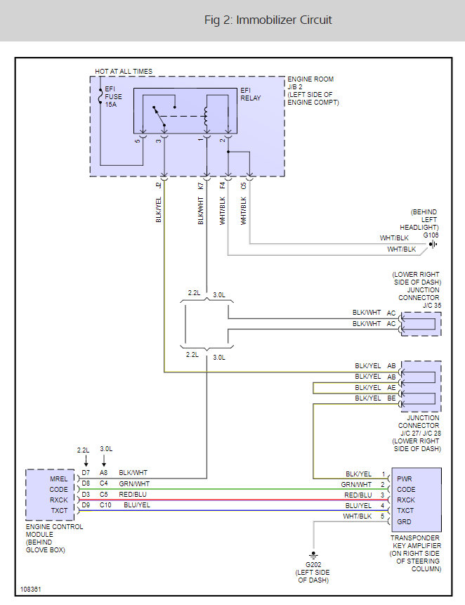
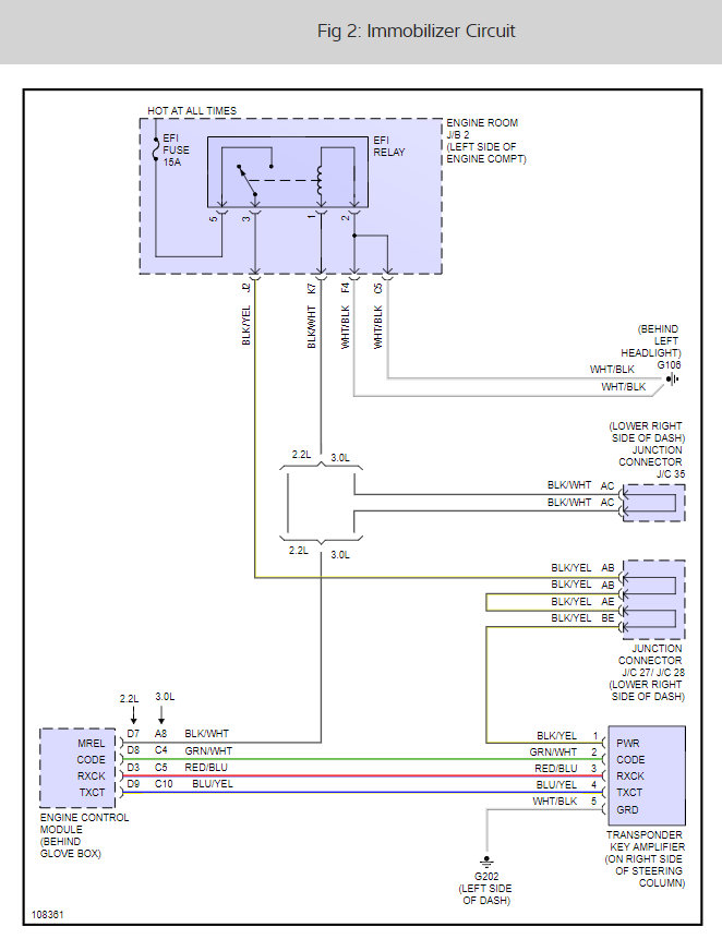
After reading the wiring diagrams for the anti-theft, power door lock, power windows, and keyless entry system, it is inadvisable that you unplug the anti-theft ECU. I believe all operations I have mentioned go through the ECU to work.

The diagnostic in the TSB suggests that you check the anti-theft horn (#4l) and its fuse (#1) in the picture. Here is the caveat. You may either pull the fuse or unplug the horn wiring harness. That will be safer than unplugging the ECU.


https://www.2carpros.com/forum/automotive_pictures/55316_99camryalarm1_1.jpg



The alarm ECU and its wiring harnesses.


https://www.2carpros.com/forum/automotive_pictures/55316_99camryalarm_1.jpg



https://www.2carpros.com/forum/automotive_pictures/55316_99camryalarm_2.jpg

Was this
answer
helpful?
Yes
No
+5
Wednesday, February 4th, 2009 AT 11:24 AM
Tiny
KEN L
  • MASTER CERTIFIED MECHANIC
  • 54,942 POSTS
Hey DNSPARKS,

It is usually an aftermarket alarm that go off on there own, does it have a security light that flashes in the instrument cluster?

Best, Ken
Was this
answer
helpful?
Yes
No
+17
Friday, January 27th, 2017 AT 1:51 AM
Tiny
BIGJIM412
  • MEMBER
  • 1 POST
  • 1999 TOYOTA CAMRY
  • 4 CYL
  • AUTOMATIC
  • 94,000 MILES
Im having problems with my 1999 Toyota Camery LE. My problem seems to be in the electrical system I think.I put my battery charger on it and the battery read ok 12volts. When I hook up the battery charger and start the car up the security alarm lights up and the alarm goes off if I turn the car off it won, t start up again unless I use the battery charger. Is it some were in my electrical system? Some were my power is being drained could you help me thank Jim Mc
Was this
answer
helpful?
Yes
No
Monday, July 27th, 2020 AT 1:24 PM (Merged)
Tiny
KHLOW2008
  • MECHANIC
  • 41,814 POSTS
How old is the battery?
Battery has to have at least 12.4 volts and must be more than 11 volts when ignition is turned to START.

I believe you have a bad battery or loose connections.
Was this
answer
helpful?
Yes
No
-1
Monday, July 27th, 2020 AT 1:25 PM (Merged)
Tiny
NEESIE
  • MEMBER
  • 1 POST
  • 1999 TOYOTA CAMRY
  • 125,000 MILES
One of my remotes to open my car and turn off the alarm broke. The other one had problems in the past. Now my alarm goes off any time I get near my Camry or jiggle the remote. Sometimes just lightly tapping the bottom of the remote will stop the alarm. The car will start locking and unlocking by itself over and over, which will set the alarm off. I don't have hundreds of dollars to fix this. Could I just need a new remote or is it the computer? The dealer charges 3 times as much as anyone else to fix anything. Help.
Was this
answer
helpful?
Yes
No
Monday, July 27th, 2020 AT 1:25 PM (Merged)
Tiny
HMAC300
  • MECHANIC
  • 48,601 POSTS
Try a new remote an dsetting it up like it's supposed to be. Any car alarm company should be able to help you out.
Was this
answer
helpful?
Yes
No
Monday, July 27th, 2020 AT 1:25 PM (Merged)
Tiny
BENJAMIN.ALLEN
  • MEMBER
  • 4 POSTS
  • 1999 TOYOTA CAMRY
  • 4 CYL
  • FWD
  • AUTOMATIC
  • 120,000 MILES
My camry came with an alarm that if it goes off then it emobilizes the engine and you have to stick the key in and hit the little res relay swich on the left side of the dash. This time the alrm went off and I stuck the key in and hit the relay switch and everything died no power to anything. The car sat for a while and then I went to try it again I charged the battery hooked it back up the alarm went off I stuck the key in and hit the relay switch and the same thing happened how do I find out what the problem is when this happens I'm not able to get any power to the car for a while I have to take the battery off for a while then hook it up to get power, but the when I stick the key in and hit the relay it starts all over again
Was this
answer
helpful?
Yes
No
Monday, July 27th, 2020 AT 1:25 PM (Merged)
Tiny
CARADIODOC
  • MECHANIC
  • 34,422 POSTS
It sounds llike you might just have a weak or dead battery. Are the headlights bright before you try to start the engine? I assume this is an aftermarket alarm system since factory systems don't use reset switches.

The battery cables could also be loose or dirty. If jump-starting doesn't help, grab a cheap digital voltmeter and measure battery voltage. I can walk you through that if you need help.

Caradiodoc
Was this
answer
helpful?
Yes
No
-1
Monday, July 27th, 2020 AT 1:25 PM (Merged)
Tiny
BENJAMIN.ALLEN
  • MEMBER
  • 4 POSTS
I have checked the battery already the battery is fine.
Was this
answer
helpful?
Yes
No
Monday, July 27th, 2020 AT 1:25 PM (Merged)
Tiny
CARADIODOC
  • MECHANIC
  • 34,422 POSTS
Dandy.

When you said, "I'm not able to get any power to the car for a while I have to take the battery off for a while then hook it up to get power", do you mean no power to the starter, or does that include headlights, dome lights, and stuff like that?

Caradiodoc
Was this
answer
helpful?
Yes
No
Monday, July 27th, 2020 AT 1:25 PM (Merged)
Tiny
BENJAMIN.ALLEN
  • MEMBER
  • 4 POSTS
Eveything looses power
Was this
answer
helpful?
Yes
No
+1
Monday, July 27th, 2020 AT 1:25 PM (Merged)
Tiny
BENJAMIN.ALLEN
  • MEMBER
  • 4 POSTS
Everything shuts off
Was this
answer
helpful?
Yes
No
Monday, July 27th, 2020 AT 1:25 PM (Merged)
Tiny
CARADIODOC
  • MECHANIC
  • 34,422 POSTS
Ok. Do you have a digital voltmeter or test light that you can take some measurements with?

Start on the two battery posts. You should see near 12.6 volts if the battery is fully charged. Turn the headlight switch on. We want to make these measurements when everything is dead, but to be safe, leave the headlight switch turned on. By the way, if you bump or wiggle something and the lights come on, look very closely where you're working. Tiny sparks too will be a clue.

If the battery voltage is low, say around 10 - 11 volts, the battery has a dead cell and must be replaced or it is discharged and must be recharged before continuing. If the voltage is around 12.6 volts, move the probes, one at a time, from the battery post to the cable clamp on each post. Both times when you move a probe, you must see the same voltage. If the reading drops when you measure on one of the clamps, that clamp is loose or has corrosion in the connection.

Start with those measurements. If you always read 12 volts, we will need to keep moving the meter probes down the cables to more test points until we find where the voltage drops.

Caradiodoc
Was this
answer
helpful?
Yes
No
Monday, July 27th, 2020 AT 1:25 PM (Merged)
Tiny
WARRENT
  • MEMBER
  • 1 POST
  • 1998 TOYOTA CAMRY
  • 6 CYL
  • 2WD
  • AUTOMATIC
  • 72,000 MILES
I installed a new battery in my sister's Camry - she bought it used - as above. As soon as I connected it - the horn started. And the starter will not work. How can I turn off alarm. She has three keys - two are marked the same, one has an extra.
Was this
answer
helpful?
Yes
No
Monday, July 27th, 2020 AT 1:26 PM (Merged)
Tiny
2CARPRO JACK
  • MECHANIC
  • 11,533 POSTS
Hello,

DIsconnect the battery for 1 hour then connect it with the key on this should disarm the security system.

This guide can help as well

https://www.2carpros.com/articles/how-to-reset-a-security-system

Please run down this guide and report back.
Was this
answer
helpful?
Yes
No
+1
Monday, July 27th, 2020 AT 1:26 PM (Merged)
Tiny
EJSTADLER
  • MEMBER
  • 0 POST
Thank you for this post worked perfect!
Was this
answer
helpful?
Yes
No
+1
Monday, July 27th, 2020 AT 1:26 PM (Merged)
Tiny
TIFFANYMORENO
  • MEMBER
  • 2 POSTS
  • 1997 TOYOTA CAMRY
  • 6 CYL
  • 2WD
  • AUTOMATIC
  • 150,000 MILES
My car died at the store, got someone to jump start it and the alarm activated itself. I havent used it in over 6 months because of the key pad. How can I disconnect or turn off the alarm to start the car?
Was this
answer
helpful?
Yes
No
+2
Monday, July 27th, 2020 AT 1:27 PM (Merged)
Tiny
2CARPRO JACK
  • MECHANIC
  • 11,533 POSTS
Ifit is a factory alarm, locking and unlocking either th edrivers door or thetrunk will reset it. If aftermarket, you may need to have it removed/by passed, it is a fairly simple job.
Was this
answer
helpful?
Yes
No
-1
Monday, July 27th, 2020 AT 1:27 PM (Merged)

Please login or register to post a reply.