Wednesday, November 5th, 2008 AT 8:15 AM
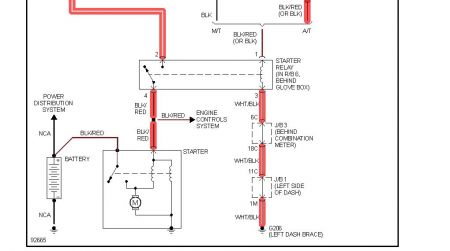
The car starts only when it wants to. When it does not start the engine does not crank, nothing happens. When it starts the engine cranks and starts immediately. We checked the battery, alternator, changed the wires. Could it be the ignition coil? If it is the coil do we need to pull the distributor to replace it?


