Keyless Entry system

Tiny
EDWOOSR667
  • MEMBER
  • 2004 TOYOTA AVALON
  • V6
  • 2WD
  • AUTOMATIC
  • 189,000 MILES
Hello, I purchased this car about 2 months ago. The problem is the original remote key fob which I only have one, worked okay for about a month then it started working sometimes then not at all. I checked the battery, it read 3.6v okay, next I bought a new remote key fob online with matching numbers on the old one, when I put the car in program mode and followed program instructions the door locks cycle (lock/unlock 2 times) it did not pair. So, I changed the door control receiver module which I got the same results not pairing what could the problem?
Question 2.
if I install a Car Security System Alarm with Keyless Entry, will the new system Keyless Entry use its own signal to lock and unlock doors, or does it use signal from the Toyota system?
Tuesday, December 28th, 2021 AT 12:16 PM

8 Replies

Tiny
JACOBANDNICKOLAS
  • MECHANIC
  • 110,192 POSTS
Hi,

There was a technical service bulletin that indicates two of the steps need to be reversed on the Avalon.

I've attached the most updated TSB that I could find. Take a look through it and let me know if it helps.

Take care,

Joe

See pics below.
Was this
answer
helpful?
Yes
No
Tuesday, December 28th, 2021 AT 5:54 PM
Tiny
EDWOOSR667
  • MEMBER
  • 23 POSTS
Sorry for the slow response. Thanks for the info.
Was this
answer
helpful?
Yes
No
Wednesday, December 29th, 2021 AT 4:51 PM
Tiny
JACOBANDNICKOLAS
  • MECHANIC
  • 110,192 POSTS
Hi,

No problem whatsoever, and you are very welcome. Has the problem been resolved? I'm interested in knowing if that took care of the issue.

Joe
Was this
answer
helpful?
Yes
No
Wednesday, December 29th, 2021 AT 5:36 PM
Tiny
EDWOOSR667
  • MEMBER
  • 23 POSTS
Not yet it's my wife's car, so I have to wait until she keeps still, I will let you know soon.
Was this
answer
helpful?
Yes
No
Wednesday, December 29th, 2021 AT 6:33 PM
Tiny
EDWOOSR667
  • MEMBER
  • 23 POSTS
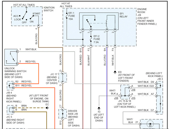
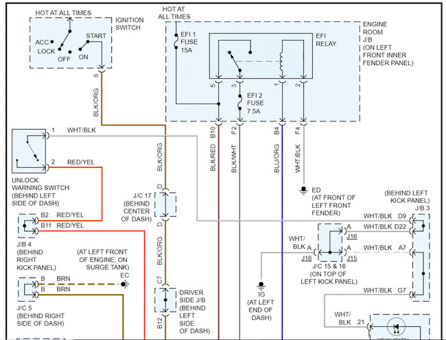
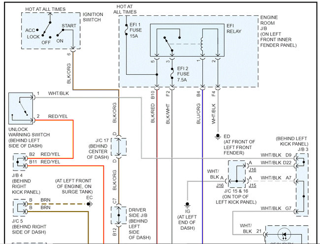
Hello Joe, we have returned the new key fobs and decided to install a Car Security System Alarm with Keyless Entry and bypass the Toyota Keyless Entry system hoping this will solve the problem. Do you have a car alarm-wiring-diagram for the Avalon?
Was this
answer
helpful?
Yes
No
Wednesday, December 29th, 2021 AT 8:34 PM
Tiny
JACOBANDNICKOLAS
  • MECHANIC
  • 110,192 POSTS
Hi,

Yep, I have them. Please sit down before reviewing the schematics. LOL

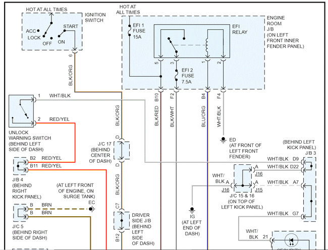
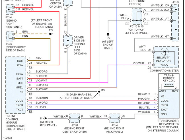
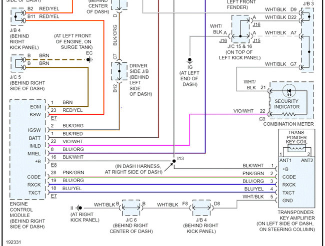
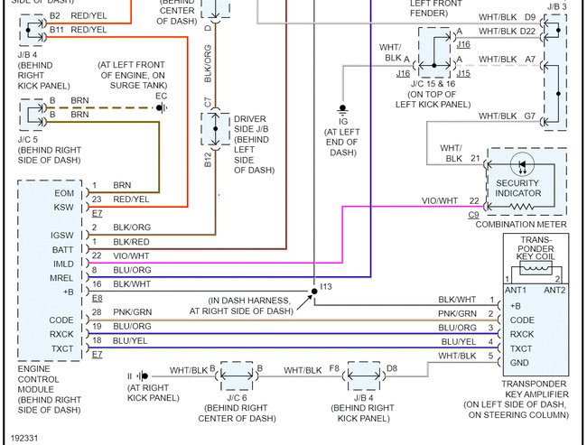
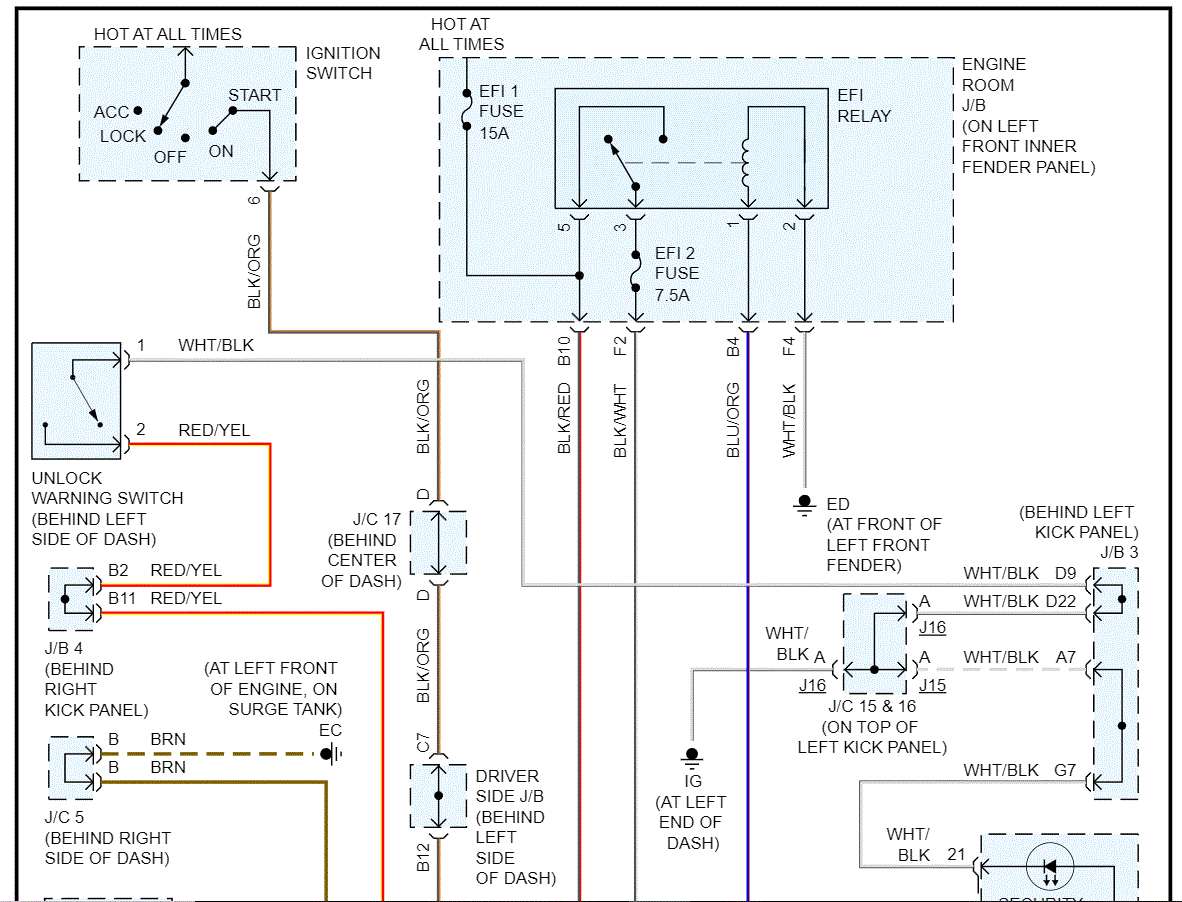
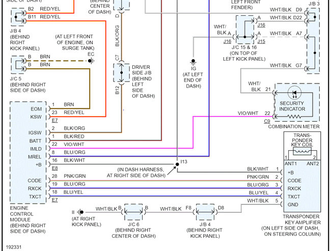
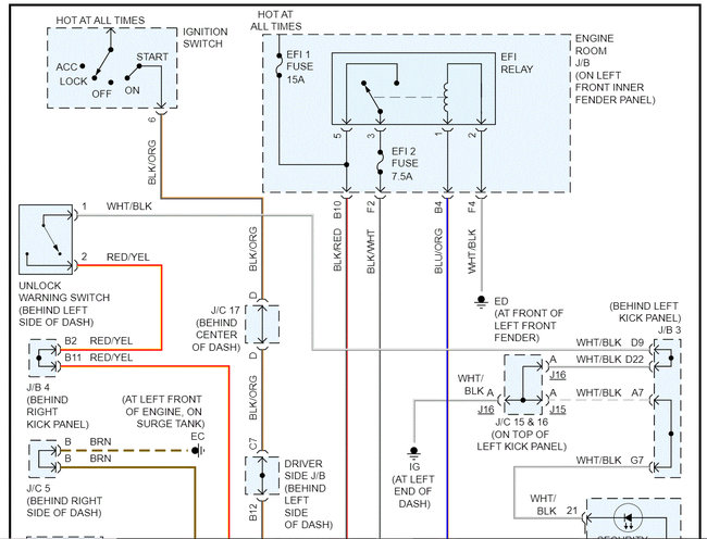
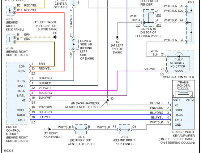
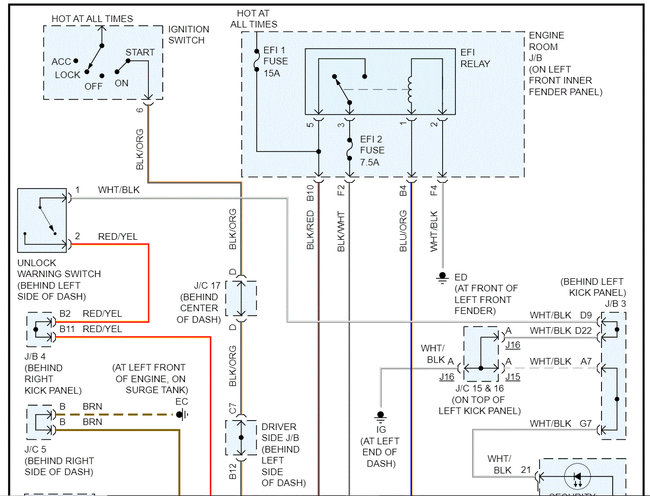
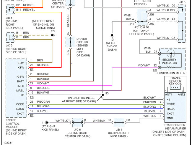
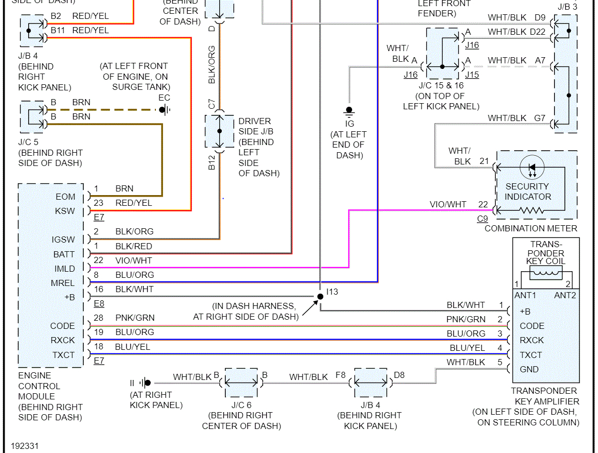
The first 2 pics are for the anti-theft immobilizer and pics 3 and 4 are the forced entry schematics.

Let me know what I can do to help.

Joe

See pics below.
Was this
answer
helpful?
Yes
No
Wednesday, December 29th, 2021 AT 10:15 PM
Tiny
EDWOOSR667
  • MEMBER
  • 23 POSTS
Thanks a lot, we ordered a Security System from online by the time I get it I have time to review the schematics, I will get back to you soon.
Was this
answer
helpful?
Yes
No
Wednesday, December 29th, 2021 AT 10:46 PM
Tiny
JACOBANDNICKOLAS
  • MECHANIC
  • 110,192 POSTS
You're very welcome. Take care, have a great New Year, and let me know how things turn out for you.

Joe
Was this
answer
helpful?
Yes
No
Thursday, December 30th, 2021 AT 2:45 PM

Please login or register to post a reply.