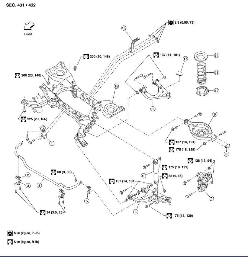
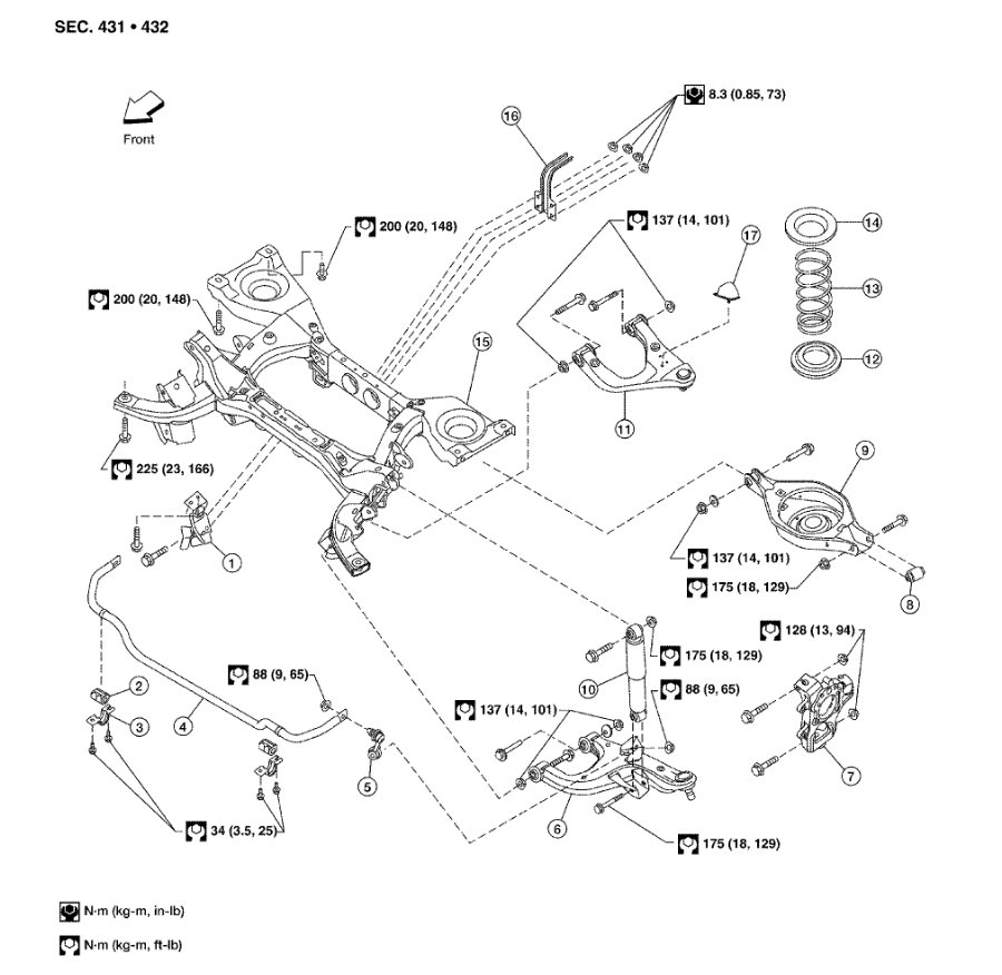
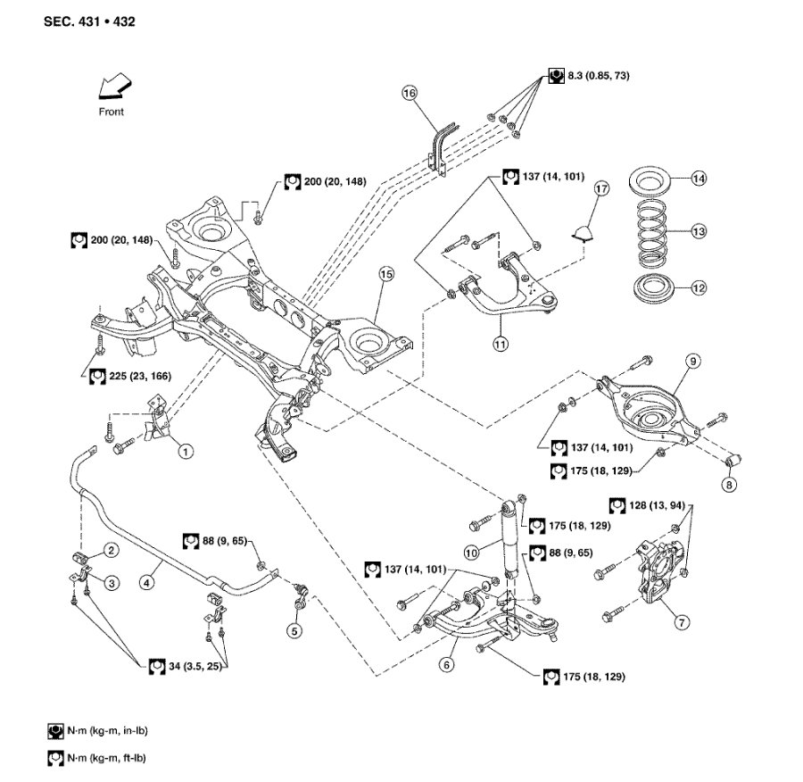
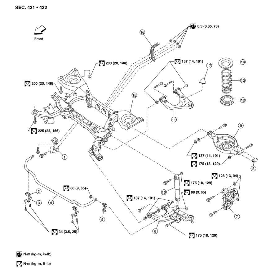
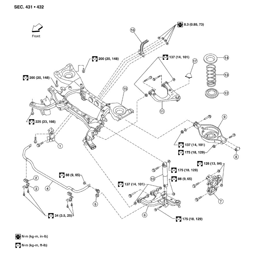
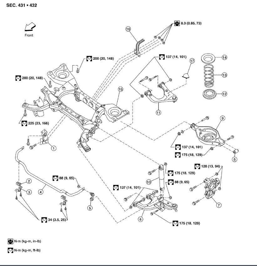
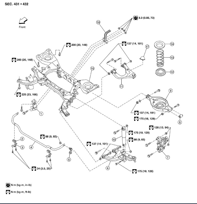
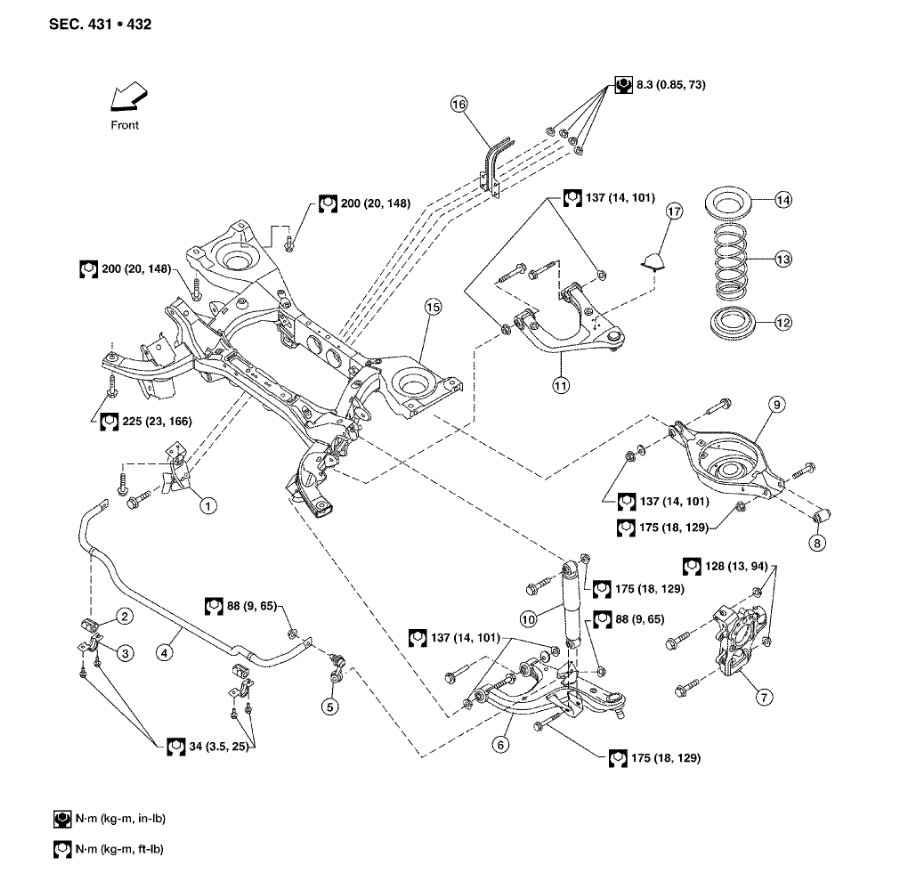
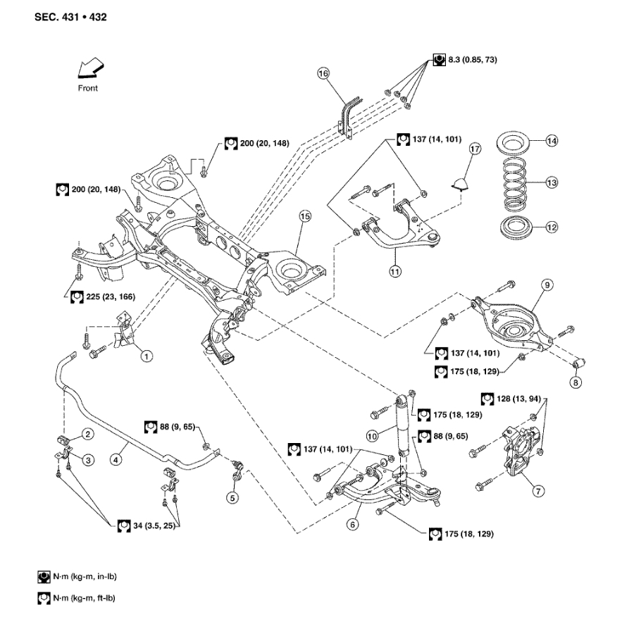
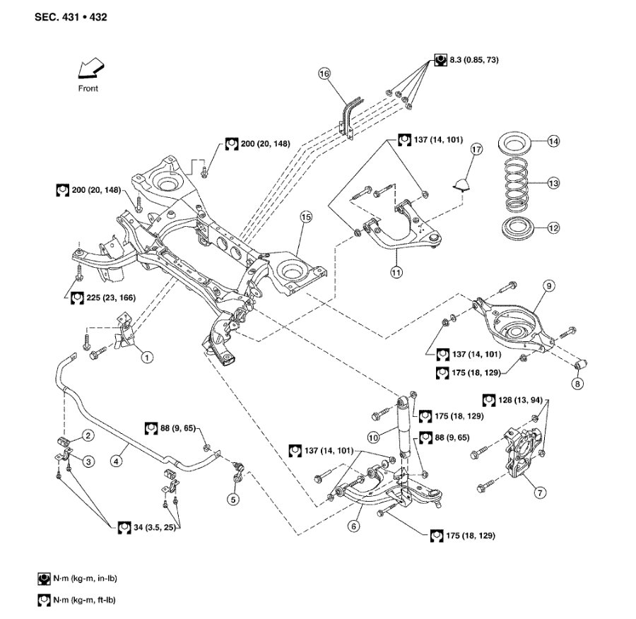
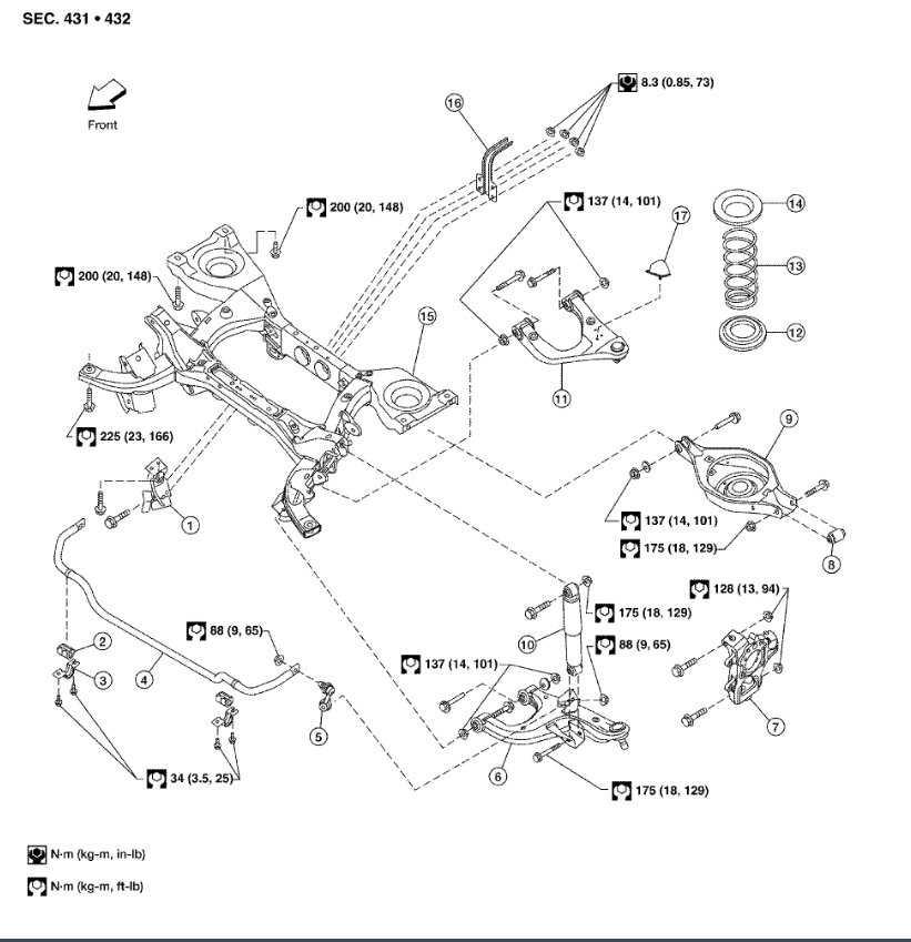
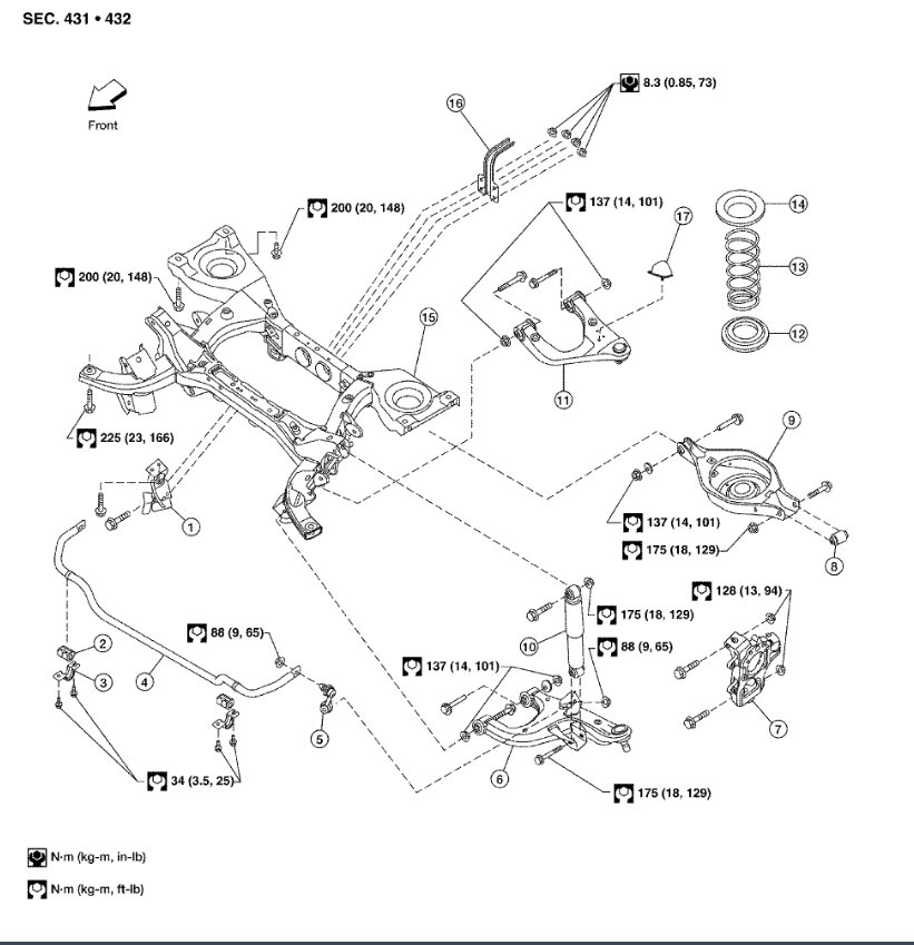
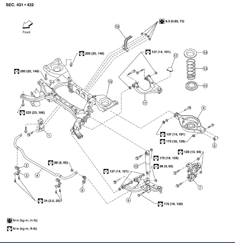
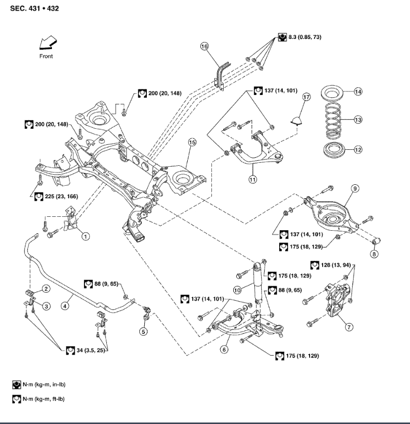
Just installed rear shocks and ordered upper and lower control arms due to rusted out old ones (had holes 4 - 6 inches long on lowers and at the shock mounts). Looking for a diagram or list of all torque specs. Will also be changing both stabilizer bar end links. Will be tackling the front as soon as I'm done with the rear, so a diagram or list of the font torque specs would be much welcomed.
Thanks so much, Bob
Thanks so much, Bob
Aug 20, 2022 at 8:28 AM






