HOME
ASK A QUESTION
REPAIR GUIDES
BECOME A MEMBER
LOG IN
Login with Facebook
OR
Remember me
NOT A MEMBER?
FORGOT PASSWORD?
CONTACT US
PRIVACY POLICY
TERMS AND CONDITIONS
☰
Home
Nissan
Maxima
Suspension
Lower Control Arm
Control arms torque specs needed
DMACKZ56
MEMBER
2013 NISSAN MAXIMA
133,619 MILES
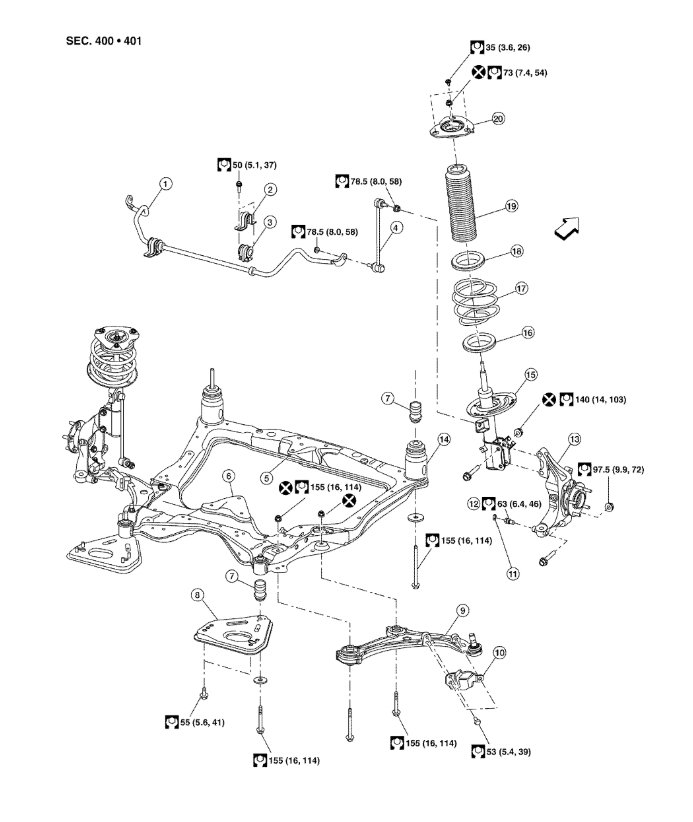
Need torque specs for front lower control arms.
Thursday, November 14th, 2019 AT 8:01 AM
1 Reply
KASEKENNY
MECHANIC
18,907 POSTS
I attached the exploded view which shows the torque specs (second number). Let me know if you have more questions. Check out the diagrams (Below). Please let us know what happens. Thanks
Images (Click to make bigger)
Was this
answer
helpful?
Yes
No
+3
Thursday, November 14th, 2019 AT 5:36 PM
Please
login
or
register
to post a reply.
Related Lower Control Arm Content
1999 Nissan Maxima Change Suspension On My Car But...
Hi On My Maximai Change Tierods And Lower Control Arms And Ball Joints And Alined The Car Too But It Still Pulls To Any Side And Feels Like...
Asked by
Xmar
·
3 ANSWERS
1999
NISSAN MAXIMA
1994 Nissan Maxima Rear Struts/shocks
Suspension Problem 1994 Nissan Maxima V6 Front Wheel Drive Manual 205000 Miles My Vehicle Needs Rear Shocks Or Struts. I Don't Have...
Asked by
zaphod666
·
1 ANSWER
1994
NISSAN MAXIMA
1989 Nissan Maxima Strut Problem?
The Front Left Side Of Front End Has Dropped Down Low And Locked In Place. Car Wants To Take A Sharp Left And I Have To Steer Right To Go...
Asked by
RonD5
·
1 ANSWER
1989
NISSAN MAXIMA
1996 Nissan Maxima Strut Diagram
1996 Nissan Maxima Looking For A Diagram Or A Website With A Diagram Of How To Put A Strut Together.
Asked by
hilz86
·
1 ANSWER
1996
NISSAN MAXIMA
Amazon Claims That Front Strut Assemblies From Fcs (...
Amazon Claims That Front Strut Assemblies From Fcs (part # 1331596) Are Compatible With A 2001 Maxima. The Fcs Website Identifies Another...
Asked by
behred
·
2 ANSWERS
2001
NISSAN MAXIMA
VIEW MORE
Ask a Car Question. It's Free!
Lower Control Arm Bushing Replacement
Control Arm Bushing Replacement - Lower
Control Arm Replacement - Upper