Convertible top will not close

Tiny
PVISCIONE
  • MEMBER
  • 2003 LEXUS SC 430
  • V8
  • 2WD
  • AUTOMATIC
  • 160,000 MILES
The top wont close.
Wednesday, October 16th, 2019 AT 10:02 AM

4 Replies

Tiny
KASEKENNY
  • MECHANIC
  • 18,907 POSTS
Hi,

This could be a number of things from the more simple items like the top switch, to the motor, or worse yet the frame is bent.

When you press the switch, do you hear anything or does it even attempt to move? If nothing happens then we need to start with checking power at the motor and make sure the motor is getting the signal.

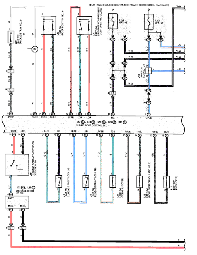
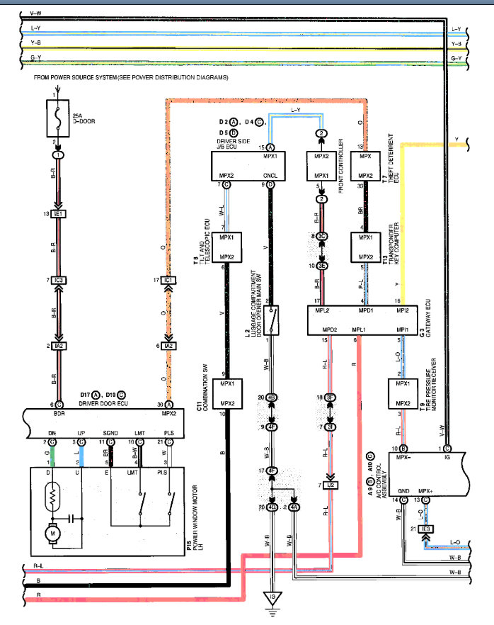
I also included the manual process to close the roof. This is not easy but at least there is a way to get it closed.

Let me know if you have questions. Thanks
Was this
answer
helpful?
Yes
No
+1
Thursday, October 17th, 2019 AT 1:41 PM
Tiny
PVISCIONE
  • MEMBER
  • 3 POSTS
How do I check the power at the motor to make sure the motor is getting the signal? Also I have replaced the right side limit switch#84290-24100. The computer reveled a malfunction of the right side sliding roof close limit switch. It still will not close. The VIN is jthfn48y530038405.
Was this
answer
helpful?
Yes
No
Friday, October 18th, 2019 AT 6:14 AM
Tiny
PVISCIONE
  • MEMBER
  • 3 POSTS
  • 2003 LEXUS SC 430
  • 4.3L
  • V8
  • 2WD
  • AUTOMATIC
  • 162,000 MILES
The luggage cover in the trunk is properly set. The computer reveled a malfunction of the sliding right hand close limit switch. I have replaced it.#84290-24100. It still wont close. I have manually closed it. Now when I press the close button. The motor securely locks it in place. Are there any other switches relevant to the initial closing of the top?Thank you, Philip Viscione
Was this
answer
helpful?
Yes
No
Friday, October 18th, 2019 AT 10:49 AM (Merged)
Tiny
KASEKENNY
  • MECHANIC
  • 18,907 POSTS
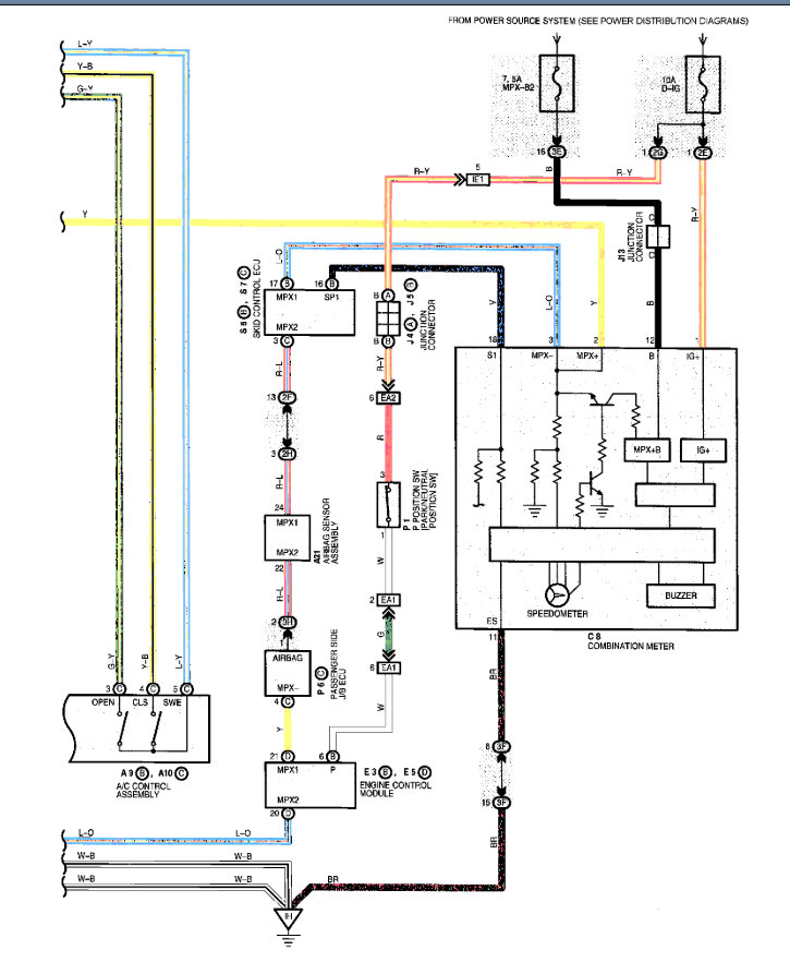
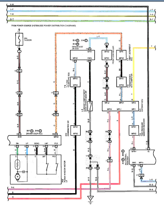
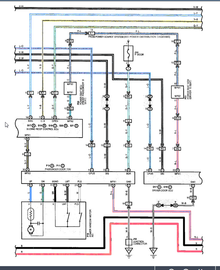
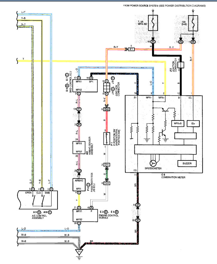
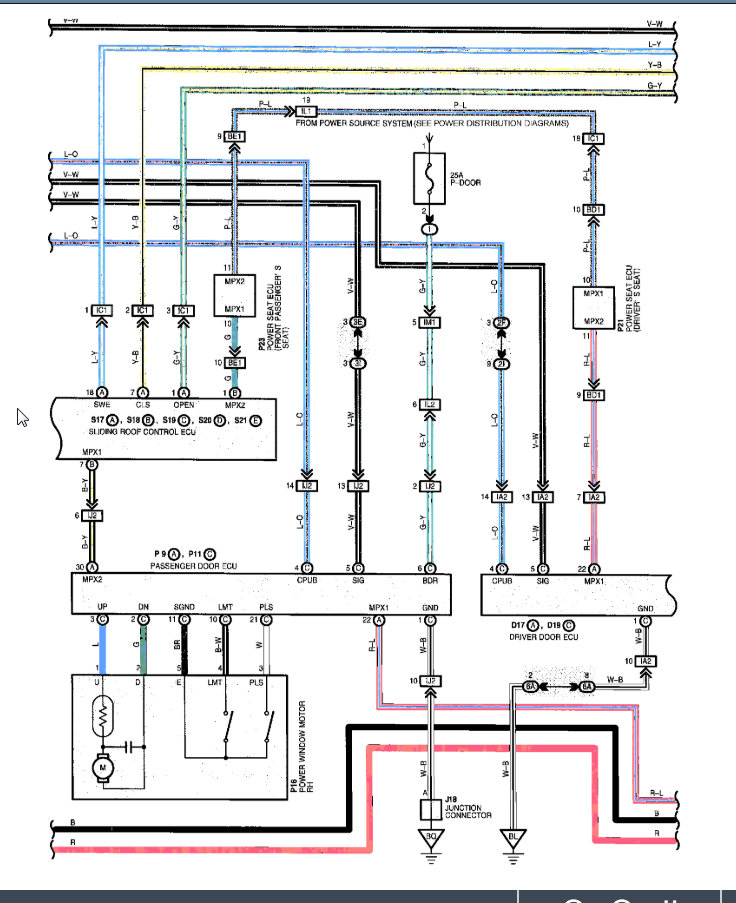
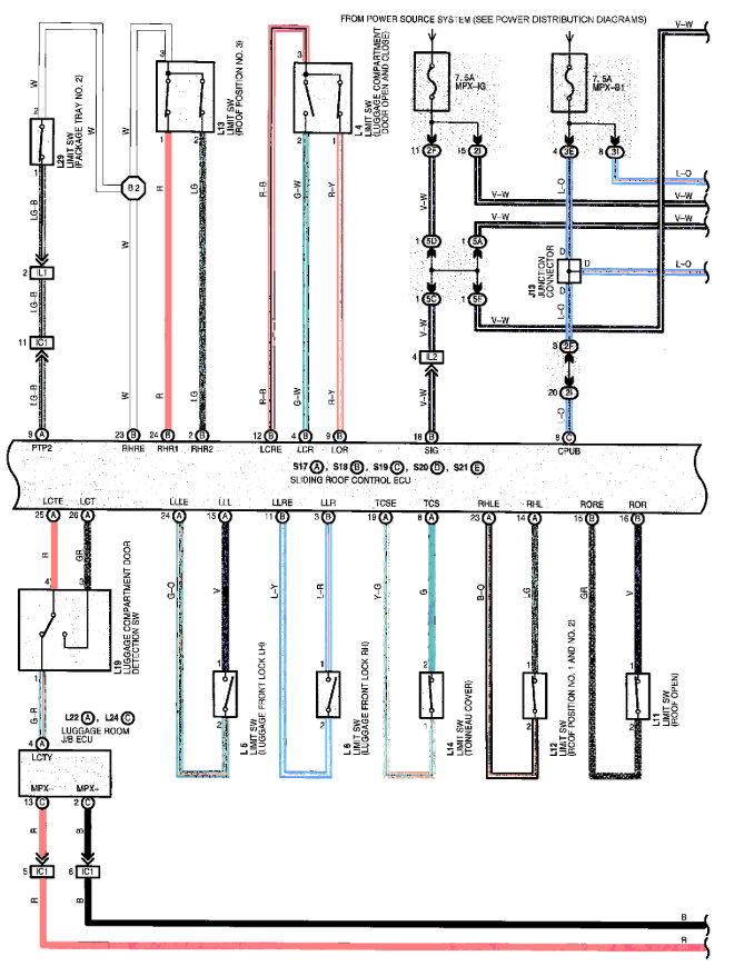
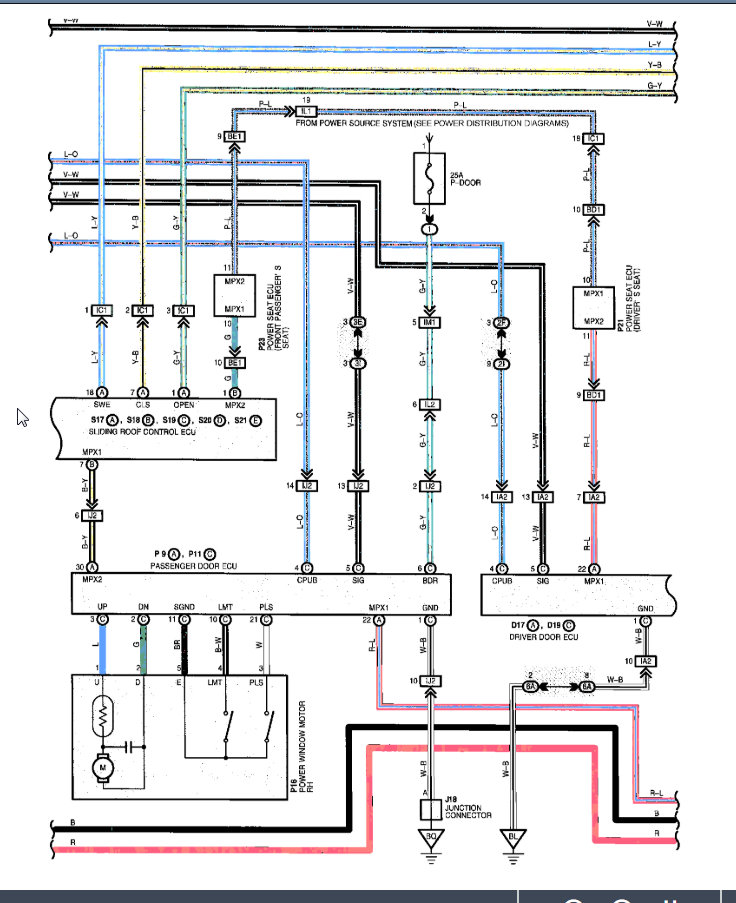
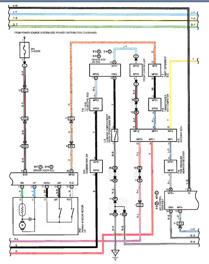
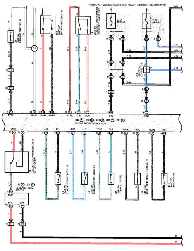
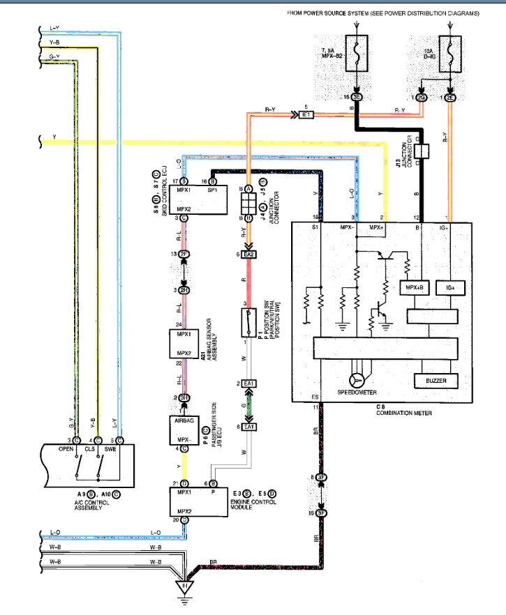
Unfortunately, there are switches for each stage of the process. The only way I know of getting this figured on this vehicle is to hook up a scan tool and then going through the opening and closing process one step at a time. Basically they can command each step and if it doesn't complete or doesn't start they can diagnose that switch or movement of the top.

Without doing it this way, we are just guessing at which portion is the issue. Also it could be the top control module so again, we need to see if the scan tool can communicate with this module in order to go through the process.

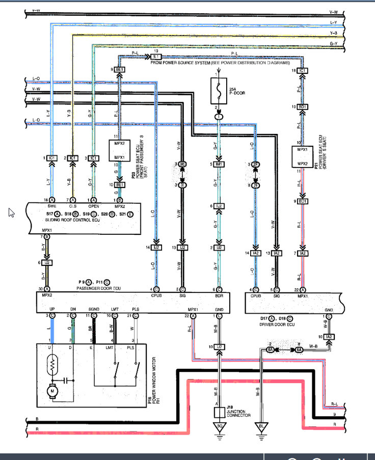
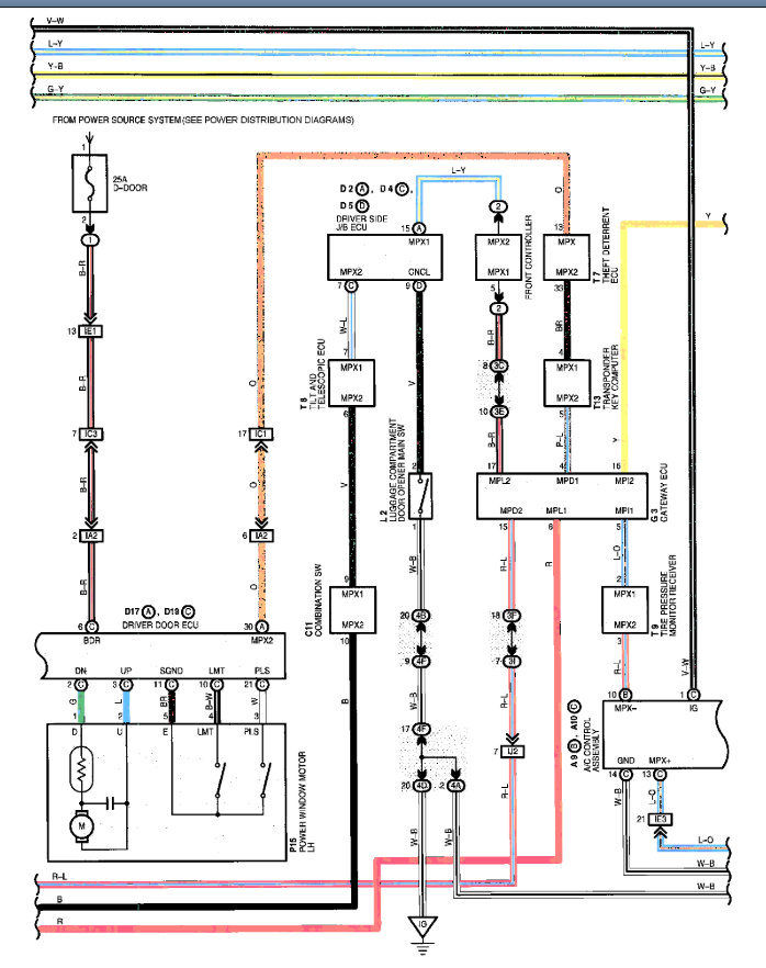
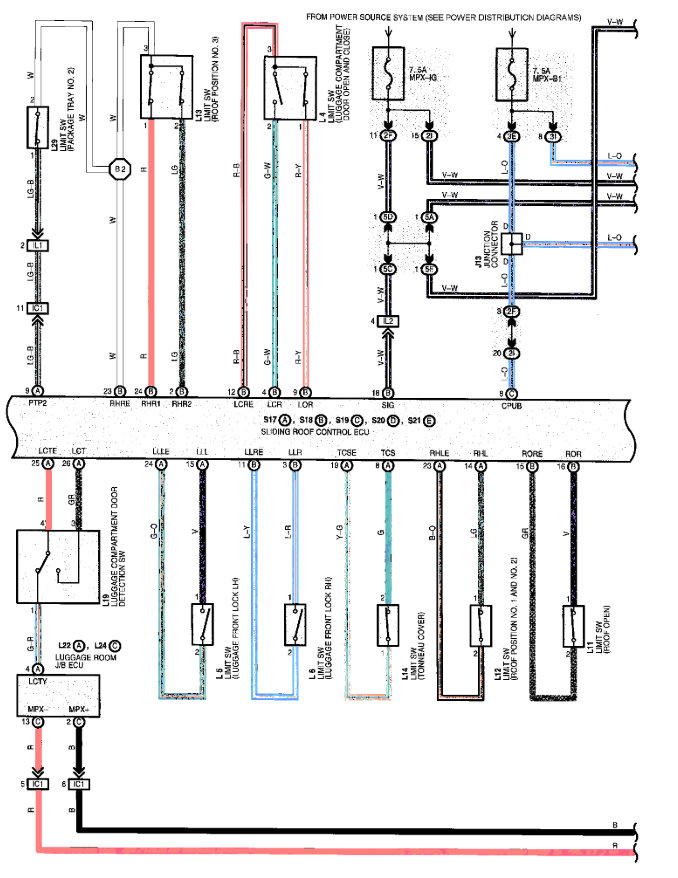
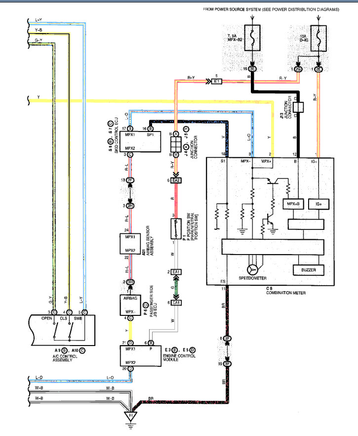
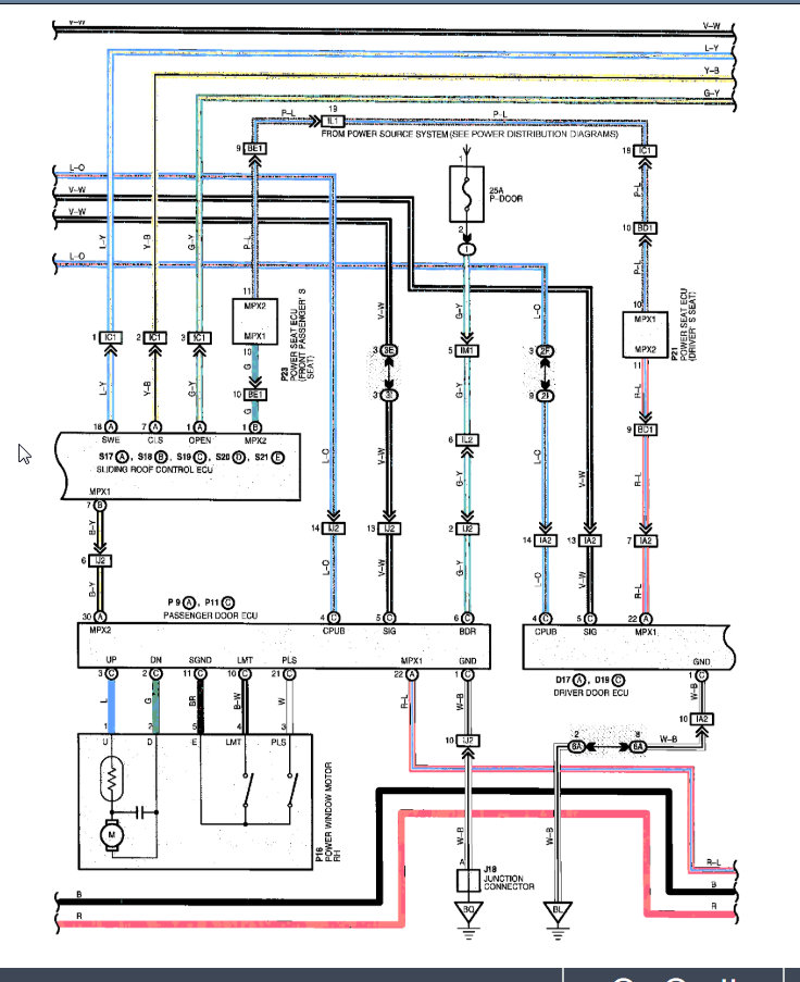
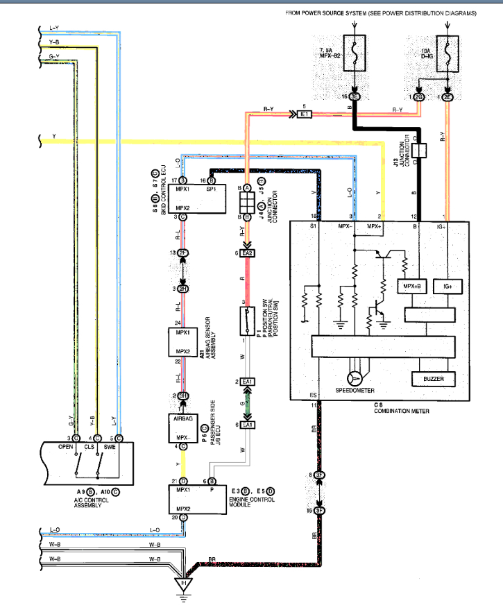
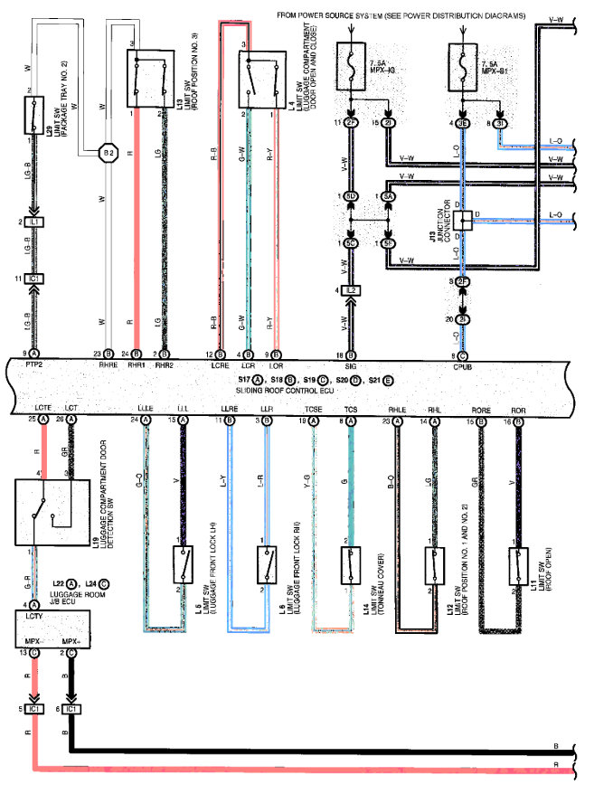
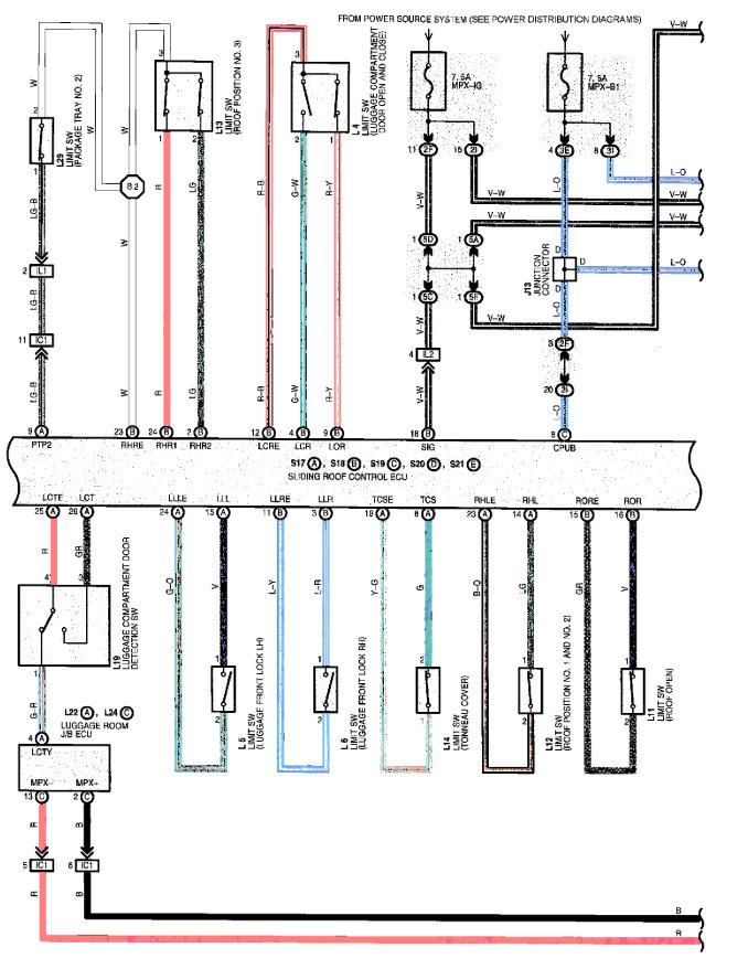
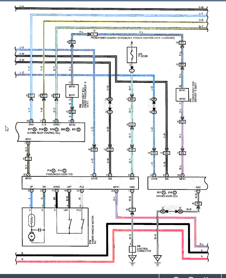
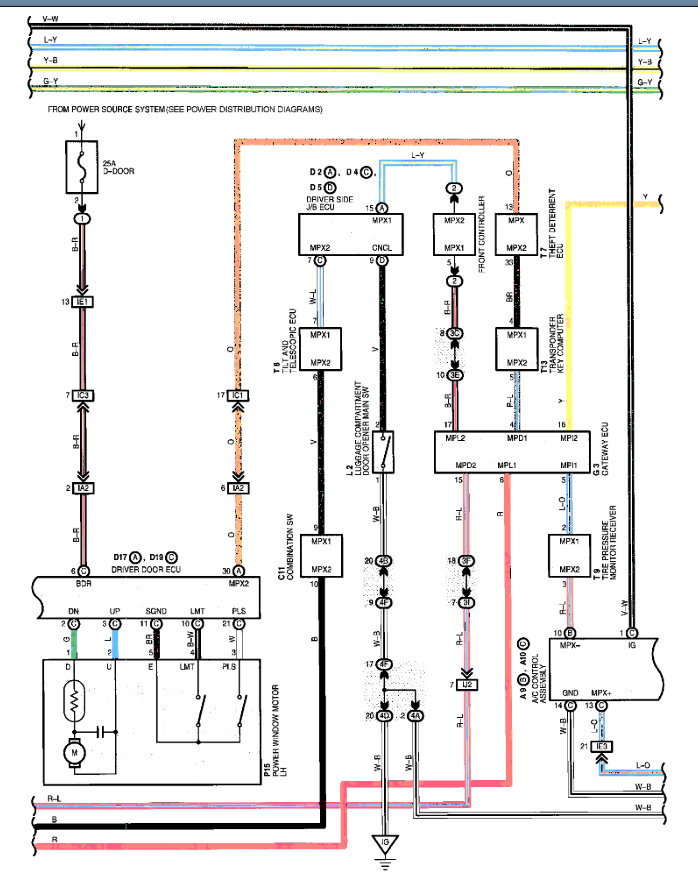
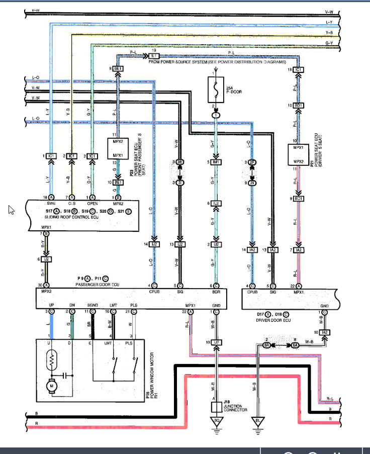
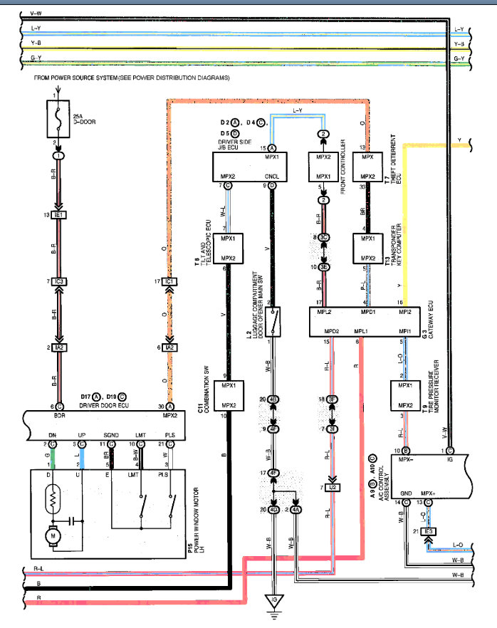
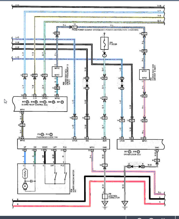
With all that said, look at the first attachment. This is a symptom based diagnosis chart. Do any of these match what you are seeing?
Was this
answer
helpful?
Yes
No
+1
Friday, October 18th, 2019 AT 6:03 PM

Please login or register to post a reply.