I have this code B1805-001 under the top module?

Tiny
BHAMDOC1973
  • MEMBER
  • 2005 MERCEDES BENZ SL500
  • V8
  • 2WD
  • AUTOMATIC
  • 87,000 MILES
I replaced both batteries as it had issues with the. Now all is good, I have this code under the top module. Any idea what it could be? When I click the top open or close, I hear a relay click on the right rear area in trunk. Also, the previous owner had issues so they for some reason disconnected the pump wire, so I connected it, and the code went away, still does not open or close, only that clicking noise. All windows function. A/C head unit and radio do not work, and I think it may be related to one of the fiber optic modules, maybe the TEKEAID. After I deleted everything, I went for a drive and the transmission acts up and I scanned it again and got these codes. I am sure there is a big part of the issues am having being electrical.
Also, there is no relay where the pump is, can you find out if there should be one there?
Tuesday, May 14th, 2024 AT 7:38 AM

8 Replies

Tiny
BHAMDOC1973
  • MEMBER
  • 2,018 POSTS
In the transmission issue I opened the pan plug and one drop of oil came down only, 87,000 miles on it and has zero fluid and leaking I guess.
Was this
answer
helpful?
Yes
No
Tuesday, May 14th, 2024 AT 9:19 AM
Tiny
KEN L
  • MASTER CERTIFIED MECHANIC
  • 55,297 POSTS
The transmission will act weird as it relearns the adaptation, so I don't think it is a problem, the pump motor for the top sounds like it has gone out because you are getting no communication and loss of signal codes. I would remove the top pump motor and disassemble it, then run power and ground to the motor to see if it works, if not you have found the problem. Check out the images (below). Please let us know what happens.
Was this
answer
helpful?
Yes
No
Tuesday, May 14th, 2024 AT 12:23 PM
Tiny
BHAMDOC1973
  • MEMBER
  • 2,018 POSTS
Like I said I think the pump is missing a relay that is why I am asking if there should one be there as it's missing like my picture shows.
Was this
answer
helpful?
Yes
No
Tuesday, May 14th, 2024 AT 12:40 PM
Tiny
KEN L
  • MASTER CERTIFIED MECHANIC
  • 55,297 POSTS
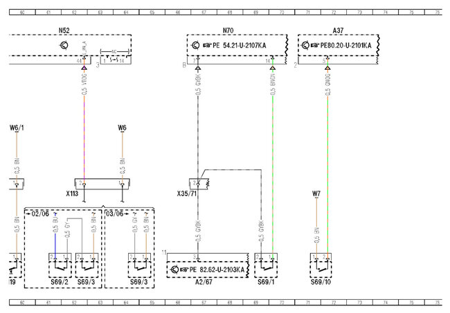
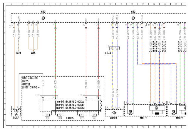
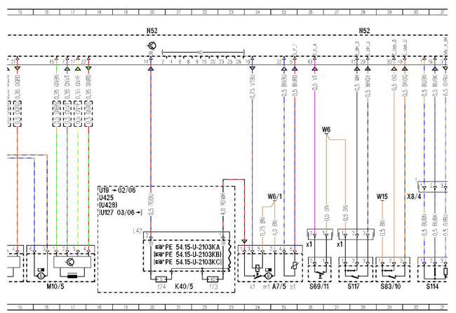
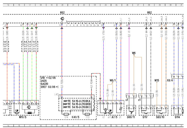
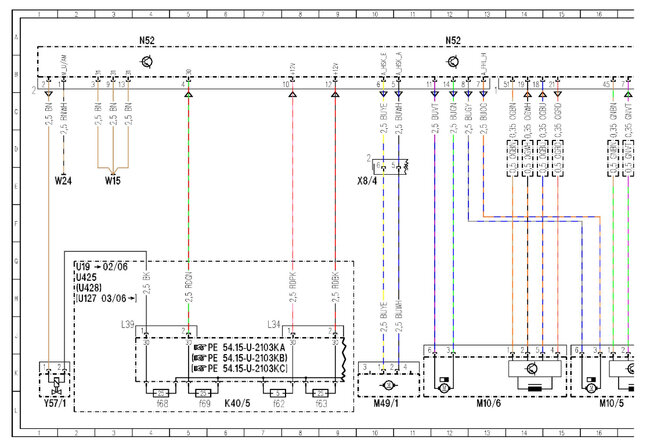
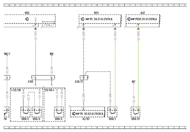
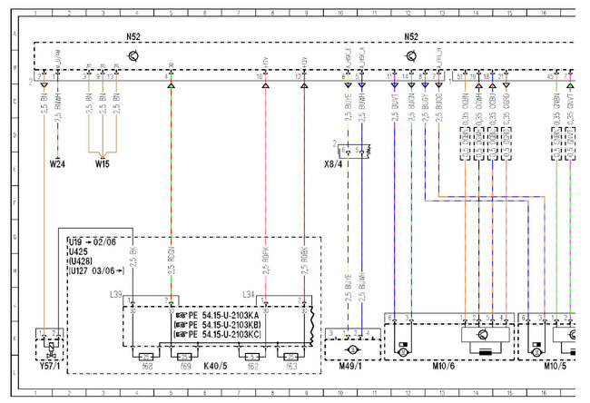
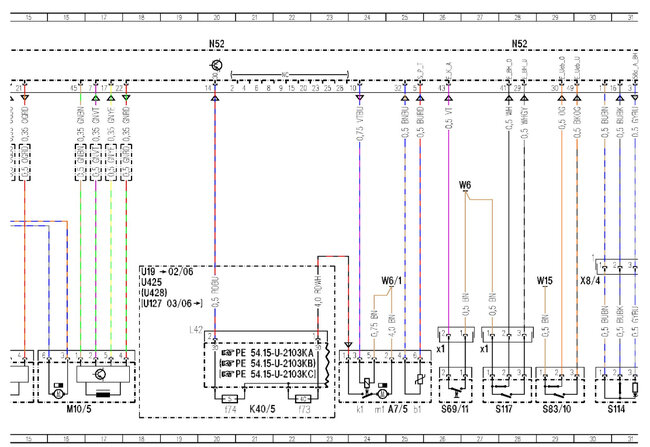
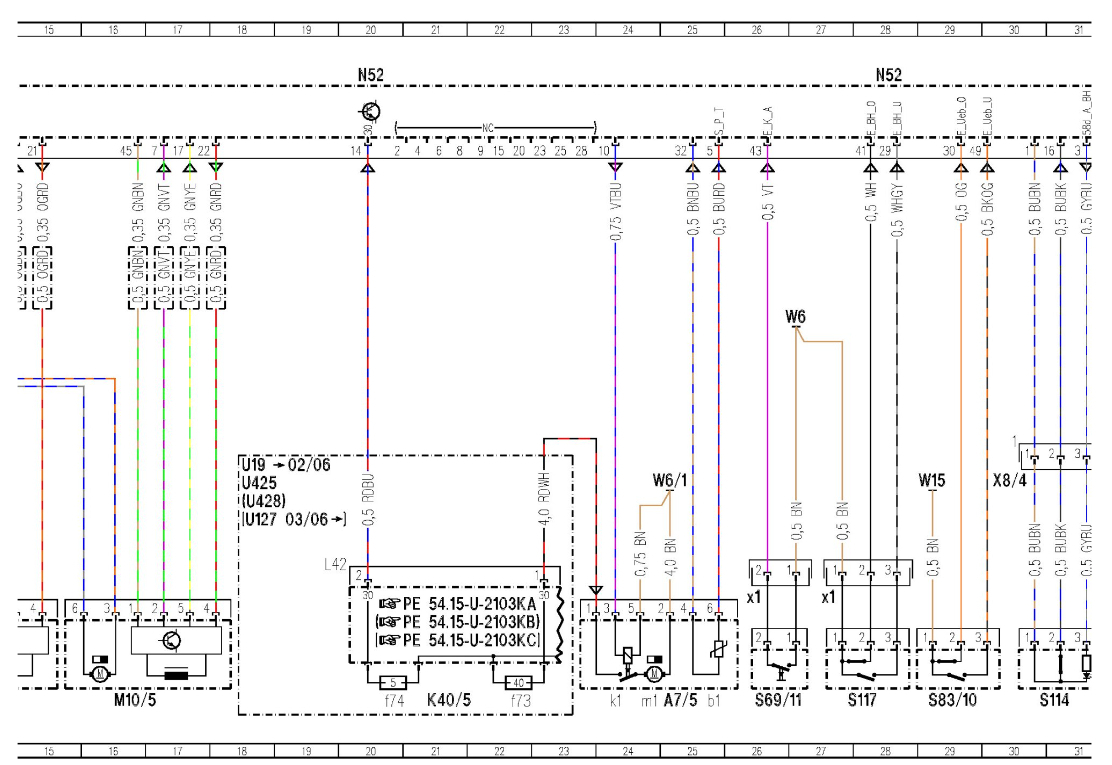
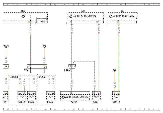
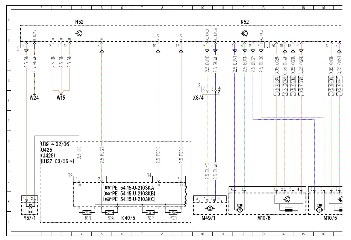
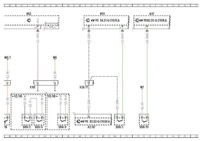
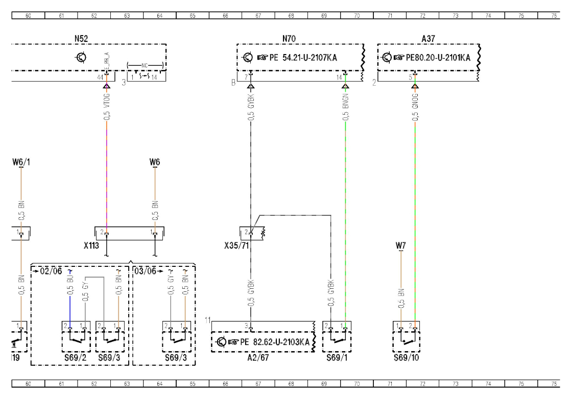
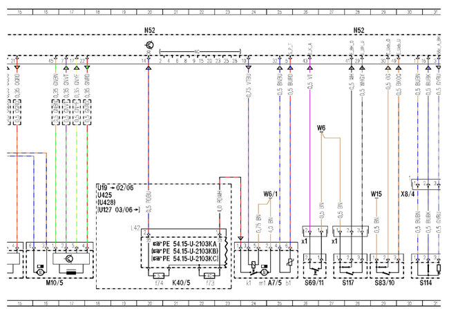
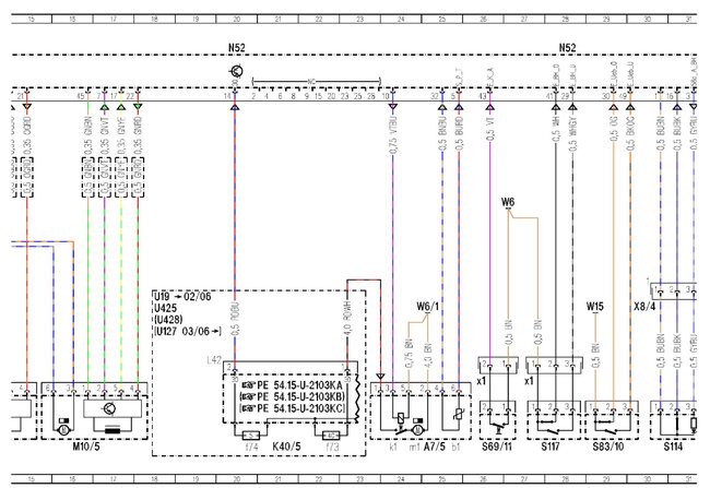
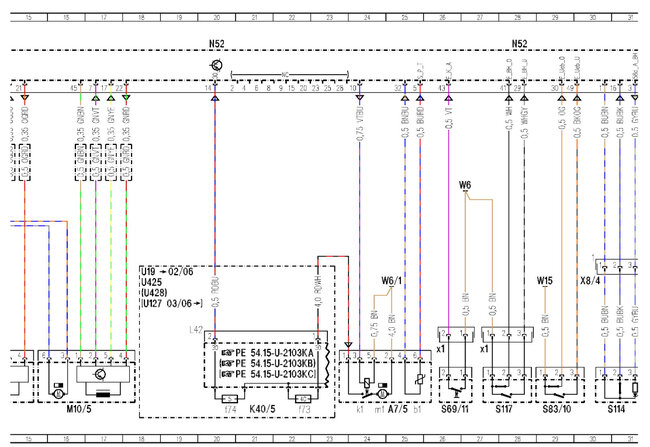
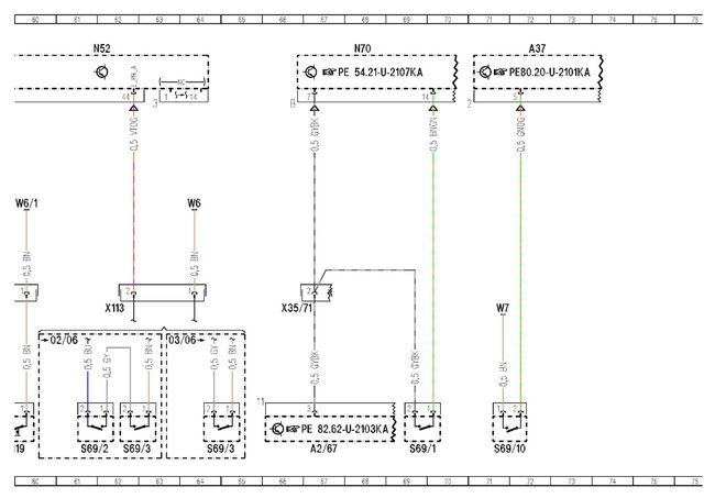
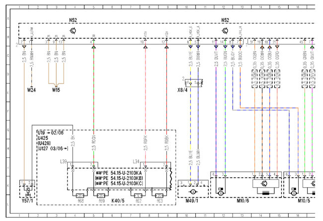
There are a few relays that run the top system here re the fuse and relay identification of the rear fuse panel and the wiring diagrams so you can see how the system works. Check out the images (below). Please let us know what happens.
Was this
answer
helpful?
Yes
No
Wednesday, May 15th, 2024 AT 9:48 AM
Tiny
BHAMDOC1973
  • MEMBER
  • 2,018 POSTS
Installed the relay in the pump and it worked but there is a leak that I can fix, that's why they removed it obviously.
Was this
answer
helpful?
Yes
No
Friday, May 17th, 2024 AT 4:58 PM
Tiny
JACOBANDNICKOLAS
  • MECHANIC
  • 110,192 POSTS
Hi,

Thank you for the update. So, is the problem resolved? Sorry, I'm getting into this after the fact. I noted it was two days since we made contact and wanted to check in on the progress.

Let us know.

Take care,

joe
Was this
answer
helpful?
Yes
No
Sunday, May 19th, 2024 AT 7:01 PM
Tiny
BHAMDOC1973
  • MEMBER
  • 2,018 POSTS
Yes, I have power now just have to fix the leak.
Was this
answer
helpful?
Yes
No
Sunday, May 19th, 2024 AT 7:02 PM
Tiny
JACOBANDNICKOLAS
  • MECHANIC
  • 110,192 POSTS
Hi,

Thanks for letting us know. If there is anything we can do to help now or in the future, please feel free to let us know.

Take care,

Joe
Was this
answer
helpful?
Yes
No
Sunday, May 19th, 2024 AT 7:13 PM

Please login or register to post a reply.