Instead I placed a nice Sony 444w amp under the passenger seat, gotten power to it from a direct line I ran from the battery, put a ground on it, slung the speakers up correctly, and have rigged in bluetooth and mini plug inputs, and am exceedingly happy with my car audio experience.
Problem is, somewhere along the way I lost track of a couple connections which appear to coincide with loss of instrument lights.
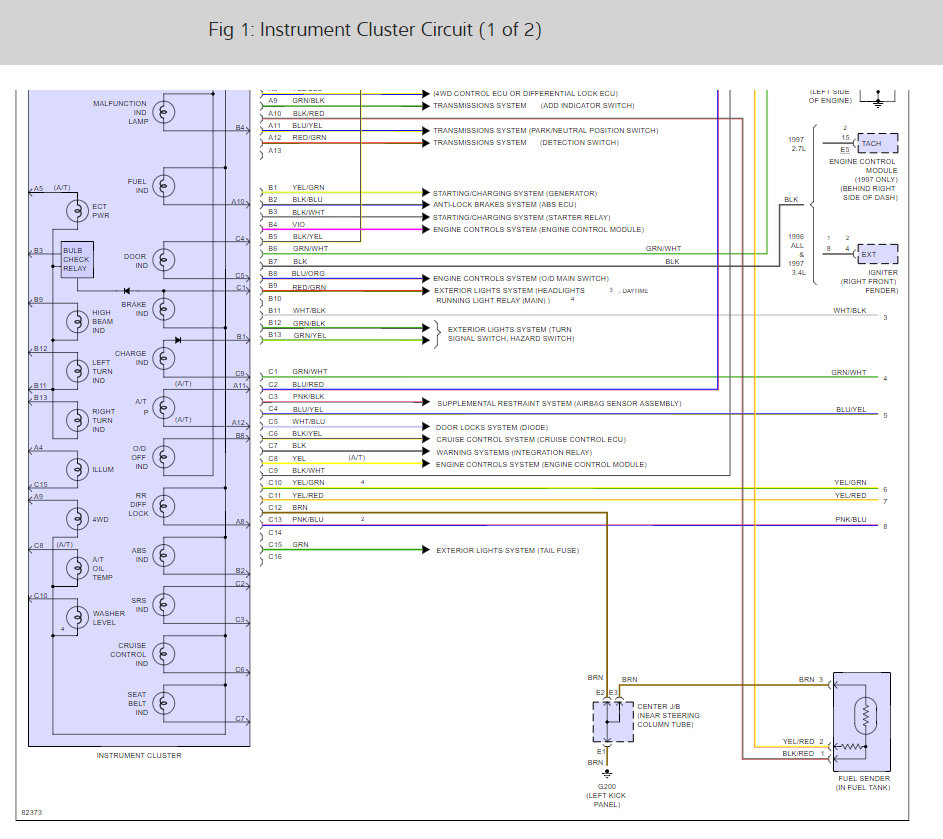
Here is the description:
The previous audio unit was aftermarket; when it got pulled out, a bunch of wires in the stereo harness were broken and after connecting the speakers a few are not spoken for.
Basic research led me to figuring out which in the Toyo harness were for speaker and constant twelve volts, ground, etc.
I no longer use the antenna, so those wires are unused. Also the switched twelve volts is not used, and memory.
The culprit which remains seems to be the "green wire" which was tied into the illumination function spot on the wiring harness of the aftermarket stereo unit.
It sits there sadly on the harness, stripped and empty, longing to be connected to something, but though I am sure it represents a short somehow to the instrument lighting circuit.
If I connect it to a meter with the other side at a ground, I get a twelve volt reading. If I connect it to any other wire in that harness (why would you? I am sure you would ask), I start blowing fuses.
So I have just capped or clipped back all the unused wires which I list below. The car otherwise functions completely correctly. As a side note, I took the rear tailgate and defrost offline by disconnecting the connectors from the switches that control them. I think this leaves the circuit intact, so it should not affect power getting to the dash lights. (?)
Here is a list of unused wires in the stereo harness that are either capped or clipped and a photo is attached:
(From upper right):
Green
Brown (shorter)
Gray
Black
Pink
Finally, I am pretty certain this is not a coincidental failure of bulbs, rheostat, or fuses, because it ties in directly to the recent ripoff of the radio unit and my installation of the amp, after which the sound is great, but I am driving by night in the dark.
All other illumination (dome, map, tail, headlights, stop, reverse emergency) appear to be functional, so am assuming the problem is localized to what happened to the harness when the radio was pulled.
I am a dope with the logic of these matters but I get the basics and know how to use a meter if you might step me through that process, I would be grateful.
Also, when I mention getting a reading at the green wire, I mean only when the headlights are switched on. When switched off, the measurement goes to zero.
Monday, November 6th, 2017 AT 11:58 AM





