Wednesday, December 29th, 2021 AT 1:17 PM
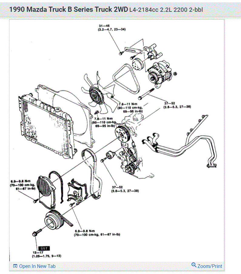
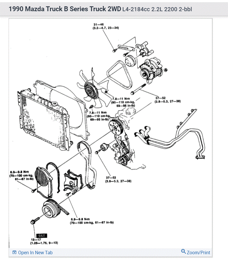
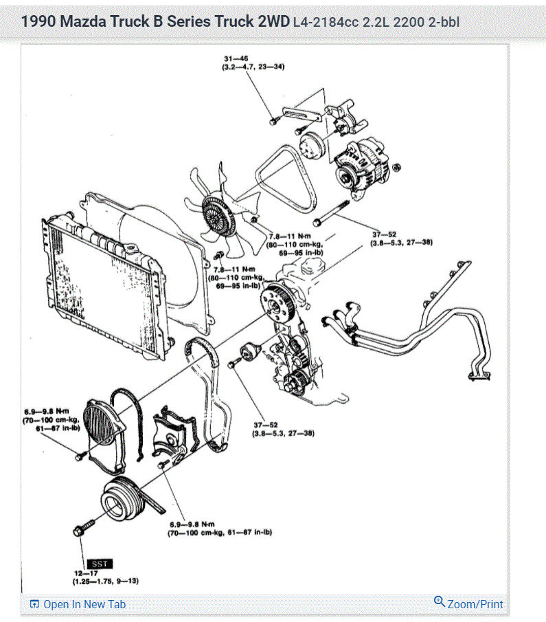
Could I set my cam timing at TDC take the belt off and set my Crank at TDC to set timing? It's too off to the point where nothing else has worked.








