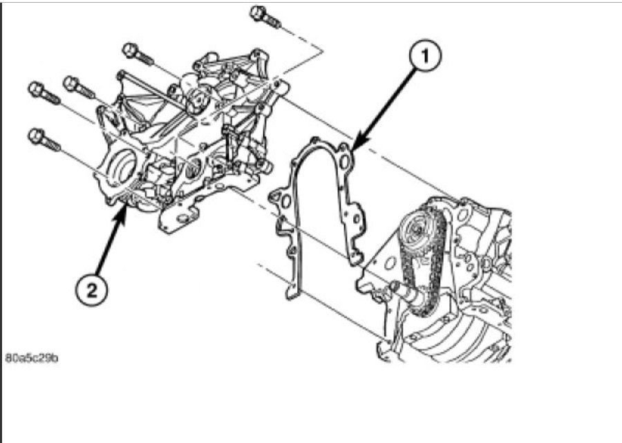
Timing cover and alternator bracket

2007 CHRYSLER TOWN AND COUNTRY
150,000 MILES
Avatar
ALICIA FARMER
  • MEMBER
  • 1 POST
I need to know are these two separate pieces. Is it possible to replace just the bracket and not the timing cover?
Jul 13, 2018 at 7:59 AM
Advertisement
Avatar
STRAILER
  • CAR REPAIR CONTRIBUTOR
  • 54,255 POSTS
Here is the timing cover. I do not see the bracket so I am thinking yes they are separate. Check out the diagrams (below). Please let us know if you need anything else to get the problem fixed.

Cheers, Ken
Jul 14, 2018 at 6:05 PM
Advertisement
Repair Safety Notice: This information is for general instructional purposes only. Vehicle repair can be dangerous. Verify all information, follow manufacturer service procedures, use proper tools and safety equipment, and consult a qualified repair shop when needed.