Timing chain guides

Tiny
JEFFREY PADBURY
  • MEMBER
  • 2001 TOYOTA CELICA
  • 1.8L
  • 4 CYL
  • 2WD
  • AUTOMATIC
  • 100,000 MILES
Top bolt missing on top of fixed timing chain guide. Will this hurt anything if it is not there?
Friday, May 15th, 2020 AT 4:13 PM

3 Replies

Tiny
JACOBANDNICKOLAS
  • MECHANIC
  • 110,192 POSTS
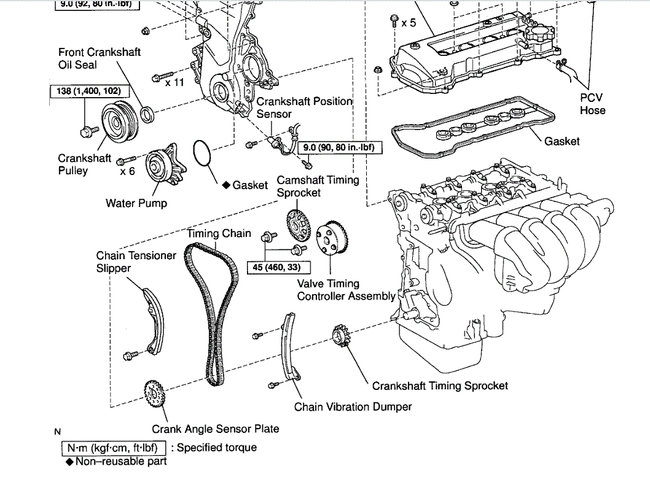
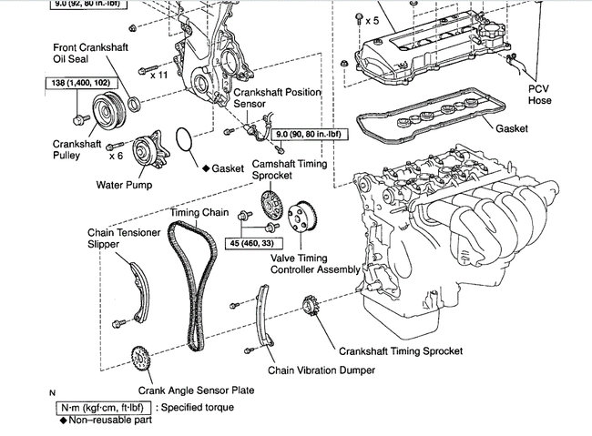
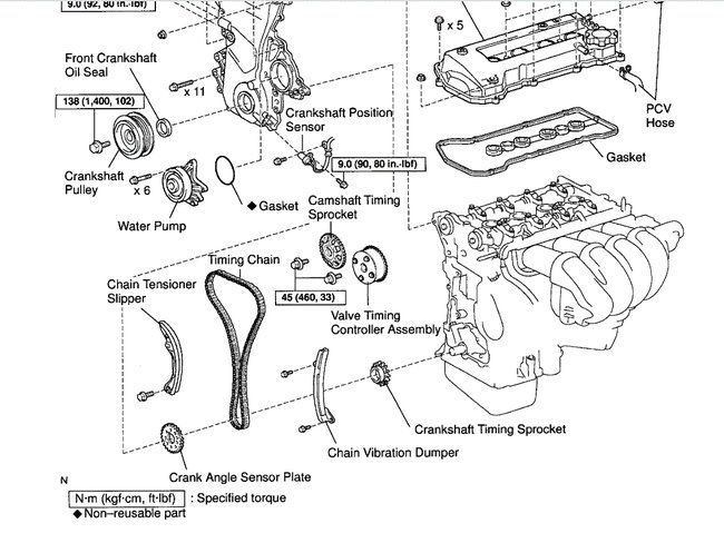
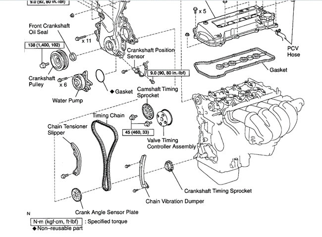
Hi Jeffrey,

I attached an exploded view below. Identify which part you are referring to. Also, was the bolt forgotten?

Let me know.
Joe
Was this
answer
helpful?
Yes
No
Friday, May 15th, 2020 AT 8:46 PM
Tiny
JEFFREY PADBURY
  • MEMBER
  • 2 POSTS
Chain vibration damper, yes forgotten.
Was this
answer
helpful?
Yes
No
Friday, May 15th, 2020 AT 9:41 PM
Tiny
JACOBANDNICKOLAS
  • MECHANIC
  • 110,192 POSTS
It needs to be installed. That absorbs vibration and it will move without the top bolt. If you need directions for timing chain removal and replacement, let me know.

Joe
Was this
answer
helpful?
Yes
No
Friday, May 15th, 2020 AT 10:23 PM

Please login or register to post a reply.