Timing belt replacement

Tiny
ROB 1503
  • MEMBER
  • 1997 TOYOTA CAMRY
  • 2.2L
  • 4 CYL
  • 2WD
  • AUTOMATIC
  • 198,000 MILES
Hi, I have a car that has been sitting there for the last month now. The reason is one day I was gonna head out to the store and all of a sudden it turned off before leaving my parking lot. I turned the key and noticed the starter sounded different. With just that sound I knew what had happened but to make sure I was correct I took off the timing belt cover and confirmed that the timing belt broke. I haven't done timing belts or chains want to learn. So I was wondering if someone could help me by providing instructions on how to replace the belt for this vehicle. I am planning on either selling it or junking it. Engine runs great had no signs of oil or antifreeze leaks. I have always done its schedule maintenance myself. Bender had any issues at all but I got another vehicle that I prefer so I would like to take advantage and use this car to learn how to do the timing belt.

Rob
Thursday, June 27th, 2019 AT 4:54 PM

9 Replies

Tiny
ASEMASTER6371
  • MECHANIC
  • 52,796 POSTS
Good evening,

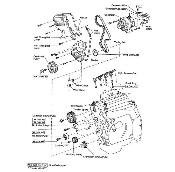
Procedure below with pictures.

Roy

1. Remove generator.
2. Remove RH front wheel
3. Remove RH front fender apron seal

imageOpen In New TabZoom/Print

4. Remove PS pump drive belt
Loosen the 2 bolts, and remove the drive belt.
5. Disconnect ground strap connector

imageOpen In New TabZoom/Print

6. Remove engine moving control rod
Remove the 3 bolts and control rod.

ImageOpen In New TabZoom/Print

7. Remove no.2 RH engine mounting bracket
Remove the 3 bolts and mounting bracket.

8. Remove spark plugs
a. Disconnect the 4 high-tension cords from the clamps on the cylinder head cover.
B. Disconnect the 4 high-tension cords from the spark plug.
C. Remove the 4 spark plugs.

ImageOpen In New TabZoom/Print

9. Remove no.2 timing belt cover
a. Disconnect the 2 engine wire clamps from the timing belt cover.
B. Remove the 4 bolts and timing belt cover.

10. Set no.1 cylinder to TDC/compression

imageOpen In New TabZoom/Print

a. Turn the crankshaft pulley, and align its groove with timing mark "0" of the No.1 timing belt cover.

Timing Belt/Camshaft Align Marks
imageOpen In New TabZoom/Print

b. Check that the hole of the camshaft timing pulley is aligned with the timing mark of the bearing cap. If not, turn the crankshaft 1 revolution (360°).

11. Remove timing belt from camshaft timing pulley

Timing Belt/Camshaft Align Marks
imageOpen In New TabZoom/Print

NOTE: When re-using timing belt, place the matchmarks on the timing belt and camshaft timing pulley, and place match marks on timing belt to match portion A of the No.1 timing belt cover.

ImageOpen In New TabZoom/Print

a. Loosen the mounting bolt of the No.1 idler pulley, and shift the pulley toward the left as far as it will go, and temporarily tighten it.
B. Remove the timing belt from the camshaft timing pulley.

ImageOpen In New TabZoom/Print

12. Remove camshaft timing pulley
a. Using SST, loosen the pulley bolt.
SST 09249-63010, 09960-10010 (09962-01000, 09963-01000)
b. Remove the bolt and timing pulley.

13. Remove crankshaft pulley

imageOpen In New TabZoom/Print

a. Using SST (and bolt), loosen the pulley bolt.
SST 09213-54015 (91651-60855 for type A), 09330 - 00021

NOTE:
Either of 2 types of pulley may be used, each with its own bolt size, type A and type B. When using bolt type B. A plate washer must be inserted between the bolt and SST.

ImageOpen In New TabZoom/Print

When re-using timing belt, after loosening the crankshaft pulley bolt, check that the timing belt match marks aligns with portion A of the No.1 timing belt cover when the crankshaft pulley groove is aligned with the timing mark "O" of the No. 1 timing belt cover. If the match marks does not align, align as follows:

imageOpen In New TabZoom/Print

When match marks is misaligned clockwise:
Align the match marks by pulling the timing belt up on the water pump pulley side while turning the crankshaft pulley counterclockwise.

ImageOpen In New TabZoom/Print

After aligning the match marks, hold the timing belt. And turn the crankshaft pulley clockwise, and align its groove with timing mark "O" of the No.1 timing belt cover.

ImageOpen In New TabZoom/Print

When match marks is misaligned counterclockwise:
Align the match marks by pulling the timing belt up on the No.1 idler pulley side while turning the crankshaft pulley clockwise.

ImageOpen In New TabZoom/Print

After aligning the match marks, hold the timing belt. And turn the crankshaft pulley counterclockwise, and align its groove with timing mark "O" of the No.1 timing belt cover.

B. Remove the pulley bolt.

ImageOpen In New TabZoom/Print

c. Using SST, remove the pulley. SST 09950 - 50010 (09951 - 05010, 09952-05010, 09953-05010, 09953-05020, 09954-05020 for type A, 0995W5010 for type B)

NOTE: Either of 2 types of pulley may be used, each with its own bolt size, Type A and type B. When re-using timing belt: Remove the pulley without turning it.

ImageOpen In New TabZoom/Print

14. Remove no.1 timing belt cover
a. Disconnect the crankshaft position sensor wire from the clamp on the timing belt cover.
B. Disconnect the clamp of the crankshaft position sensor wire from the timing belt cover.
C. Remove the 4 bolts and timing belt cover.

15. Remove timing belt guide

imageOpen In New TabZoom/Print

16. Remove timing belt hint When re-using timing belt, draw a direction arrow on the timing belt (in the direction of engine revolution), and place matchmarks on the timing belt and crankshaft timing pulley.

ImageOpen In New TabZoom/Print

17. Remove no.1 idler pulley and tension spring
Remove the bolt, pulley and tension spring.

18. Remove no.2 idler pulley remove the bolt and pulley.

ImageOpen In New TabZoom/Print

19. Remove crankshaft timing pulley
If the pulley cannot be removed by hand, use SST to remove the timing pulley.
SST 09950 - 50010 (09951 - 5010, 09952-05010, 09953 - 05010, 09953-05020, 09954-05010)

NOTE: Do not scratch the angle sensor of the timing pulley.

Image
20. Remove oil pump pulley
a. Using SST, loosen the pulley nut.
SST 09960 - 1 0010 (09962-1000, 09963-0500)

b. Remove the nut and pulley.
Was this
answer
helpful?
Yes
No
Thursday, June 27th, 2019 AT 5:28 PM
Tiny
KASEKENNY
  • MECHANIC
  • 18,907 POSTS
Hi Rob,

That is great that you are wanting to perform this repair. It is not the easiest of things to do but take your time and you will get it.

Here is the procedure to remove and reinstall the belt. Please pay attention to the timing marks. You will need to make sure the are lined up properly or you will have timing issues.

Let me know if you need anything else. Thanks
Was this
answer
helpful?
Yes
No
+1
Thursday, June 27th, 2019 AT 5:38 PM
Tiny
ROB 1503
  • MEMBER
  • 63 POSTS
Thank you both. You guys are the best.
Was this
answer
helpful?
Yes
No
Thursday, June 27th, 2019 AT 7:23 PM
Tiny
ASEMASTER6371
  • MECHANIC
  • 52,796 POSTS
You are welcome.

We are always glad to help.

Roy
Was this
answer
helpful?
Yes
No
Friday, June 28th, 2019 AT 3:27 AM
Tiny
ROB 1503
  • MEMBER
  • 63 POSTS
Quick question. Is it possible for the position and valves to crash as a result to timing belt braking while engine was running?
Was this
answer
helpful?
Yes
No
Friday, July 5th, 2019 AT 6:36 PM
Tiny
ASEMASTER6371
  • MECHANIC
  • 52,796 POSTS
Yes. It is an interference engine.

Roy
Was this
answer
helpful?
Yes
No
Friday, July 5th, 2019 AT 10:55 PM
Tiny
ROB 1503
  • MEMBER
  • 63 POSTS
Thank you Roy sorry I keep taking long to reply. Greatly appreciate al your help
Was this
answer
helpful?
Yes
No
Friday, July 19th, 2019 AT 9:39 PM
Tiny
ROB 1503
  • MEMBER
  • 63 POSTS
Actually everyone thank you. Job got done and got it running. Now the Camry has a new owner very happy with it. Thanx all
Was this
answer
helpful?
Yes
No
Friday, July 19th, 2019 AT 9:41 PM
Tiny
ASEMASTER6371
  • MECHANIC
  • 52,796 POSTS
You are welcome

We are always glad to help

Roy
Was this
answer
helpful?
Yes
No
Saturday, July 20th, 2019 AT 2:29 AM

Please login or register to post a reply.