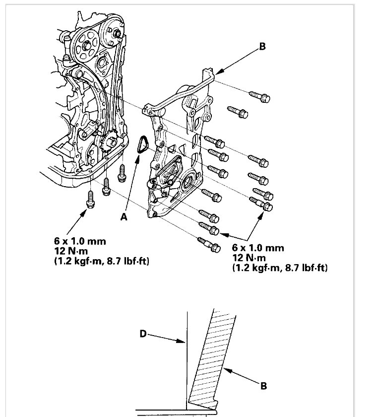
Friday, August 12th, 2022 AT 12:01 PM
How do I set the timing? I have it apart to put a new timing chain on. The crankshaft marks are lined up but the camshafts are not.

























