Timing marks needed

Tiny
NATE1975
  • MEMBER
  • 2003 MAZDA PROTEGE
  • 122,764 MILES
Need timing mark.
Saturday, October 1st, 2016 AT 12:47 AM

35 Replies

Tiny
AL514
  • MECHANIC
  • 5,595 POSTS
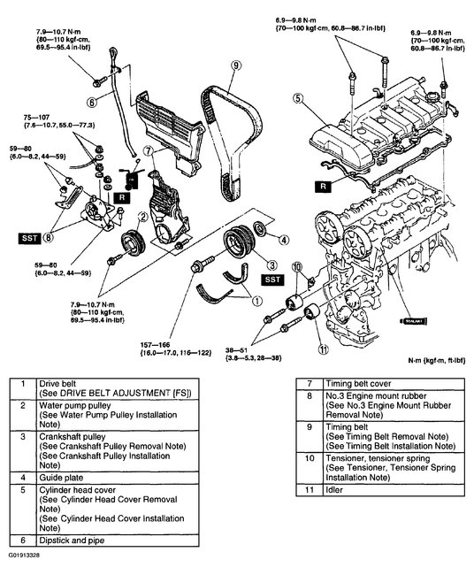
These are for the 2003 Mazda Protégé 2.0L DX Model. I threw in the torque specs just in case you needed them as well.
Was this
answer
helpful?
Yes
No
+2
Saturday, October 1st, 2016 AT 3:25 AM
Tiny
2CP-ARCHIVES
  • MEMBER
  • 4,540 POSTS
  • 2001 MAZDA PROTEGE
Where are the timing marks for engine
Was this
answer
helpful?
Yes
No
+1
Saturday, October 27th, 2018 AT 5:09 PM (Merged)
Tiny
MHPAUTOS
  • MECHANIC
  • 31,937 POSTS
Hello,

Here is a guide and a diagrams below to show you the camshaft timing marks.

https://www.2carpros.com/diagrams/mazda/protege/2001

Check out the diagrams (Below). Please let us know if you need anything else to get the problem fixed.

Cheers
Was this
answer
helpful?
Yes
No
Saturday, October 27th, 2018 AT 5:09 PM (Merged)
Tiny
JOBAJEE
  • MEMBER
  • 5 POSTS
  • 2003 MAZDA PROTEGE
  • 127,000 MILES
Hello. Just purchased my 1st car a month ago. While driving my timing belt just broke. Should I fear the worst for my engine. My car is a mazda protege 323 year 2003 with a 16Valve Dohc 1.6 engine. Pls help :(
Was this
answer
helpful?
Yes
No
Saturday, October 27th, 2018 AT 5:10 PM (Merged)
Tiny
PAPAJOHNSLICE
  • MEMBER
  • 108 POSTS
Its not as bad as you would think (although its pretty bad) if you have any type of background knowledge on how to replace a timing belt, then its not as bad, just know it will take a little bit of work to fix, not to mention making sure your crankshaft is in the proper position, but if you are like most americans and dont know much about fixing cars, then your best bet is to take it to a reputable repair shop and have them replace it, its not that bad of a fix if you know what your doing, and your engine should run fine once its fixed, hope my answer helps
Was this
answer
helpful?
Yes
No
Saturday, October 27th, 2018 AT 5:10 PM (Merged)
Tiny
RASMATAZ
  • MECHANIC
  • 75,992 POSTS
Its not an interference engine go for the repair-
Was this
answer
helpful?
Yes
No
Saturday, October 27th, 2018 AT 5:10 PM (Merged)
Tiny
JOBAJEE
  • MEMBER
  • 5 POSTS
Many thanks for the replies. So my engine is a non-interference thx god :). Just towed my car to a repair shop 2day. Lets hope everything will go fine 4 me. Thx guys
Was this
answer
helpful?
Yes
No
Saturday, October 27th, 2018 AT 5:10 PM (Merged)
Tiny
RASMATAZ
  • MECHANIC
  • 75,992 POSTS
Your welcome
Was this
answer
helpful?
Yes
No
Saturday, October 27th, 2018 AT 5:10 PM (Merged)
Tiny
CARLOSHINOJOSA
  • MEMBER
  • 1 POST
  • 2003 MAZDA PROTEGE
  • 4 CYL
  • 2WD
  • AUTOMATIC
  • 115,000 MILES
The timing belt broke, is there damage to engine and what, and can it be repaired.
Was this
answer
helpful?
Yes
No
Saturday, October 27th, 2018 AT 5:10 PM (Merged)
Tiny
MHPAUTOS
  • MECHANIC
  • 31,937 POSTS
Hi there,

Mitchell 1 indicates that there will be no internal damage done to the engine, replace the timing belt and re set the valve timing and all should be ok, I would be wise to do a compression test just to be safe.

Mark (mhpautos)
Was this
answer
helpful?
Yes
No
+1
Saturday, October 27th, 2018 AT 5:10 PM (Merged)
Tiny
CAR PROBLEMS
  • MEMBER
  • 1 POST
  • 2003 MAZDA PROTEGE
  • 98,000 MILES
Waterpump replaced. Ran roughly called mechanic said not from h20pump. Took to a differrent shop told timing belt bad-was removed when h20pump replaced. Is the 1st mechanic at fault?
Was this
answer
helpful?
Yes
No
Saturday, October 27th, 2018 AT 5:10 PM (Merged)
Tiny
RASMATAZ
  • MECHANIC
  • 75,992 POSTS
Sounds like 1st fella didn't diagnose it right
Was this
answer
helpful?
Yes
No
Saturday, October 27th, 2018 AT 5:10 PM (Merged)
Tiny
EBAYGALANT
  • MEMBER
  • 12 POSTS
  • 2001 MAZDA PROTEGE
  • 4 CYL
  • FWD
  • MANUAL
I have a 2001 mazda protege 2. Ol when I start it it idles rough and in order to keep it on I have to depress the gas pedal some and it wont go over 2000 rpm I have to keep pushing the pedal all the way to the floor then after 30 - 40 seconds then it finally goes up slowly until it hits 3000 rpm then it rev normally as long as I keep it over 3000 rpm if it goes under 3000 rpm it drops sharply down to 1500 rpm and runs rough and it wont idle by iteself at all ive already replaced the spark plugs, coil packs, egr, all fuel injectors, the fuel pressure regulator, and the intake manifold gasket and nothing has helped. Also I dont know if these are suppose to move or not but the two gold colored round shaped items on the passenger side of the air intake that have little arms comming out of them and they are connected to vacumm lines dont move at all no matter how high the rpms are I can push them in and they will spring back open if this helps. I really really need help on this asap I dont know how much longer I will have a job due to arriving late or not at all considering I dont have too many people to call on for a ride.

One other thing this all started after I replace the motor in it with one from a 2001 626 since they have the same block all of the exterior parts were changed over intake, sensors, exhaust, etc.

Thanks in advance
Was this
answer
helpful?
Yes
No
Tuesday, April 14th, 2020 AT 6:55 PM (Merged)
Tiny
KHLOW2008
  • MECHANIC
  • 41,814 POSTS
Is the Check Engine Light indicating? Have you tested the compression? these guides will help

https://www.2carpros.com/diagrams/mazda/protege/2001

and

https://www.2carpros.com/articles/engine-has-low-power-output

Please run down these guides and report back.
Was this
answer
helpful?
Yes
No
-1
Tuesday, April 14th, 2020 AT 6:55 PM (Merged)
Tiny
MERLIN2021
  • MECHANIC
  • 17,250 POSTS
Have the catalytic converter(s) checked, it sounds like a clogged converter.
Was this
answer
helpful?
Yes
No
Tuesday, April 14th, 2020 AT 6:55 PM (Merged)
Tiny
EBAYGALANT
  • MEMBER
  • 12 POSTS
Hi, The check engine light isnt coming at all no matter how long I run it and as far as the catalytic converter its clean and still entact on the inside and no I havent done a compression test since it will run fine once above 3000rpm also if I spray starting fluid in it I can get it to idle by itself for about 15- 20 minutes but it idles extremely rough jumping form 200rpm to 1500 sometimes higher but it wont stay steady al all
Was this
answer
helpful?
Yes
No
Tuesday, April 14th, 2020 AT 6:55 PM (Merged)
Tiny
EBAYGALANT
  • MEMBER
  • 12 POSTS
Hi, Also everything thats on this new engine came off the old engine that was running fine the only problem it had was the valve seals were leaking extremely badly had to put oil in it every three to four days.
Was this
answer
helpful?
Yes
No
Tuesday, April 14th, 2020 AT 6:55 PM (Merged)
Tiny
KHLOW2008
  • MECHANIC
  • 41,814 POSTS
Get a compression test done. A misfiring cylinder can run well at higher rpms but would not idle. If the valve seals are bad, it would definitely cause rough idling as the sprks plugs would be fouled quickly.
Was this
answer
helpful?
Yes
No
Tuesday, April 14th, 2020 AT 6:55 PM (Merged)
Tiny
EBAYGALANT
  • MEMBER
  • 12 POSTS
Hi, The bad valve seals were on the old engine not the new one but I will do a compression test on the new one and let you know the results.
Was this
answer
helpful?
Yes
No
Tuesday, April 14th, 2020 AT 6:55 PM (Merged)
Tiny
EBAYGALANT
  • MEMBER
  • 12 POSTS
Hi, Ok had a compression test done compression in all cylinders are good so I really dont know what else it could be.

Thanks In Advance
Was this
answer
helpful?
Yes
No
Tuesday, April 14th, 2020 AT 6:55 PM (Merged)

Please login or register to post a reply.