HOME
ASK A QUESTION
REPAIR GUIDES
BECOME A MEMBER
LOG IN
Login with Facebook
OR
Remember me
NOT A MEMBER?
FORGOT PASSWORD?
CONTACT US
PRIVACY POLICY
TERMS AND CONDITIONS
☰
Home
Saturn
L200
Steering
Tilt steering
LASH
MEMBER
2003 SATURN L200
2.2L
4 CYL
FWD
AUTOMATIC
140,000 MILES
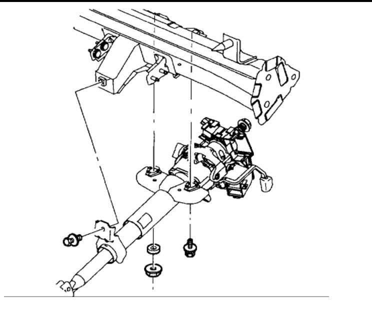
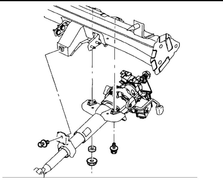
Tilt steering has one to two inches up-down free-play.
Friday, June 2nd, 2017 AT 8:03 AM
1 Reply
KEN L
MASTER CERTIFIED MECHANIC
54,137 POSTS
Hello,
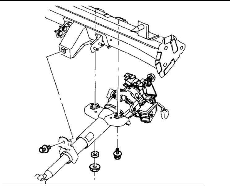
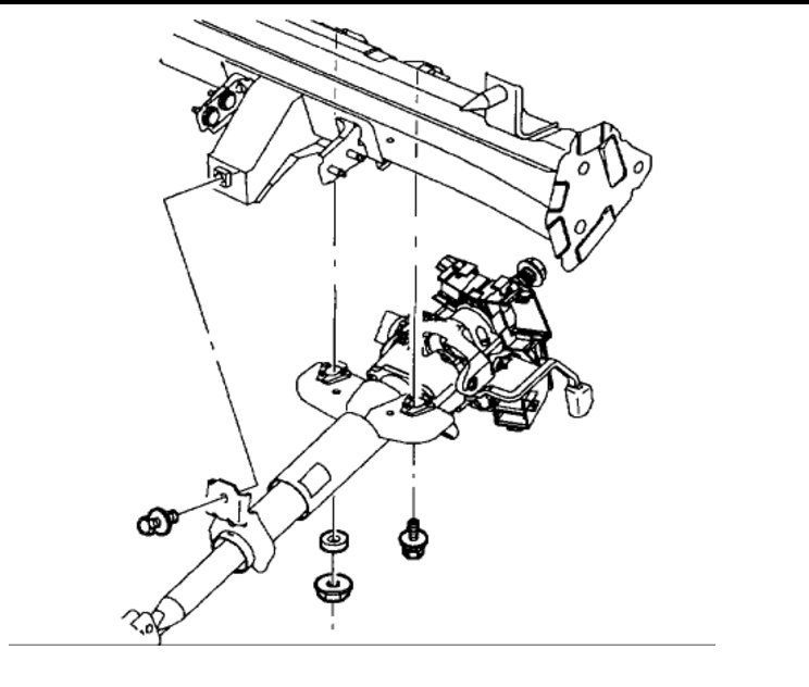
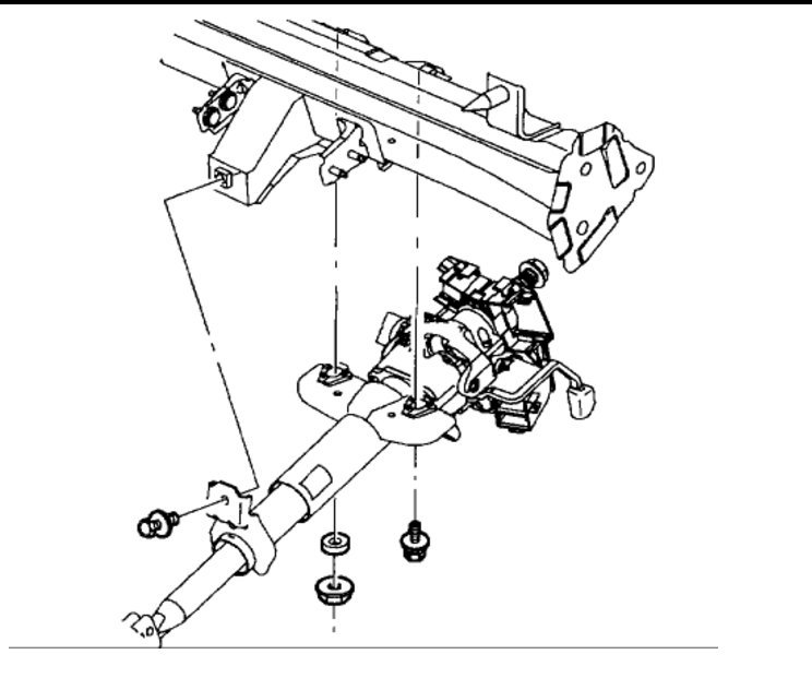
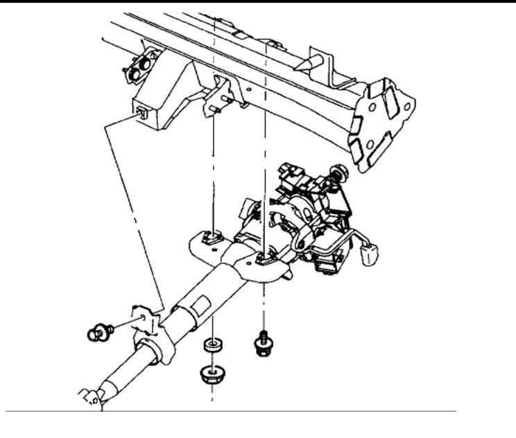
You have something loose in the column here is a group of expanded views and guide to help you take it apart and see what is going on.
https://www.2carpros.com/articles/steering-wheel-removal
Please let us know what you find.
Cheers, Ken
Images (Click to make bigger)
Was this
answer
helpful?
Yes
No
Friday, June 2nd, 2017 AT 6:52 PM
Please
login
or
register
to post a reply.
Related Steering Content
VIDEO
Power Steering System Flush
Instructional repair video
GUIDE
Power Steering Problems
A power steering system is designed to utilize power from the engine or an electric motor to assist in the force needed to steer a vehicle which is achieved by a steering...
Ask a Car Question. It's Free!
Power Steering System Flush
Steering
Steering Intermediate Shafts Replacement