Throttle response

Tiny
JACKNUT
  • MEMBER
  • 1995 CHEVROLET 3500
  • 5.7L
  • V8
  • 2WD
  • MANUAL
  • 184,000 MILES
If I hit the pedal quick it farts (lol) then revs good. Then if I may pedal it it goes okay then cuts out when rpm's get high and no not too high. Never over rev my engine. I changed temperature switch, didn't help. Any clue? Map sensor is good. Timing?
Friday, April 26th, 2019 AT 3:11 PM

3 Replies

Tiny
ASEMASTER6371
  • MECHANIC
  • 52,796 POSTS
Good evening,

The distributor and the starter are my first concern. If the water gets on the starter solenoid and the connection is not good, this can happen.

If the water splashes up to the distributor, the connections could cause the hick ups.

Roy
Was this
answer
helpful?
Yes
No
Friday, April 26th, 2019 AT 3:40 PM
Tiny
JACKNUT
  • MEMBER
  • 65 POSTS
It's not a water issue since it hasn't been raining. It's more of a maybe running rich. I do not know. It seems to wake up when rpm's get higher.
Was this
answer
helpful?
Yes
No
Saturday, April 27th, 2019 AT 2:47 AM
Tiny
ASEMASTER6371
  • MECHANIC
  • 52,796 POSTS
Got it.

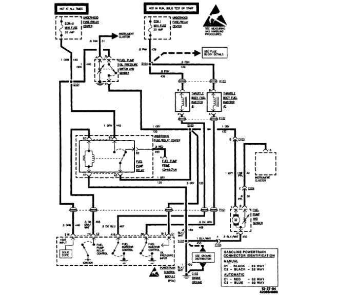
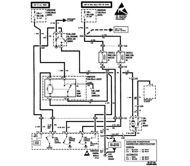
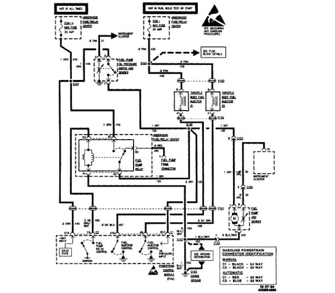
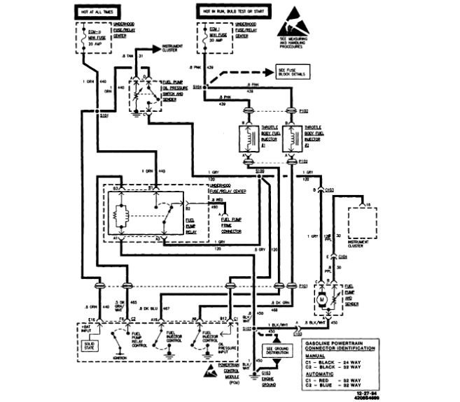
I would start with checking the fuel pressure. Low fuel pressure will cause this issue.

https://www.2carpros.com/articles/how-to-check-fuel-system-pressure-and-regulator

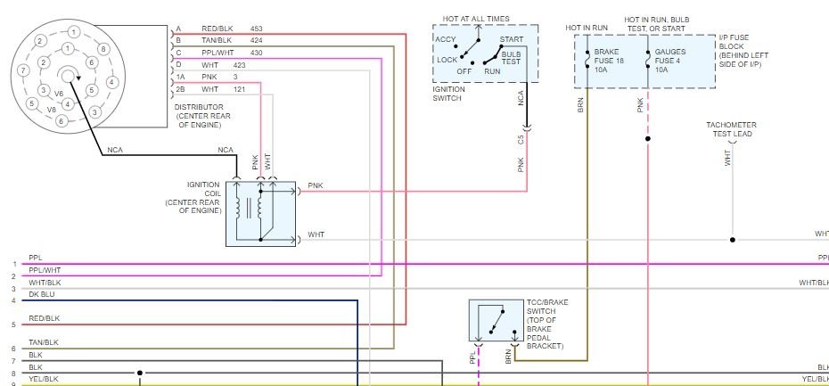
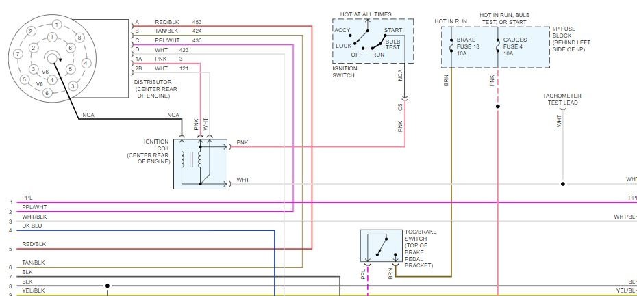
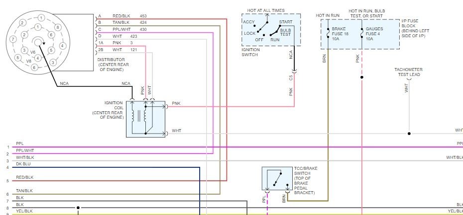
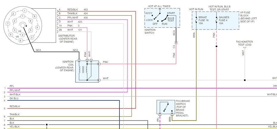
Also, check the ignition timing as well to be sure the timing is correct.

Roy

WARNING: To prevent possible personal injury from a moving vehicle or operating engine, do the following before performing the checks:

Engage the parking brake and block the wheels.
Place the transmission in neutral.

1. Refer to the Vehicle Emissions Control Information label under the hood. Always follow the Vehicle Emissions Control Information label procedures first before using the following procedure.

2. Put the IC system in the bypass mode by disconnecting the "set timing" connector. This is a single wire sealed connector that has a tan with black stripe lead. This connector breaks out of the wiring harness below the heater case in the passenger compartment.

3. With the ignition switch "OFF," connect the pickup lead of the timing light to the number one spark plug. Use a jumper lead between the wire and plug or an inductive type pickup.

DO NOT pierce the wire or attempt to insert a wire between the boot and the wire. Connect the timing light power leads according to manufacturer's instructions.

4. Start the engine, and aim the timing light at the timing mark. The line on the balancer or pulley will line up at the timing mark. The timing should be O° TDC. If a change is necessary, loosen the distributor hold-down clamp bolt at the base of the distributor. While observing the mark with the timing light, slightly rotate the distributor until the line indicates the correct timing. Tighten the hold-down bolt, and recheck the timing.

5. Turn "OFF" the engine and remove the timing light. Reconnect the number one spark plug wire, if removed.

6. Reconnect the "Set Timing" connector.
Was this
answer
helpful?
Yes
No
Saturday, April 27th, 2019 AT 4:20 AM

Please login or register to post a reply.