Throttle Body?

Tiny
RANDY1955
  • MEMBER
  • 2005 HYUNDAI SONATA
  • 2.7L
  • V6
  • 2WD
  • AUTOMATIC
  • 180,000 MILES
On the bottom of throttle body there are two lines I think vacuum lines and one line goes to it looks like close to the thermostat housing the other one down in the same area are them lines supposed to have water coming out of. Does anyone have a for sure answer to this? Thank you
Sunday, September 3rd, 2023 AT 4:16 PM

1 Reply

Tiny
AL514
  • MECHANIC
  • 5,584 POSTS
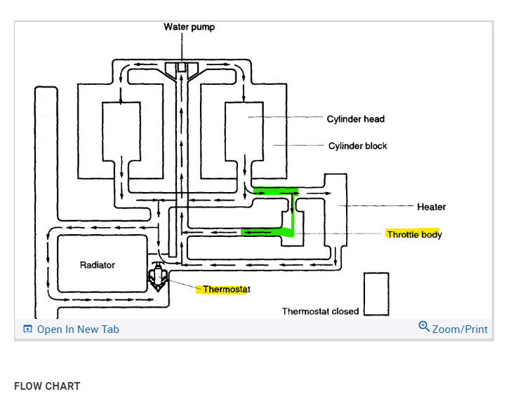
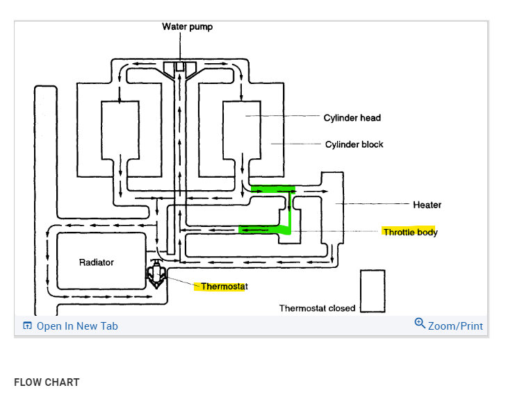
Hello, are you getting coolant out of those 2 hoses? Can you take a picture? They do run coolant through most throttle body's to get them up to temperature. If the hoses are running to the thermostat housing, then they are for coolant to flow through the throttle body housing. There's a diagram of the coolant flow for your vehicle I'll post that shows this. As long as the ports on the throttle body that the hoses came off of don't run straight into the throttle opening, then there for coolant. But don't force the throttle plates open by hand. If you can take off both hoses, hook up a clean hose to one of the ports and blow air through and it comes out the other ports, and not into the intake manifold. Then you are okay.
Are you having any leak issues?

https://www.2carpros.com/articles/car-is-leaking-coolant

https://www.2carpros.com/articles/radiator-pressure-test
Was this
answer
helpful?
Yes
No
Monday, September 4th, 2023 AT 8:24 AM

Please login or register to post a reply.