THIRD BRAKE LIGHT STAYS ON WHEN LIGHTS ARE ON

Tiny
GREATEBAYTHINGS
  • MEMBER
  • 1999 SATURN SL1
  • 4 CYL
  • AUTOMATIC
  • 148,000 MILES
Third brake light stays on when lights are on gets brighter when brake pedal is pressed it looks like one of the bulbs is burned on the third light had to reconnect the wiring to the trunk light and license plate lights last bulb changed was the front tail light noticed the problem with the third light after I had my front brakes changed checked the brake pedal switch.


Friday, January 24th, 2014 AT 5:34 PM

20 Replies

Tiny
MLDANIELS2000
  • MECHANIC
  • 227 POSTS
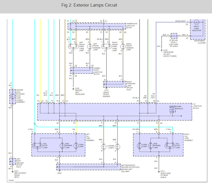
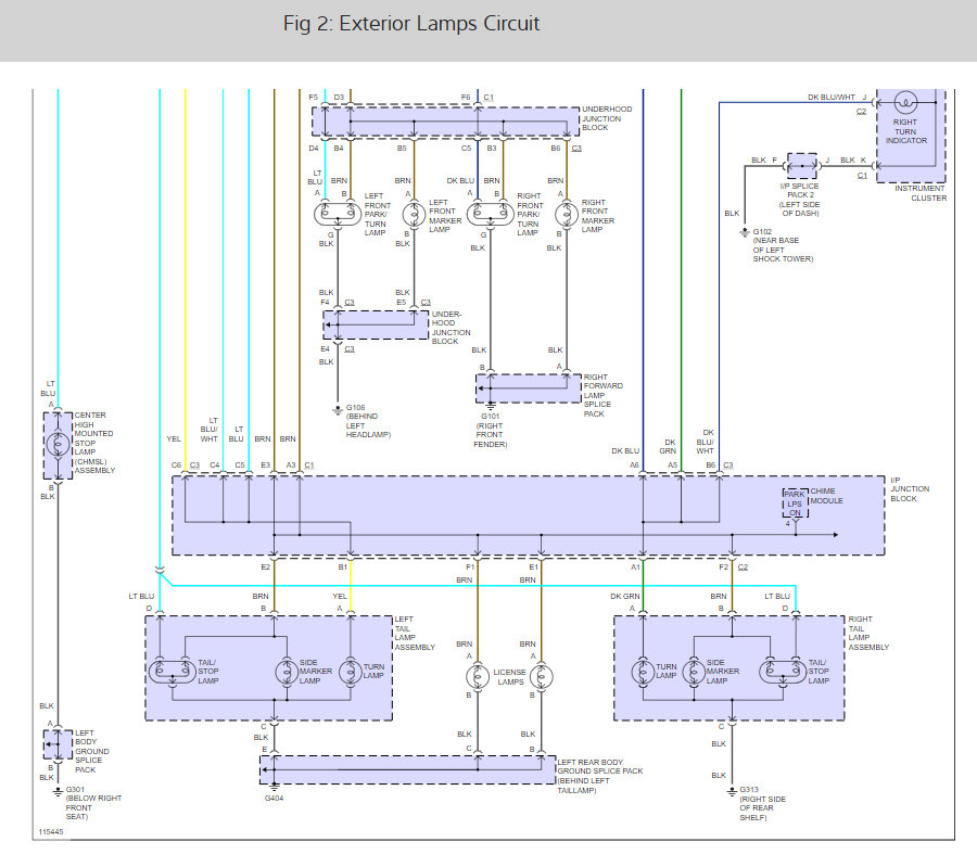
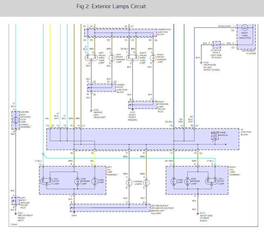
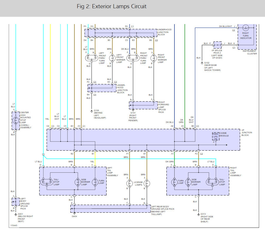
This sounds like the ABS control module is back feeding the third brake light here is a wiring diagrams so you can see how it works and a video of a ABS module getting changed out.

https://youtu.be/lUotkKXG9dY

Check out the diagrams (Below). Please let us know what happens.

Was this
answer
helpful?
Yes
No
Friday, January 24th, 2014 AT 5:46 PM
Tiny
JUNIORALTI
  • MEMBER
  • 1 POST
Thanks for this post I got a new module for $134.00 and installed it all fixed! I love this site.
Was this
answer
helpful?
Yes
No
Saturday, December 15th, 2018 AT 12:49 PM
Tiny
VERIFONE
  • MEMBER
  • 9 POSTS
  • 1999 SATURN SL1
  • 4 CYL
  • FWD
  • MANUAL
  • 185,000 MILES
My 3rd break light, when my lights where on & the emergency break applied, the 3rd light came on, take off the emergency break & it worked like it suppose to. Also when I would apply the breaks the dashlight & radio lights got brighter, it happens everytime I step on the breaks.

Now the 3rd breaklight comes on when I turn on my lights and stays on, when I apply the breaks the 3rd break light gets brighter. All the other break lights are working fine.
Was this
answer
helpful?
Yes
No
-2
Saturday, December 15th, 2018 AT 12:49 PM (Merged)
Tiny
KHLOW2008
  • MECHANIC
  • 41,814 POSTS
Hi verifone,

Thank you for the donation.

You have a ground circuit issue here. Check the rear taillights ground circuit connections for looseness, contaminations or corrosions.

Grounding points are at left rear body, behind left taillamp and on left and right side of rear shelf, 3 locations.
Was this
answer
helpful?
Yes
No
+1
Saturday, December 15th, 2018 AT 12:49 PM (Merged)
Tiny
JOHN6980
  • MEMBER
  • 14 POSTS
  • 1993 SATURN SL1
  • AUTOMATIC
It first started not to accelerate when I was running it on a highway when it was hot. When it finally did it jerked back first. A few days after the engine light came on but didn't stay on, went on and off at random sometimes right away other times when it will run awhile. Took it to have it checked. Code came up that it needed a tune up (spark plugs, wires etc.) I done it and the light did not go away but the car now wanted to stall running at idle. The code then came up EGR control and coolant sensor, it was replaced and the valve was cleaned but the coolant sensor was already a new one in recently. Before leaving the shop, the code still came up for EGR however running on idle the stalling was not there. The engine light is staying off however I don't think it feels like it's running properly and while I ran it on a highway for a little ways and back. It wants to start stalling again but not as bad, the accelerate was ok I guess better but I don't think it's up to par. It has not actually stalled during this time, it wants to, I have blocked it from stalling a few times before the new egr control was put in by moving at a slight pace 1-2mph or so when stop light or stop light, luckily it was clear or green before I ran out of run to move.

Most of the time I put no ethanel gas in it, I know ethanel gas can give bad problems.

Thanks for your time.
Was this
answer
helpful?
Yes
No
Saturday, December 15th, 2018 AT 12:49 PM (Merged)
Tiny
SATURNTECH9
  • MECHANIC
  • 30,869 POSTS
Which coolant temp sensor did you change the bottom one with two wires or the top one with one wire?Also have you tried unhooking the vacuum line to the egr valve to see if the problem goes away?
Was this
answer
helpful?
Yes
No
Saturday, December 15th, 2018 AT 12:49 PM (Merged)
Tiny
JOHN6980
  • MEMBER
  • 14 POSTS
All I know is what the repair guy said coolant sensor, I didn't know there was two.

Everything was bad when they took them out and replaced them. Should the valve be ok if just cleaned or do I need to replace it?

Is there something else that may cause this problem?
Was this
answer
helpful?
Yes
No
Saturday, December 15th, 2018 AT 12:49 PM (Merged)
Tiny
SATURNTECH9
  • MECHANIC
  • 30,869 POSTS
You would have wanted to change the bottom one with two wires thats the one for the computer also the inside of the connector where the terminals are turn green or blue and get corroded. As far as the egr valve goes I have seen the springs in the egr valves get weak and open too far too fast and cause drivability issues. Thats why I asked if you have tried unhooking the vacuum line to it see if the problem goes away?
Was this
answer
helpful?
Yes
No
+1
Saturday, December 15th, 2018 AT 12:49 PM (Merged)
Tiny
JOHN6980
  • MEMBER
  • 14 POSTS
When I took it back, the machine did not show up anything even when hot. Shop recommended a cleaner to put in where the gas goes in to clear out the loose or what can't be seen. As soon as it was put in and drove it a few minutes the light came back on and it's trying to stall again but not as bad (can feel it but I don't need to accerelate to keep from stalling like last time), taking it back almost right away, all it showed up was the egr code. Said was the junk the cleaner was taking care of. If it was something else then they didn't know and didn't want to guess without any showing up or acting different.

I am pretty sure the person working on it would have saw if the springs were bad cause they was in there for quite some time cleaning and replacing.

Not sure if I mentioned this previously but they did a diagotics too and only showed the sensor.
Was this
answer
helpful?
Yes
No
Saturday, December 15th, 2018 AT 12:49 PM (Merged)
Tiny
SATURNTECH9
  • MECHANIC
  • 30,869 POSTS
You can't see a bad spring its impossible unplug the vacuum line from the egr valve and see if the problem goes away?
Was this
answer
helpful?
Yes
No
Saturday, December 15th, 2018 AT 12:49 PM (Merged)
Tiny
JOHN6980
  • MEMBER
  • 14 POSTS
The problem was the source of several bad parts which was recognized mostly by engine light one at time: coolant sensor, complete tune up (plugs, fuel filter etc.), Egr (control and valve) and the computer and fuel cleaner, mounts, belt and a few other things I can't think of right now. Any line that went into one of the parts above like the sensor was cleaned. The only thing I have not is changed the oil which I need to but won't until I know the car will run. Engine was tested and runs fine. Transmission shop looked at it and said it was good.

Still did not fix one problem but I can run the car now and it only happens in this scenerio: on a highway 55mph or greater speed limit, stopped or slowed way down at the beginning or middle of a hill such as when stopping for a car in front of me when turning then when I start back up it has a hard time to accelerate or does not or stops at 30-40mph, I could floor the gas and still will not until it reaches the end or at end of hill. There are no codes for this.
Was this
answer
helpful?
Yes
No
Saturday, December 15th, 2018 AT 12:49 PM (Merged)
Tiny
SATURNTECH9
  • MECHANIC
  • 30,869 POSTS
Has anyone tested for excessive back pressure yet?
Was this
answer
helpful?
Yes
No
Saturday, December 15th, 2018 AT 12:49 PM (Merged)
Tiny
JOHN6980
  • MEMBER
  • 14 POSTS
Not that I know of. Is there a way that I could check it myself or is it too complicated for someone who doesn't know much about cars?
Was this
answer
helpful?
Yes
No
Saturday, December 15th, 2018 AT 12:49 PM (Merged)
Tiny
SATURNTECH9
  • MECHANIC
  • 30,869 POSTS
Its easy if you have a back pressure gauge set?Your best bet is have it checked at a exhaust shop.
Was this
answer
helpful?
Yes
No
Saturday, December 15th, 2018 AT 12:49 PM (Merged)
Tiny
JOHN6980
  • MEMBER
  • 14 POSTS
I have not gotten around to do this yet. I was wondering if you knew something else or a list that may cause that so that I can have it checked all at once. Also if it helps, I forgot until now that when it runs about 2 hours or more, much worse. I haven't run that long since problems started but i'm sure it will since it still does it. You mentioned exhaust, it maybe clogged like a bunch of other things were, could that produce that problem?

Thanks.
Was this
answer
helpful?
Yes
No
Saturday, December 15th, 2018 AT 12:49 PM (Merged)
Tiny
SATURNTECH9
  • MECHANIC
  • 30,869 POSTS
Which coolant temp sensor did they change the top one or bottom one?Have you checked actual fuel pressure yet?You changed the egr valve?
Was this
answer
helpful?
Yes
No
Saturday, December 15th, 2018 AT 12:49 PM (Merged)
Tiny
JOHN6980
  • MEMBER
  • 14 POSTS
The sensor replaced was the one that showed up on diagnostics, nothing shows up on that now.

EGR valve and control was replaced along with other parts listed above.

No one has this gauge to check the back pressure you spoke about I checked today even the person who works on exhaust. When I explained the problem to one of those mechanics said could be 02 sensor. But no diagnostics or engine code says that ever.

If you don't mind me bugging you again but how long does it take for a car to adjust to a new pcm computer? The engine light does come on after about a few minutes of running stays on for some minutes and then goes off and stays off. They said it's cleaning and/or adjusting but it's been many days since then. However it's not doing anything not normal except that scenerio I explained.
Was this
answer
helpful?
Yes
No
Saturday, December 15th, 2018 AT 12:49 PM (Merged)
Tiny
SATURNTECH9
  • MECHANIC
  • 30,869 POSTS
So now you replaced the computer? Thats not normal after replacing the computer for the check engine light to come on for a while the turn off all the time. Sounds like you have more trouble codes in the computer. I would have it scanned for codes again.I really doubt the o2 sensor is causing that problem. A exhaust shop should have a back pressure gauge that's pretty normal all the ones around me have them.
Was this
answer
helpful?
Yes
No
Saturday, December 15th, 2018 AT 12:49 PM (Merged)
Tiny
JOHN6980
  • MEMBER
  • 14 POSTS
Let's forget about the accelerate, I can get by with that problem and start over. I am surprised as you are since you say it's common for that type of gauge and there's probably like a dozen places in this small town I could take it but no one has it. Of course I didn't check them all there are a few I avoid for various good reasons.

Starting over: Rear struts was done just before when it made noise, that noise is gone but shouldn't have caused all this. Diagnostics was done and only showed coolant sensor. Sensor replaced (the one that showed up) and cleaned in the area. Not long after. The engine light came on. (When I say the light only 1 code came on at a time) Code said tune up. It was done and a good quality not cheap fuel cleaner was put in. Light came back on. Said EGR. The solenoid control was replaced (from what I have known to believe this part no longer being made but I did find a New one on ebay the only place/person). Light went off however it now wanted to stall like crazy. EGR Valve was replaced and cleaned the parts around it. New belt and mounts. Engine itself was checked pistons and other parts and was fine (from what a repair shop says not a actual engine expert but would know enough to say this is good or not). Stalling quit for good. Diagnostics and engine was checked again Clear. Next day the car decided to jerk, shake etc. Like crazy totally not stable constant. The light stayed off. PCM I think that's whats it's called the computer part a new one was put in. Jerk etc. Stopped for good. The light came back on. It only shows EGR. I have been driving it for awhile now since no one knows anything. The light will only come on when it's cold after starting and driving for about 5 minutes and some minutes later it will go off and stay off for good. However the code is probably still in the system. The car only misses when idle is the only fault does not do nothing else besides the accelerate in a certain scenerio only (but let's not go there). I had going for a max so far a hour at one time and still nothing else happened. 1 shop says it can't be the EGR and guesses don't know coils or vaccum leak another shop says No to all that and says either the EGR control and/or valve went bad or it needs cleaning the tube I guess that goes in. If I wanted to guess I don't know for sure that when the computer was put in they done something, missed something or something isn't hooked up right or maybe came a little loose. Or maybe it's the wrong computer. The shop that put that in won't recheck it to see if wrong and/or loose. It does need oil change but I seriously don't think that would cause that, not going to do oil until this is figured out. Shop is the only one who worked on it.
Was this
answer
helpful?
Yes
No
Saturday, December 15th, 2018 AT 12:49 PM (Merged)
Tiny
MSTONE1700
  • MEMBER
  • 3 POSTS
Hello. I’m new here. But I have a similar issue. I have a 2018 Ford F250 and I just installed an LED third brake light. It works fine. But the cargo lights will not turn off when I put the truck in gear. They just always stay on unless I turn off the truck. In addition the cargo light button doesn’t work when I have the LED light installed but works fine when I put the factory one back on. Is there a way to add something like a resistor or something to the led light to fix this. Or change something to make it work? Or should I try buying a different light to see if it’s the light itself?
Was this
answer
helpful?
Yes
No
Thursday, September 7th, 2023 AT 6:39 PM

Please login or register to post a reply.