Radiator fans not working?

Tiny
TONY CINI
  • MEMBER
  • 2004 HOLDEN CALAIS
  • 3.8L
  • V6
  • 2WD
  • AUTOMATIC
  • 250,000 MILES
I over-ride the thermo fans and they actually work. I changed the relays. They still don't come on and I tried putting the A/C on still don't come on. When I disconnected the temperature sensor, they come on until I switched the ignition off.
Saturday, August 20th, 2022 AT 6:48 AM

1 Reply

Tiny
KEN L
  • MASTER CERTIFIED MECHANIC
  • 55,512 POSTS
It sounds like you have a bad PCM or BCM we need to do a CAN scan which is easy this will scan the entire car. You can get a CAN scanner from Amazon for about $30.00.

Here is a video to show you how:

https://youtu.be/u-4syLc-ifQ

Here is a scanner link:

https://amzn.to/3o41KcZ

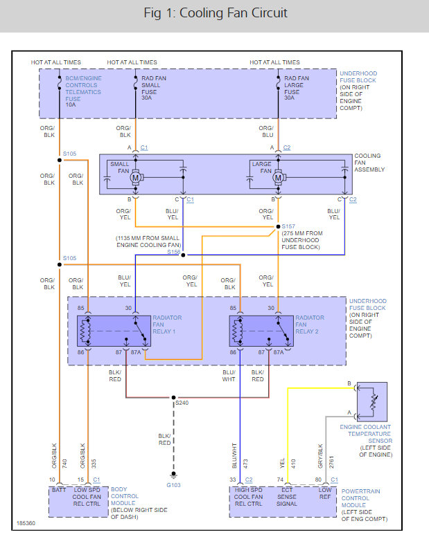
Here are the radiator cooling fan wiring diagrams so you can see how the system works. I think you have a bad PCM so here is how to change it out in the images below just in case you need it. Check out the diagrams (below). Please let us know what you find. We are interested to see what it is. You can get a rebuilt PCM from eBay. Have your VIN number ready. Also check for power at the fuses in the wiring diagrams.
Was this
answer
helpful?
Yes
No
Saturday, August 20th, 2022 AT 3:34 PM

Please login or register to post a reply.