The ignition switch

Tiny
TAMARA LLOYD
  • MEMBER
  • 1997 CHRYSLER LHS
  • 0.5L
  • 3 CYL
  • 2WD
  • AUTOMATIC
  • 180 MILES
I just got the vehicle listed above. It had been sitting for over a year, naturally battery was drained. Had only 3.3 volts I left it hooked to charger all night started up next day. When I went to put new battery in I noticed two wires spliced, okay it was fine I had power windows heat and all. Since I'm a female, I guess my male friend was persistent to tighten down my battery terminal, in process one of the fine wires spliced in lost contact and then the heat, power windows would only work maybe every other time. I now have no heat defrost power windows. All fuses are good and I reconnected wires with good connection.
Wednesday, February 10th, 2021 AT 3:46 PM

3 Replies

Tiny
CARADIODOC
  • MECHANIC
  • 34,463 POSTS
It sounds like you know the area the cause of this problem is in. With multiple dead systems, pick one to start with, then when we solve that, we're likely to solve everything. I picked the power windows, but if that wire is the culprit, you should have quite a few other dead systems besides what you listed.

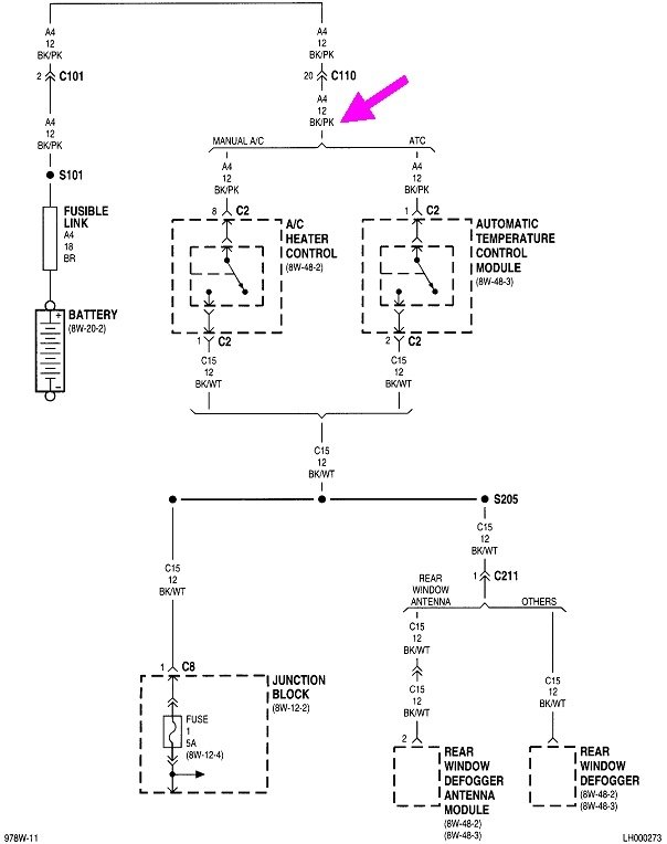
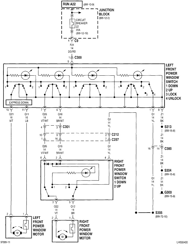
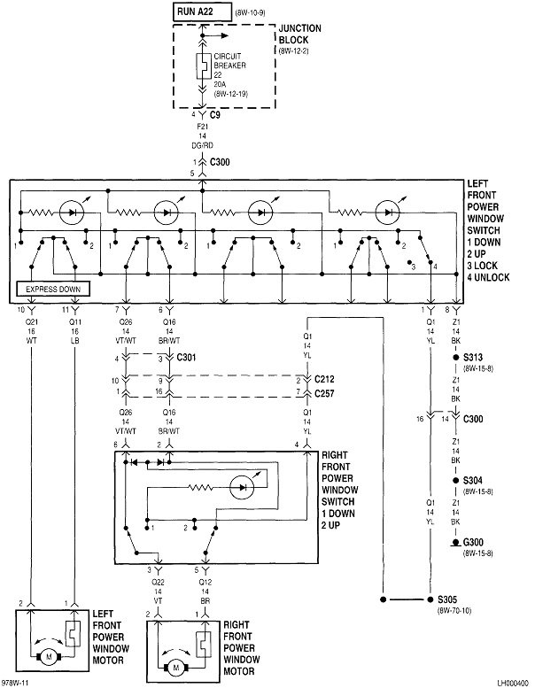
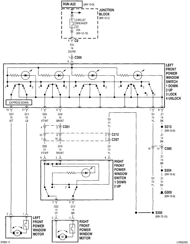
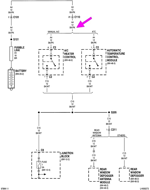
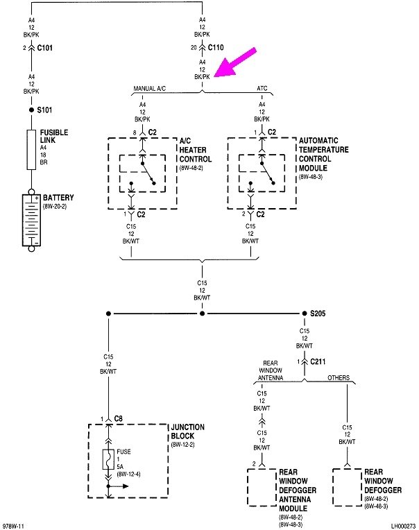
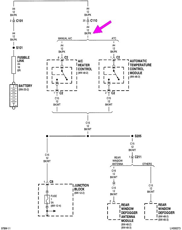
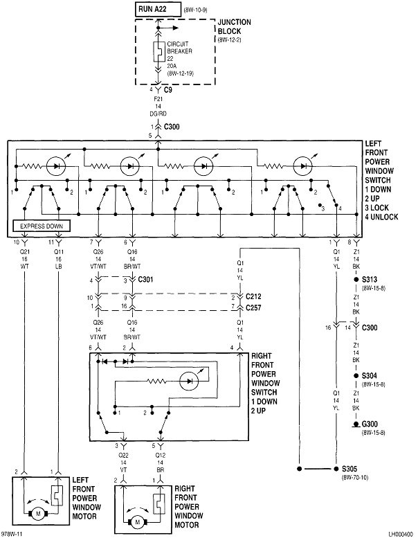
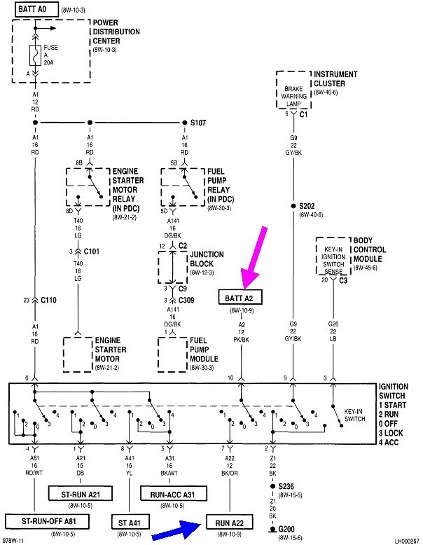
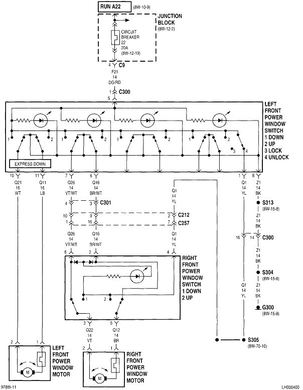
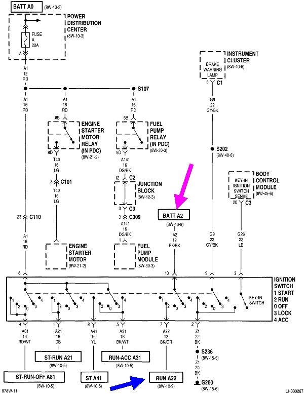
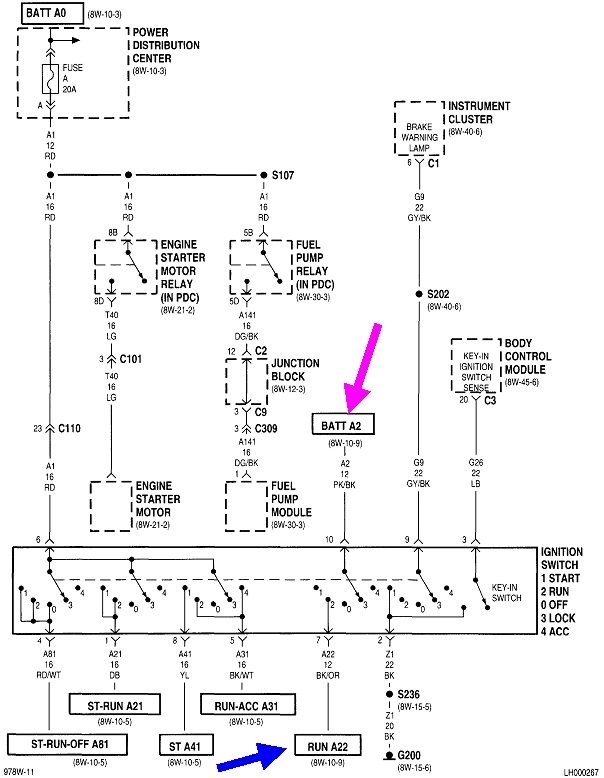
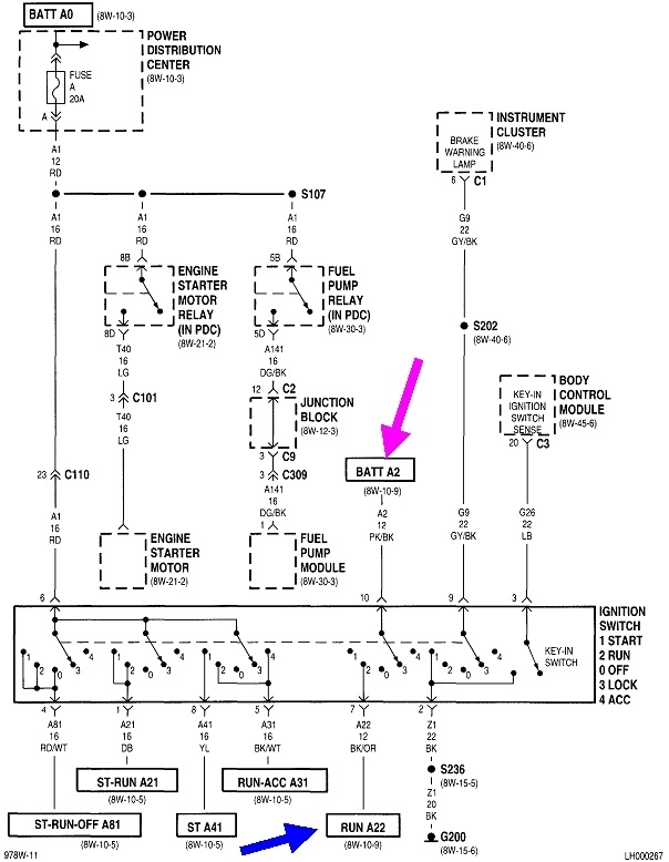
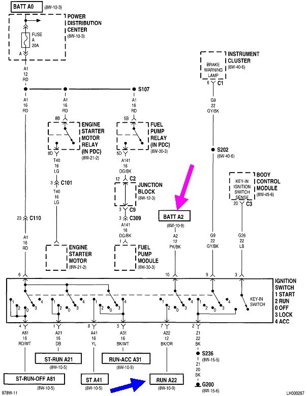
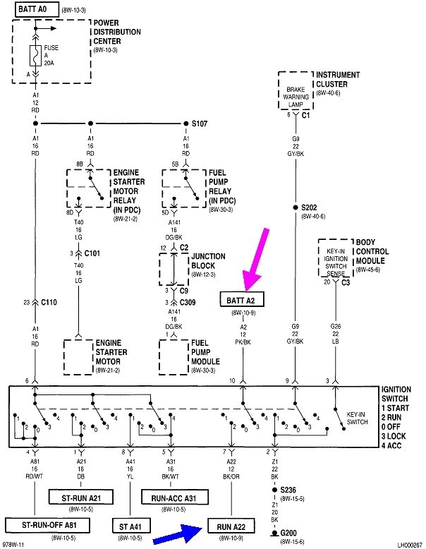
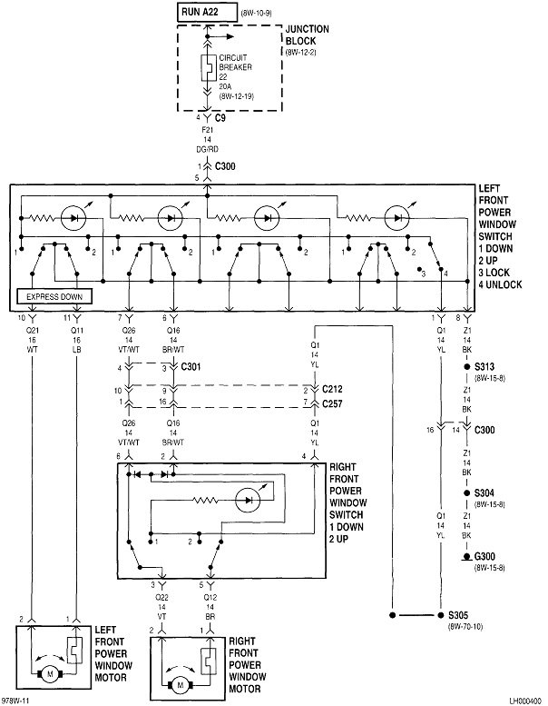
I apologize that these diagrams are kind of hard to read. If you copy and paste them into an MS Word typing program, you can make them bigger. The second one is for part of the power windows. You'll see way at the top it shows this is fed by circuit "A22" that is live with the ignition switch in the "Run" position.

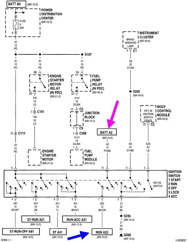
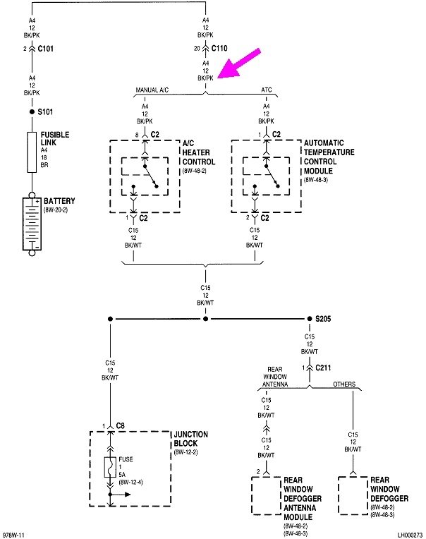
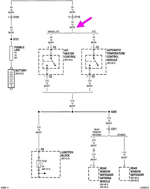
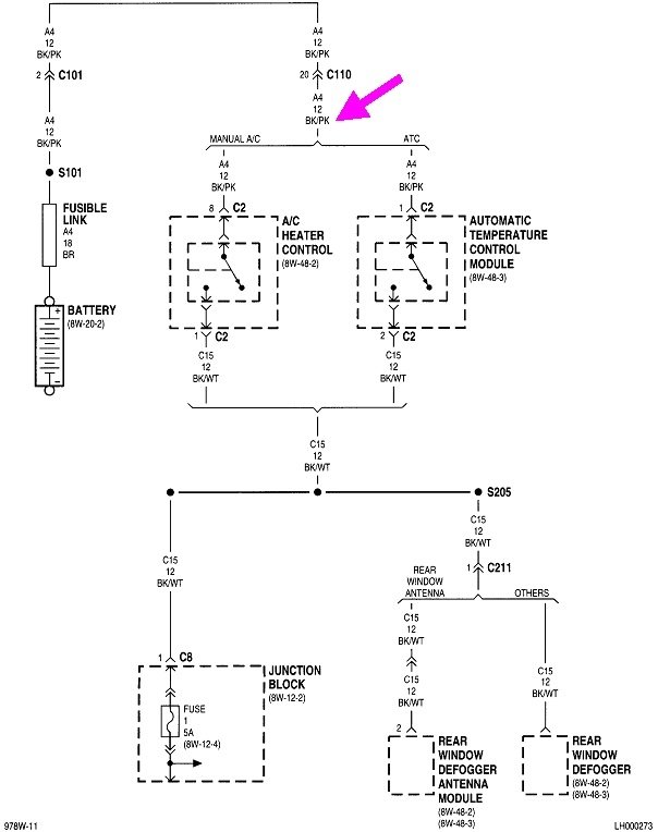
In the third diagram, the blue arrow at the bottom shows that "Run A22" circuit coming off the ignition switch. Follow that back and you'll see that section of the ignition switch is fed by circuit, "Battery A2".

The fourth diagram is part of the Power Distribution Center, (under-hood fuse box),and it shows that feed, "Battery A2" at the bottom right. It is protected by fuse "J", a 40-amp. That will be a large maxi-fuse. If that fuse is blown, only the systems controlled by that part of the ignition switch will be dead. Other easily-identified circuits will be still working. Those include the delayed wipers and the anti-lock brake pump motor. If those systems work properly, the wire you were looking at has to be okay, and it's fuse "J" we have to start with. That is pointed out by the green arrow in the fifth drawing.

If all those other systems are dead too, we have to work back further. In the fourth diagram, that part of the fuse box is fed by circuit "A0", a 6-gauge black wire, (shown by my black arrow), and that comes right off the battery's positive cable clamp.

For this type of problem, voltage readings are really only valid when they're taken while the circuit is fully connected and trying to operate. One place to start is by pulling out fuse "J", then checking for voltage on one of the terminals in the socket, but by pulling it out, that breaks the circuit. That has the potential to give a false "good" voltage reading. One way to draw some current is to use a test light instead of a digital voltmeter. If there's a break in that black wire, all it takes a tiny speck of corrosion across the break, or just one tiny strand of wire still intact, for the meter to show what looks like 12 volts, which we'd interpret as okay, but there's no way to get enough current through that break to run the circuits. A test light needs current to flow to do its thing, so it will be more accurate.

If you need a test light, you can find a perfectly fine one for around $4.00 at Harbor Freight Tools, Walmart, or any hardware store. Here's an article on using it, if you need it:

https://www.2carpros.com/articles/how-to-use-a-test-light-circuit-tester

Remove fuse "J", then check for 12 volts on the two terminals in the socket. It should be on one of them. If it's missing on both, recheck that black wire. If you have 12 volts on one terminal, we'll have to work the other way to solve this.
Was this
answer
helpful?
Yes
No
Wednesday, February 10th, 2021 AT 5:14 PM
Tiny
TAMARA LLOYD
  • MEMBER
  • 2 POSTS
Thank you that is very helpful. My next question is, if It is the ignition switch, does that mean car wouldn't start? And where exactly is that located?
Was this
answer
helpful?
Yes
No
Thursday, February 11th, 2021 AT 7:46 AM
Tiny
CARADIODOC
  • MECHANIC
  • 34,463 POSTS
There's actually six independent switches inside the ignition switch assembly. By far the one that fails most often is the accessory circuit switch that feeds the power windows, heater fan, and radio. One of those with the lowest failure rate is for the starter circuit because it gets such little use.

This drawing shows the location of the ignition switch across from the lock cylinder. This view is looking down on the steering column with the back of the steering wheel at the top.

You also have to be careful when you say "the engine doesn't start". That can have multiple and confusing meanings. Some owners will have a starter that cranks the engine just fine, but the engine won't run. To avoid that confusion, I call that a "crank / no-start". Others will have a dead or malfunctioning starter system so it never spins the engine. That's a totally different set of symptoms, but they call that "doesn't start" also. I call that a "failure to crank", or a "no-crank".

Related to this, one part of the ignition switch is for the starter circuit and nothing else. A different part of the ignition switch turns on the ignition system under the hood to include the ignition coils and spark plugs, the fuel injectors, and the fuel pump. That part of the ignition switch is not the same part used for the power windows and heater fan, so even when that high-current part fails, the switch for the starter and the switch for the ignition system will still work normally.

Are you saying there are more dead systems now? If so, you'll have to list all of them, then we can figure out what they all have in common. Voltage tests at the fuse box will also tell us which way to go when looking for the cause of this problem.
Was this
answer
helpful?
Yes
No
Thursday, February 11th, 2021 AT 3:09 PM

Please login or register to post a reply.