Heater not getting hot

2004 BUICK RENDEZVOUS
140,000 MILES • 3.4L • 6 CYL • AWD • AUTOMATIC
Avatar
BUZZLEE
  • MEMBER
  • 2 POSTS
when I turn the heater on only cold air blows out. We replaced the thermostat and that did not fix the problem. The car is not overheating and the radiator is full. The control in the car works on all speeds but just blows cold air. At one point the heater worked and would not turn to cool, just blew hot air. Then just stopped working. The dealer told me that it would be at least 9 hours to diagnose the problem. Do you have any suggestions.
Oct 22, 2014 at 12:35 PM
Advertisement
Avatar
SATURNTECH9
  • CAR REPAIR CONTRIBUTOR
  • 30,869 POSTS
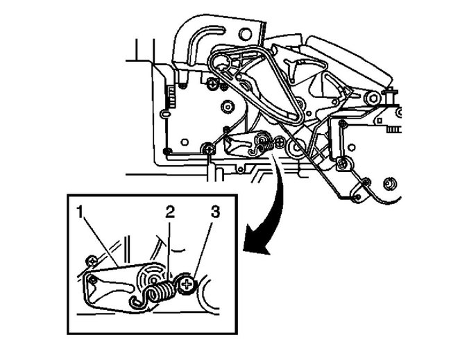
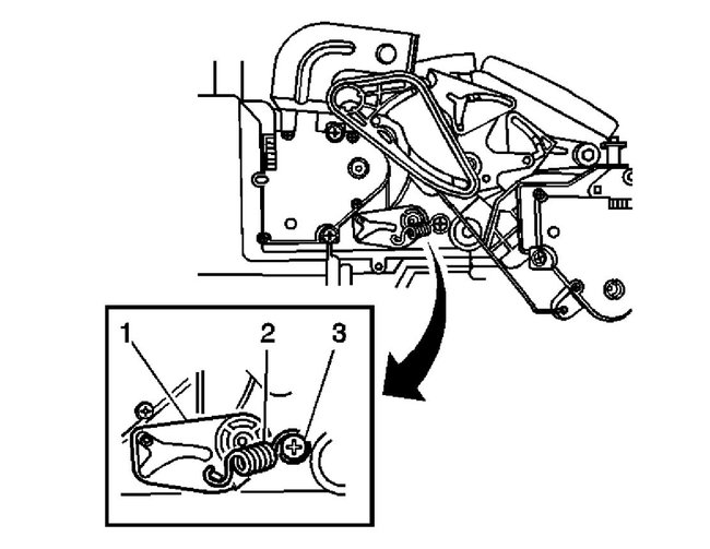
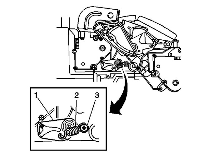
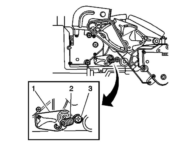
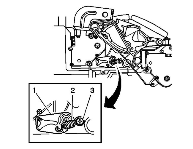
You could have a issue with the blend door or the blend door actuator. When you move from cold to hot or hot to cold can you see the blend door moving?Also you have auto climate control correct?

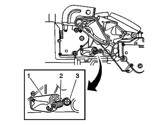
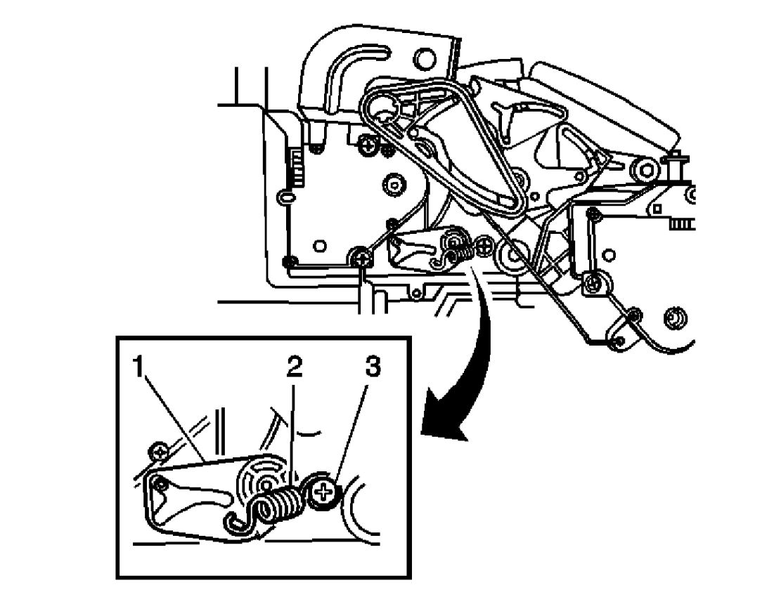
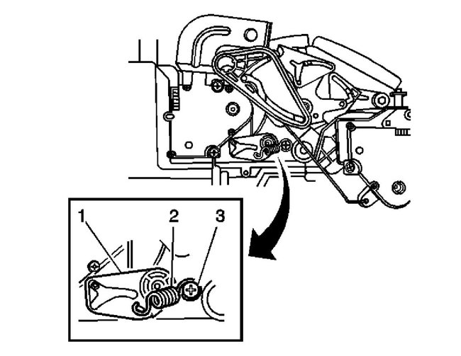
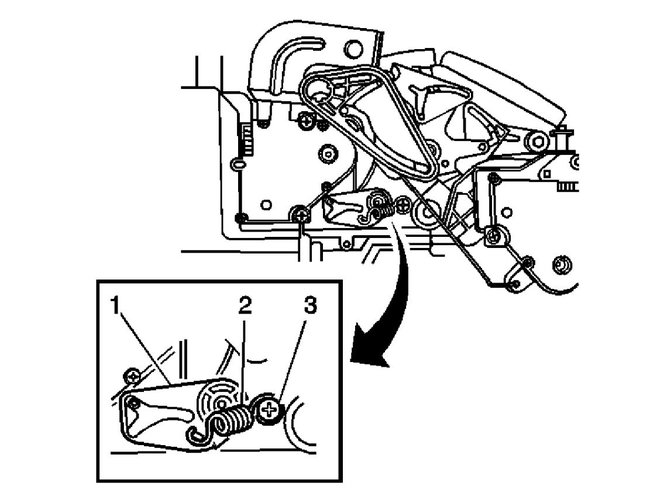
Heres some pics of where the actuator is
Oct 22, 2014 at 1:35 PM
Advertisement
Avatar
BUZZLEE
  • MEMBER
  • 2 POSTS
No auto climate control that I know of. How do I fix the blend door or blend door actuator?
Oct 22, 2014 at 6:50 PM
Avatar
JRP225
  • MEMBER
  • 4 POSTS
I have two problems...One why would the passenger side of the car blow out hot air but the driver side blows out cold no matter how long you let the car run?
Two when you have heater on defrost it blows out alot of air but when you turn it to vent it slows down and dont blow out as much. It's like there is no pressure.

Please help me!!!
Apr 13, 2019 at 5:13 PM (Merged)
Avatar
FACTORYJACK
  • CAR REPAIR CONTRIBUTOR
  • 4,159 POSTS
On the first issue, you could have two possibilities. The thermostat may not be regulating temp correctly, and the air is warmer on the passenger side because of its proximity to the core, by the time it reaches the drivers side it is cooled even more. Or there could be a fault with the dual zone system, where one blend actuator is faulty and not working, or overtraveled and defaulted to full cold. The latter will set codes, they could only be checked with a scan tool.

On the second issue, does the blower noticeably slow down as well? I did a bulletin search, and found this. It regards whether or not there is a cbin filter installed.

#PI01797: Missing Pollen or Cabin Filter - accessory air heating HVAC condition automatic bilevel blower cool cowl defrost dirt door duct evaporator external fan heat heater manual no odor passenger - (Feb 26, 2004)


Subject: Missing Pollen or Cabin Filter


Models: .




--------------------------------------------------------------------------------

When servicing the vehicle with the VIN you entered, the following diagnosis might be helpful if the vehicle exhibits the described symptoms.

Condition/Concern:
Missing pollen or cabin filter

Recommendation/Instructions:
For 2003 and newer models of the Buick Rendezvous and Pontiac Aztek, the HVAC case does not contain a pollen or cabin filter although the case has the provision and the door is marked "Filter". With the filter removed, air flow into the vehicle is improved when using vent mode and high temp settings. SI and the owners manual do not refer to this deletion or give instructions for installing this filter. Installing this filter may reduce airflow from the IP center vents especially on warmer temperature settings and cause customer dissatisfaction.

.


Models:
(2003-2004 Buick Rendezvous) and (2003-2004 Pontiac Aztek)
Apr 13, 2019 at 5:13 PM (Merged)
Avatar
SERGIO RANGEL
  • MEMBER
  • 1 POST
For all yawl with a Chevy impala from 00 to 09 or Buick from 02 to 07 with 3.4l motor you will run into coolant heating issue because the head is aluminum if you lose heat and change the thermostat and still have no heat you have a failed or blown gasket in the head its their design flaw. Buy a 40 dollar bottle of devil blue head gasket fix it works i just used it my heat is back in full force.
Nov 23, 2019 at 4:48 PM
Repair Safety Notice: This information is for general instructional purposes only. Vehicle repair can be dangerous. Verify all information, follow manufacturer service procedures, use proper tools and safety equipment, and consult a qualified repair shop when needed.