Testing alternator or other component in the charging system

Tiny
KEVIN HENNELLY2
  • MEMBER
  • 22 POSTS
I received a tip on one of the Mercedes forums. There is a fusible link in the starter-alternator wiring loom. I used my test light to check the alternator terminal with the alternator disconnected. There was no power.

I am going to have the alternator tested again tomorrow. If the test shows it is good, I will be turning my focus to the fusible link. Unfortunately it is not in a readily accessible location. I will be studying starter removal procedures on the M271 engine for clues on removing the starter cable.
Was this
answer
helpful?
Yes
No
+2
Monday, June 22nd, 2020 AT 8:35 PM
Tiny
JACOBANDNICKOLAS
  • MECHANIC
  • 110,192 POSTS
Here are the directions for starter removal and install. Actually, the attached pics include the directions.

___________________

2005 Mercedes Benz C 230 (203.040) L4-1.8L SC (271.948)
AR15.30-P-7100Q Remove Starter, Install
Vehicle Starting and Charging Starting System Starter Motor Service and Repair Removal and Replacement AR15.30-P-7100Q Remove Starter, Install
AR15.30-P-7100Q REMOVE STARTER, INSTALL
Remove starter, install

See attached pics

___________________

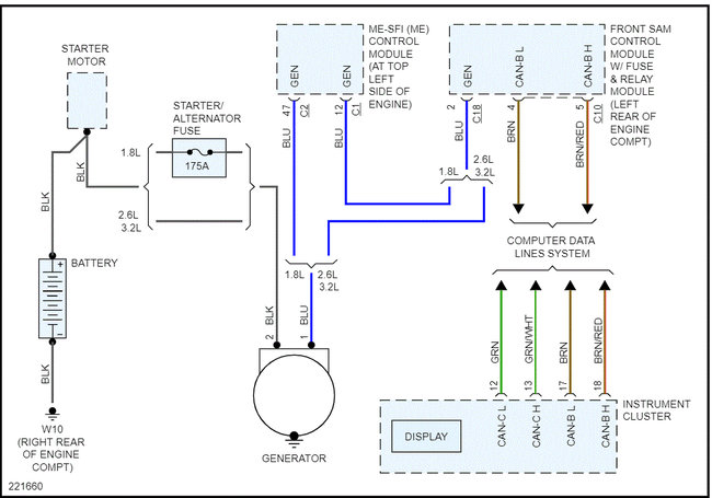
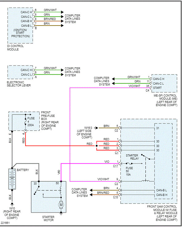
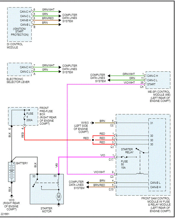
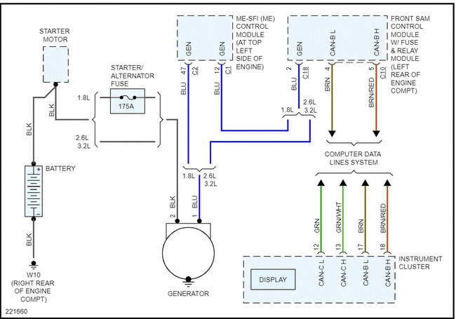
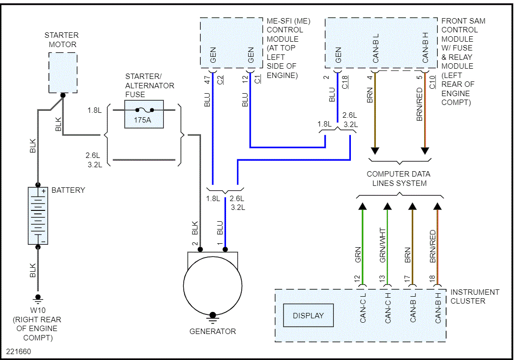
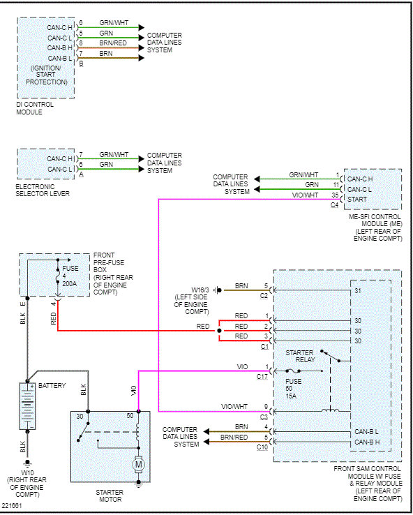
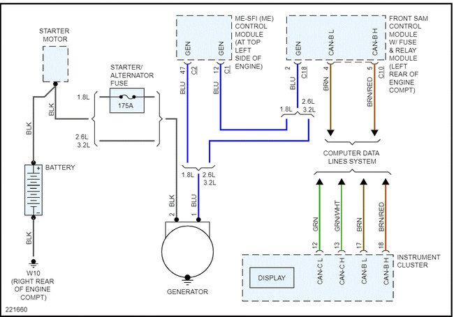
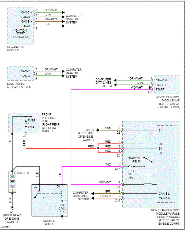
pic 10 is the charging system schematic. Pic 11 is the starting system schematic.
Was this
answer
helpful?
Yes
No
+1
Monday, June 22nd, 2020 AT 10:38 PM
Tiny
KEVIN HENNELLY2
  • MEMBER
  • 22 POSTS
Thanks for the instructions. I would not have been able to remove the battery/starter/alternator cable without them.

Once I had the bolt off, I was able to pull it over the bell housing. I had to open up the protective casing to access the 175-amp fusible link. Then, I verified that the link had blown with my test light. The battery side of the link had power. The other side did not.

Unfortunately, it does not appear that a replacement link can be swapped in. I searched on the term "175-amp fusible link" and couldn't find anything that looked like the one in the car. The fusible links that my search identified had different configurations. It looks like the one Mercedes used was crimped on using a machine that could generate a significant amount of force.

I want the repair I make to be reliable. Although I can find 175 amp fusible links, they look different than the one in the car. (See photos.)

 If I use a fusible link like the one I can buy in an auto parts store, I need to find a way to install that won't allow it to come loose over time. A better option may be to replace the entire cable with one from a recycling yard. I have access to a C230 that I used to harvest replacement parts. Unfortunately, it is sitting on flat tires in the owner's back yard. To remove the bolt on the starter, I must get under the car and I cannot think of a safe way to do that.Â

I found one on an auction site for a coupe, but the listing doesn't confirm that the cable will fit a sedan. I may take a chance and buy it anyway.

I will appreciate any suggestions.
Was this
answer
helpful?
Yes
No
Saturday, June 27th, 2020 AT 5:38 PM
Tiny
JACOBANDNICKOLAS
  • MECHANIC
  • 110,192 POSTS
I agree with your thoughts on it coming loose. Have you searched any salvage yards near you? Can you get one from a dealer that won't require you to refinance your home?

Joe
Was this
answer
helpful?
Yes
No
Saturday, June 27th, 2020 AT 9:20 PM
Tiny
KEVIN HENNELLY2
  • MEMBER
  • 22 POSTS
Thanks again for your help. I appreciate the benefits of a second opinion from a more knowledgeable person. I'd like to have the car back on the road soon, but I need to be patient and do the job right the first time. Unless I'm positive that I can make a reliable repair to the existing harness, I plan to replace it.

I checked the local "Pick and Pull" and they don't have a 2003-2005 C Class with a four cylinder engine listed on their inventory.

I plan to call the other yards on Monday to check whether they can sell the harness. I'm concerned that their business model may be to remove the parts they know they can sell easily and then crush what they don't think they need.

I will also contact the dealer. They are willing to price match the on-line sellers. The challenge with this part is that when I searched a couple of on-line sellers for the part number (A203 540 0530) their web sites show that the part has been superseded by a different part number. Unfortunately the illustration for the new part shows only a cable that runs from the battery to the pre-fuse block.
Was this
answer
helpful?
Yes
No
Sunday, June 28th, 2020 AT 5:43 AM
Tiny
KEVIN HENNELLY2
  • MEMBER
  • 22 POSTS
I looked more closely at the fusible link assembly. There was a small cover that I could remove. I have attached a photo of the fusible link. The photo verifies that the link is blown

Does anyone have any ideas about (1) how to replace the link and (2) where can I find the replacement 175-amp link?
Was this
answer
helpful?
Yes
No
Sunday, June 28th, 2020 AT 8:12 AM
Tiny
KEVIN HENNELLY2
  • MEMBER
  • 22 POSTS
I may have had two problems and only solved one.

I installed the new battery/starter/alternator cable. (If anyone else ever needs to do this, the instructions Jacob and Nickolas posted are great.) There are also videos on YouTube. The cable has to fit between the starter and the engine block or the cable end will block the re-installation of the supercharger dampener. Look at the routing of the cable as you remove it, and you will see how to do it. It may be easier to route the cable if you remove the starter. I did not remove the starter because I couldn't remove one of the bolts holding it in place due to the size of the head of my ratchet. If I have to replace the starter, I will need to buy a ratchet with a more compact head or use a combination of a swivel and extensions to access it. I saw some people claim that they did not need to remove the supercharger dampener to access the bolt holding the cable on the end of the starter. I don't see how they did that. In addition to the dampener, I had to disconnect the steering linkage and move a refrigerant line.

To make a long story short, I now have power to the alternator. Unfortunately, I still have the alternator-battery warning light. When I display the voltage on the center information screen with the car running it shows 12.1 volts instead of the 14-14.2 volts it would display before I damaged the system.

When I connect the STAR tool, it displays the same fault code as it did before I replaced the cable - 2062-02-Alternator Serial Interface - No connection to the control module. As noted in previous posts, the data line to the ECU has continuity. However, I have not used an oscilloscope (as someone on another forum suggested) to read the data.

I had previously had the alternator tested at a rebuild shop on a somewhat primitive looking machine. The technician gave it a passing grade. I replaced the voltage regulator on it because the brushes were worn. I had it retested at an Advance Auto and they said it failed. The Advance Auto test machine is capable of printing out data, but the technician didn't know how to do it. He did tell me the voltage regulator was okay.

It looks like my next step may be to replace the alternator with a rebuilt unit. Before I spend $200.00 throwing another part at the car, does anyone have other suggestions? I think my second option would be to follow the advice I received on another forum and either obtain an oscilloscope to read the data or find someone who has the equipment and can do it for me.
Was this
answer
helpful?
Yes
No
Thursday, July 2nd, 2020 AT 7:06 PM
Tiny
JACOBANDNICKOLAS
  • MECHANIC
  • 110,192 POSTS
Honestly, you have done a lot of work. Other than checking with an oscilloscope, there really is nothing else to check. Is there a different parts store that could confirm what AZ told you?
Was this
answer
helpful?
Yes
No
Friday, July 3rd, 2020 AT 10:38 PM
Tiny
KEVIN HENNELLY2
  • MEMBER
  • 22 POSTS
I replaced the alternator with a new Bosch unit. Unfortunately, that didn’t repair the problem. I understand that there could be a manufacturing defect in the new alternator, but that seems like a low probability event. I may need to take the car to a shop unless there are other options to consider.
Was this
answer
helpful?
Yes
No
Tuesday, July 7th, 2020 AT 9:19 PM
Tiny
JACOBANDNICKOLAS
  • MECHANIC
  • 110,192 POSTS
The only thing I have is what is related to the code that you found originally. Here is what is listed:

__________________________________

2005 Mercedes Benz C 230 (203.040) L4-1.8L SC (271.948)
Test 1: Alternator Output Too Low Fault Code 2062 [2]
Vehicle ALL Diagnostic Trouble Codes ( DTC ) Testing and Inspection Manufacturer Code Charts Powertrain Management Code Tests 2062 [2] Alternator Serial Interface: No Connection to Control Module N3/10 (ME-SFI Control Module) Test 1: Alternator Output Too Low Fault Code 2062 [2]
TEST 1: ALTERNATOR OUTPUT TOO LOW FAULT CODE 2062 [2]
Alternator output too low Fault code 2062 [2]

Possible cause and remedy

- Check electrical line between component N3/10 (ME-SFI control module) and component Generator for contact and routing and (or) line breaks.

- Check alternator regulator with oscilloscope.

___________________________

Joe
Was this
answer
helpful?
Yes
No
Wednesday, July 8th, 2020 AT 8:57 PM
Tiny
KEVIN HENNELLY2
  • MEMBER
  • 22 POSTS
I have made progress, but not achieved complete resolution. Here’s a link to a video showing what happens when I start the car and rev the engine:

https://www.youtube.com/watch?v=n23pGP5JSzA

https://www.youtube.com/watch?v=7exQ_Lnr64M&feature=emb_rel_end

The alternator starts charging and holds a steady voltage reading of 14 volts even after it returns to idle. I have 3 problems:
1. The alternator warning illuminates
2. The fault code for no communication with the control unit remains
3. The voltage should be 13.4 to 13.6 and I am concerned about over charging the system and damaging another component if I run the car for a long time at 15 volts.

I was able to return the new alternator I bought for a refund because the original alternator with the replacement voltage regulator exhibited the same performance.

I confirmed that the wiring between the alternator and the ECU and between ECU and the front SAM is undamaged.

I am wondering whether the front SAM could have been damaged by the short I induced with my wrench. I know that the wiring between the ECU and the alternator and the ECU and the SAM is OK, but the circuit board in the SAM may not have fared as well. I could install a SAM I removed (because of a defective turn signal) in the car. If this fixes the alternator communication problem I understand that I would have to buy another SAM to repair the turn signal issue. I am also wondering whether a damaged SAM might explain the problem I am having with DAS/Xentry. The system has been returning error messages and won’t allow me to run tests consistently.

I may also be starting to grasp at straws. I would appreciate any feedback you can offer.
Was this
answer
helpful?
Yes
No
Tuesday, July 28th, 2020 AT 12:48 AM
Tiny
KEVIN HENNELLY2
  • MEMBER
  • 22 POSTS
I made some progress as you can see in this video:

https://www.youtube.com/watch?v=n23pGP5JSzA

When I rev the engine the alternator starts charging and produces 14 volts even after returning to idle. I have three problems:
1. The alternator warning light continues to illuminate
2. The error code for no communication with the alternator continues to set
3. I confirmed with other C230 owners that 13.4 -13.6 volts is the normal reading and I am concerned that too much voltage may damage a component

I confirmed that there is no damage to the wiring between the alternator and the ECU and between the ECU and the front SAM with a multi-meter.

I am wondering whether the front SAM could have been damaged by the short I induced with my wrench. I know that the wiring between the ECU and the alternator and the ECU and the SAM is OK, but the circuit board in the SAM may not have fared as well. I could install a SAM I removed (because of a defective turn signal) in the car. If this fixes the alternator communication problem I understand that I would have to buy another SAM to repair the turn signal issue. I am also wondering whether a damaged SAM might explain the problem I am having with DAS/Xentry. The DAS/Xentry system has been returning error codes and balks at performing some tests.

I may also be starting to grasp at straws.

Was this
answer
helpful?
Yes
No
Tuesday, July 28th, 2020 AT 1:18 AM
Tiny
JACOBANDNICKOLAS
  • MECHANIC
  • 110,192 POSTS
It is possible for damage to it. Also, the voltages you mentioned and normal. I've seen them over 14 with no issues. Actually, with the engine running and things off, 14 is what I consider to be a target voltage.

Switch the two sam modules and let me know what happens.

I don't know if you need it, but here are the directions for removal and replacement of the front SAM module.

____________________________________

2005 Mercedes Benz C 230 (203.040) L4-1.8L SC (271.948)
AR54.21-P-1260P Remove/Install SAM With Fuse and Relay Box, Left Front
Vehicle Powertrain Management Relays and Modules - Powertrain Management Relays and Modules - Computers and Control Systems Body Control Module Service and Repair Removal and Replacement AR54.21-P-1260P Remove/Install SAM With Fuse and Relay Box, Left Front
AR54.21-P-1260P REMOVE/INSTALL SAM WITH FUSE AND RELAY BOX, LEFT FRONT
AR54.21-P-1260P Remove/Install SAM With Fuse and Relay Box, Left Front

Shown In Model 203.0

Pic 1

DANGER:
- Risk of injury in the form of trapping or crushing, or even severing of limbs, if caught in windshield wiper mechanism
- Always remove ignition key when working on windshield wiper mechanism.

1 Set wiper arms to vertical position

DANGER:
- Risk of explosion from explosive gas. Risk of poisoning and caustic burns from swallowing battery electrolyte. Risk of injury through burns to skin and eyes from battery acid or when handling damaged lead-acid batteries
- No fire, sparks, naked flames or smoking.
- Wear protective gloves, acid-resistant clothing and safety glasses. Pour battery electrolyte only into suitable and appropriately marked containers

2 Disconnect ground cable of battery

CAUTION: Do not connect quiescent current retention unit due to risk of short-circuit.

3 Unlock and remove cover (1) on module housing (4)

NOTE: Installation: Check gasket for damage

4.1Remove injection system control module
4.2Remove front SAM control module with fuse and relay module (N10/1) from guide.
5 Unscrew bolts (3)
6 Release and remove connectors

NOTE:
- At top on front SAM control module with fuse and relay module (N10/1)
- Removal: Disconnect cables from control module and fuse and relay box
- Installation: Connect cables on control module and fuse and relay box

7 Expose wiring harness.
8 Remove front SAM control module with fuse and relay module (N10/1) upwards.

NOTE: Pull out only until connectors are accessible from below.

9 Release and remove connectors

NOTE:
- At top on front SAM control module with fuse and relay module (N10/1)
- Removal: Disconnect cables from control module and fuse and relay box
- Installation: Connect cables on control module and fuse and relay box

10 Remove front SAM control module with fuse and relay module (N10/1).

NOTE: When replacing, the fuse and relay assignment must be inspected.

11 Install in the reverse order
12 Perform basic programming
13 Read diagnostic trouble code memory and erase
14 Check for proper function

_______________________________________

Let me know what you find.

Joe
Was this
answer
helpful?
Yes
No
+2
Tuesday, July 28th, 2020 AT 6:59 PM
Tiny
KEVIN HENNELLY2
  • MEMBER
  • 22 POSTS
Finally decided to take the car to the dealer. To make a long story short they decided that the LIN Bus wire between the alternator and the ECU is shorting to ground. They told me that their solution was to replace the engine wiring harness and estimated the cost at $2,400.00. I declined the repair.

You may recall that I tested the wire between the alternator and the ECU and the wire between the ECU and the front SAM and they seemed to have good continuity.

At this stage I can think of three options:

1. I am wondering whether it is possible to run a jumper wire from the ECU to the alternator connector to see whether that solves the problem.
2. If that isn't possible, I expect that I can find someone to replace the wiring harness for less than the $2,400.00 quoted by the dealer.
3. I could just drive the car and see if that works. I'll need to get accustomed to seeing the warning light every time I turn the car on.

I don't want to do anything that further damages the car, but I think I've reached a point where I need to perform a rigorous cost-benefit analysis before I invest any additional money.
Was this
answer
helpful?
Yes
No
Tuesday, August 18th, 2020 AT 6:00 PM
Tiny
JACOBANDNICKOLAS
  • MECHANIC
  • 110,192 POSTS
If you are replacing the entire wire, I don't see why that would be an issue. Is that your plan?

Joe
Was this
answer
helpful?
Yes
No
Tuesday, August 18th, 2020 AT 6:53 PM
Tiny
KEVIN HENNELLY2
  • MEMBER
  • 22 POSTS
Thanks for the reply. Â I may be able to scavenge what I need from the C230 I have previously used for parts. Â Fortunately I have a lot of experience soldering and if I can find a safe route for the wire I can handle the solder and shrink wrap. Â

I know this is a long shot, but I am wondering whether it is worth trying to pull a new wire through the existing harness by attaching the new wire to the damaged one.
Was this
answer
helpful?
Yes
No
Tuesday, August 18th, 2020 AT 8:53 PM
Tiny
JACOBANDNICKOLAS
  • MECHANIC
  • 110,192 POSTS
Kevin,

If you try to pull it through the wiring harness, you will go crazy. I would simply replace it and put it in a wire loom to protect it.
Was this
answer
helpful?
Yes
No
+1
Tuesday, August 18th, 2020 AT 8:59 PM

Please login or register to post a reply.