when I hit my brake the pedal went to the floor

2009 FORD MUSTANG
65,000 MILES • 4.6L • V8 • 2WD • AUTOMATIC
Avatar
09GTPONY
  • MEMBER
  • 2 POSTS
While going down a steep hill I took my foot off gas to slow down, the car continued to gain speed, when I hit my brake the pedal went to the floor and speed keep increasing. I had to pass a car to avoid hitting it. When I got back in my lane I tried brakes, first pump some resistance next pump pedal was firm and brakes worked so I need to replacement my brake master cylinder.
Mar 8, 2018 at 12:53 PM
Repair Safety Notice: This information is for general instructional purposes only. Vehicle repair can be dangerous. Verify all information, follow manufacturer service procedures, use proper tools and safety equipment, and consult a qualified repair shop when needed.
Advertisement
Avatar
JACOBANDNICKOLAS
  • CAR REPAIR CONTRIBUTOR
  • 110,190 POSTS
Hi,

Replacing a brake master cylinder takes a little time, but really isn't too hard to do. I recommend getting a lifetime replacement part so you never have to pay for a new one in the future.

First, here is a link that shows in general how it is done. You can use this as a guide.

https://youtu.be/WDxvEQrMkBg

and

https://youtu.be/w7gUsj2us0U

and

https://www.2carpros.com/articles/how-to-replace-a-brake-master-cylinder

Check out the diagrams (Below). Please let us know if you need anything else to get the problem fixed.

Here are the directions specific to your vehicle. The pics attached below correlate with the directions.

____________________________

2009 Ford Mustang V6-4.0L
Brake Master Cylinder
Vehicle Brakes and Traction Control Hydraulic System Brake Master Cylinder Service and Repair Removal and Replacement Brake Master Cylinder
BRAKE MASTER CYLINDER
Brake Master Cylinder


pic 1


NOTE: Manual transmission shown, automatic transmission similar.


pic 2




pic 3


Removal and Installation

WARNING: Do not use any fluid other than clean brake fluid meeting manufacturer's specification. Additionally, do not use brake fluid that has been previously drained. Following these instructions will help prevent system contamination, brake component damage and the risk of serious personal injury.

WARNING: Carefully read cautionary information on product label. For EMERGENCY MEDICAL INFORMATION seek medical advice. For additional information, consult the product Material Safety Data Sheet (MSDS) if available. Failure to follow these instructions may result in serious personal injury.

NOTICE: Do not spill brake fluid on painted or plastic surfaces or damage to the surface may occur. If brake fluid is spilled onto a painted or plastic surface, immediately wash the surface with water.

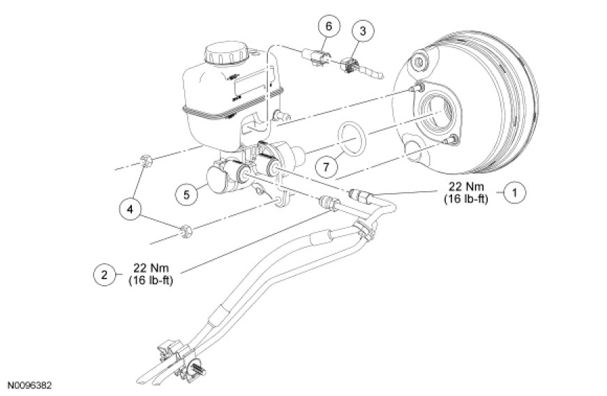
1. Position the A/C suction accumulator aside.

1. Remove the 2 bolts.

2. Position the accumulator aside.


pic 4


2. Disconnect the brake fluid sensor electrical connector.

3. If equipped with a manual transmission, remove the clutch hose clamp and disconnect the clutch hose from the brake fluid reservoir.

4. Disconnect the 2 brake tube fittings from the master cylinder.
- To install, tighten to 22 Nm (16 lb-ft).

- Cap the brake lines and plug the master cylinder ports.

5. Remove and discard the 2 nuts and remove the brake master cylinder.
- To install, tighten the new nuts to 23 Nm (17 lb-ft).

6. To install, reverse the removal procedure.
- Bleed the master cylinder.

- If equipped with a manual transmission, bleed the clutch master cylinder.

______________________________________

I hope this helps. Let me know if you have other questions.

Take care and God Bless,

Joe
Mar 5, 2021 at 11:28 PM
Advertisement