Overheats

Tiny
SULLYMAN56
  • MEMBER
  • 1983 HONDA ACCORD
  • 1.8L
  • 4 CYL
  • FWD
  • AUTOMATIC
  • 73,000 MILES
Temperature gauge reads high, fuel gauge reads high when nearly empty and tachometer doesn't work I recently tuned up my father in law's 1983 Honda Accord and suddenly the temperature gauge reads in the red and it's not hot. At the same time, the fuel gauge reads 3/4 full when the low fuel light is on and the tachometer doesn't work. I've checked the fuses and they look ok. The only thing I did was new spark plugs, wires and a new cap and rotor. This sure is puzzling.
Thursday, April 24th, 2014 AT 9:41 AM

3 Replies

Tiny
CJ MEDEVAC
  • MECHANIC
  • 11,005 POSTS
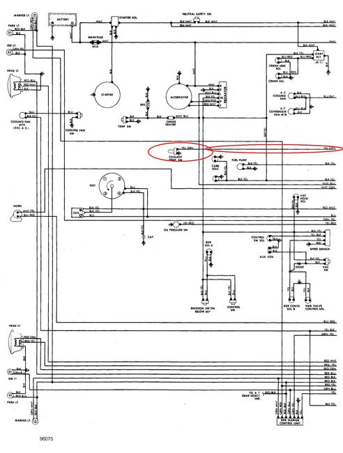
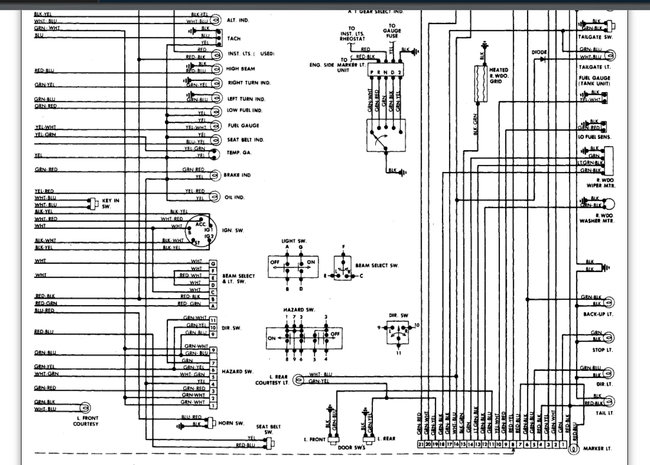
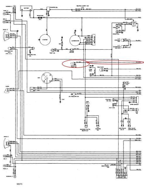
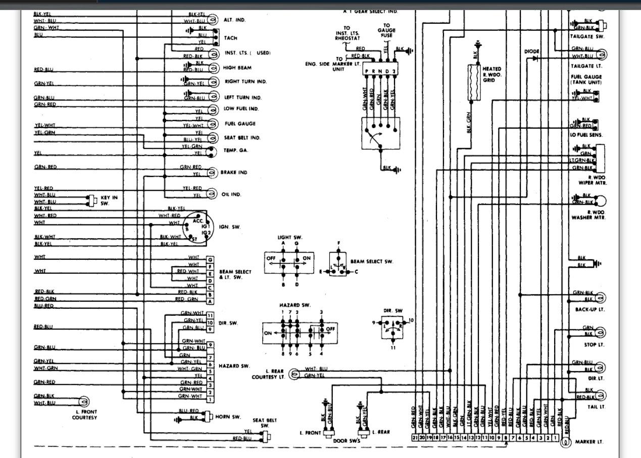
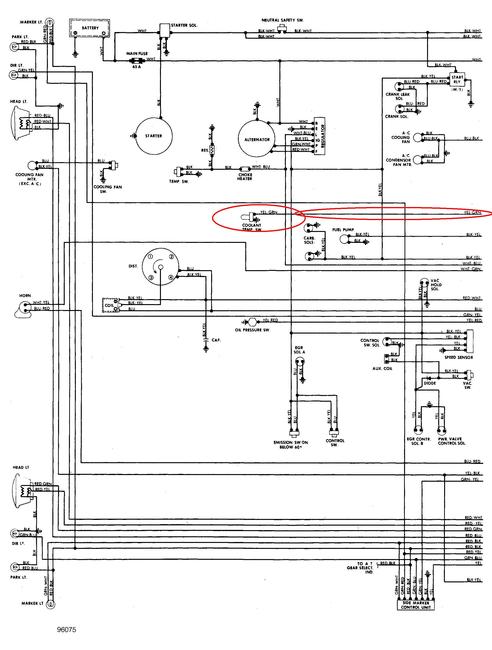
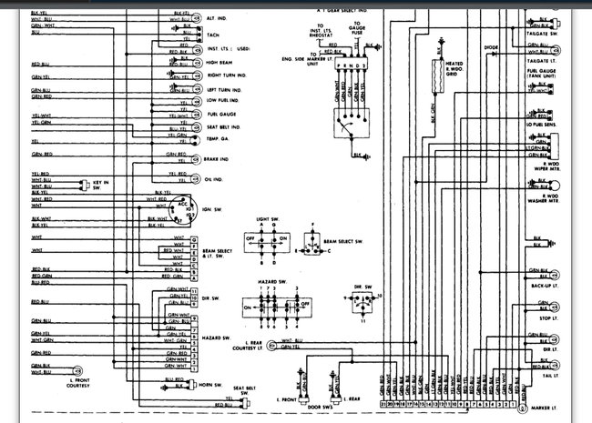
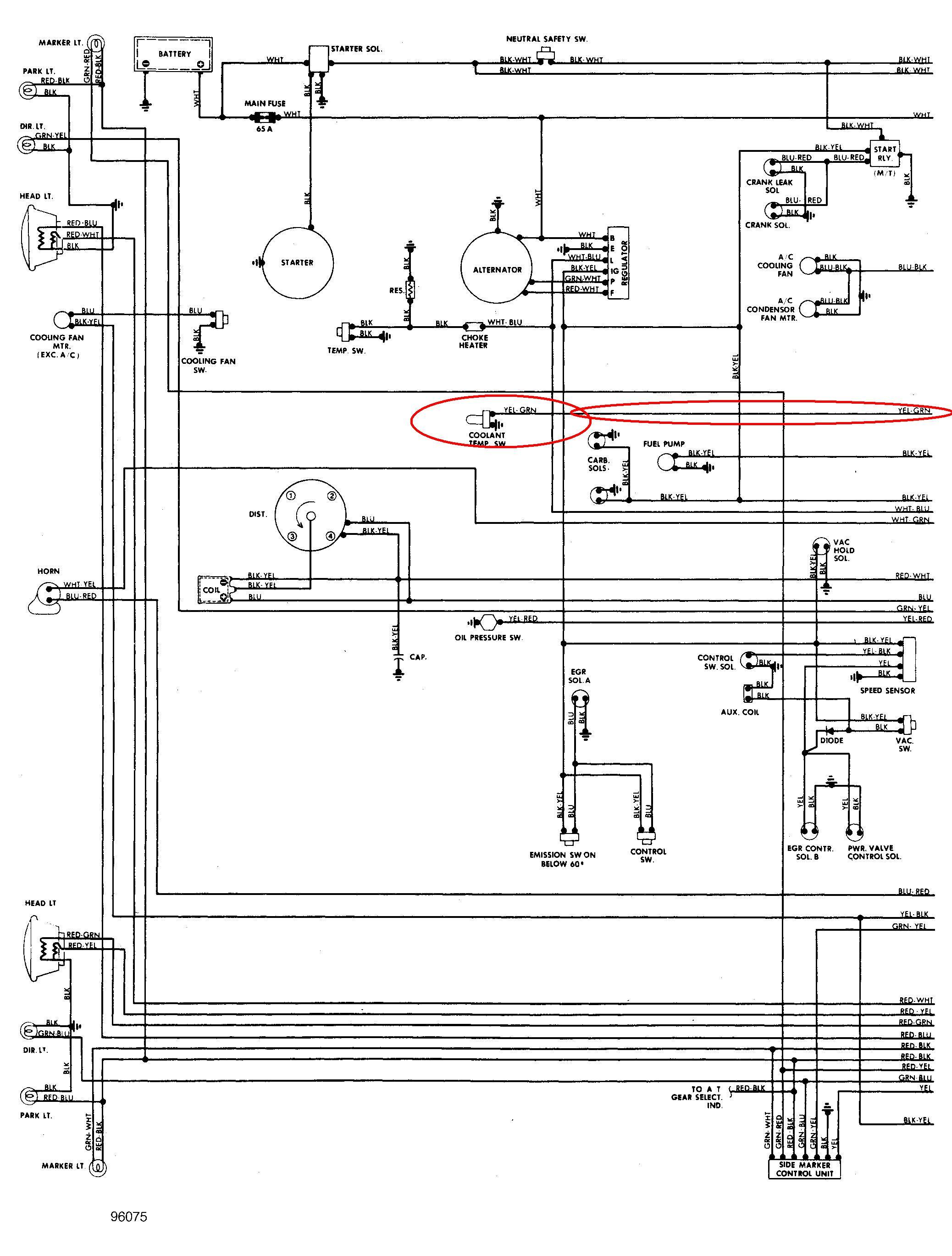
Got you 2 diagrams.

Follow the yellow/ green wire-it goes from the temp switch to the gauge

you may have squished it

it may have rubbed thru the insulation and now is touching "ground"

maybe you tied some other accessory into it

something under the dash may be grounding the gauge

all of the above would mean the wire is grounded-especially if the second you turn the key on it rises to the top

(just some useless info as a test, grounding "sender wires" such as to the fuel or temp gauge let's me/ us/ anybody know if the gauge or the sender is bad)--yours seems to be testing itself!

Other than that---maybe a defective sender or a bad gauge

to "verify" the wire may be grounded you can take it loose at the gauge and see if it drops

with the key on - if there are "connectors" on the way to the sender, disconnecting them---as you progress, may make the gauge drop and sorta let you know which way on the wire that the problem is

extreme case with no connectors (key on)---find an ez to fix place on the wire and cut that puppy!---Does the gauge drop or not?--Investigate the wire further on if it did drop

my last pic-"willy's" fuel tank sender - although my float is "up" and my gauge is on full - this is exactly what would happen if I "grounded" the sender wire anywhere along the wire from the sending unit all the way to the gauge - in fact - I could ground the "stud" that the sender wire connects to on the gauge itself and the gauge would peg out

lemme know if this helps

the medic
Was this
answer
helpful?
Yes
No
Thursday, April 24th, 2014 AT 8:08 PM
Tiny
CJPATTERS
  • MEMBER
  • 1 POST
I have identical issue, identical car, but 140,000 miles. All mentioned gauges working correctly yesterday, but today no rpm, temp pegs high when not hot, fuel gauge pegs high when actually under 1/4 tank. Seems electrical to me. Anyone have a experience or a fix?
Was this
answer
helpful?
Yes
No
Tuesday, December 5th, 2017 AT 5:03 PM
Tiny
KEN L
  • MASTER CERTIFIED MECHANIC
  • 55,112 POSTS
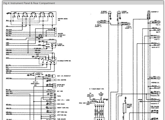
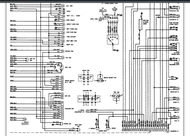
This sounds like a bad connection at the cluster. I would remove it and check for corrosion. Also check the ground circuit in the connector here is a guide to help.

https://www.2carpros.com/articles/how-to-use-a-test-light-circuit-tester

Check out the diagrams (Below)

Please let us know what you find. We are interested to see what it is.

Cheers, Ken
Was this
answer
helpful?
Yes
No
Thursday, December 7th, 2017 AT 7:31 PM

Please login or register to post a reply.