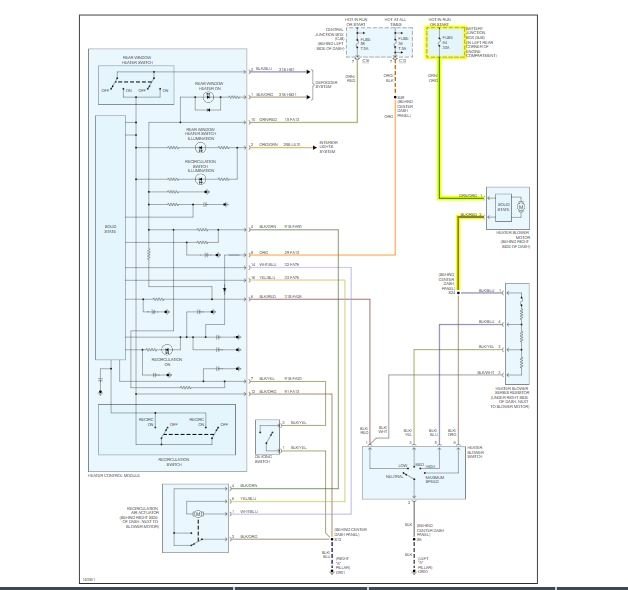
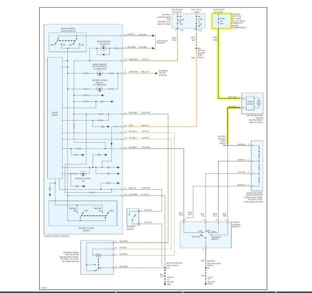
I probed the wires to the temperature sensor and started the car. There was a constant 4.6 volts that did not change significantly as the car warmed up to operating temperature. Unless I unplugged the temperature sensor, then it would rise to about 5 volts.
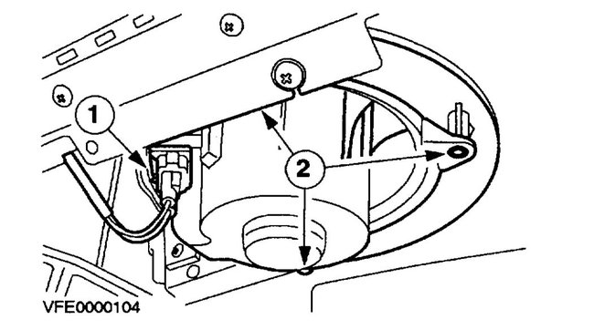
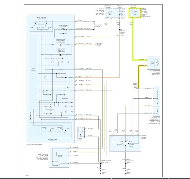
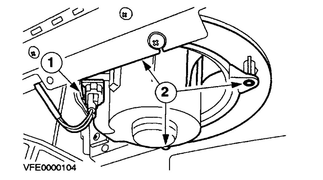
I think it is a separate issue, but it also has a heater fan that will not run at all. I am not sure if this is related to the other problems, but I figured it was worth mentioning.
Sunday, June 9th, 2019 AT 12:18 PM




