Temperature sensor location

Tiny
KMCCLOSKEY
  • MEMBER
  • 2006 FORD F-150
  • 5.4L
  • V8
  • AUTOMATIC
  • 147,368 MILES
The temperature gauge does not read on my truck. I was told that it was a sensor that had to be replaced. What sensor and where is it located? Is a job I can do myself or should a mechanic do it?
Wednesday, June 3rd, 2020 AT 7:32 AM

4 Replies

Tiny
ASEMASTER6371
  • MECHANIC
  • 52,796 POSTS
Good afternoon,

It is located under the intake manifold. It is a big job as you have to remove the intake manifold to access it.

Why are you replacing it?

Roy

Removal

WARNING: Do not smoke or carry lighted tobacco or open flame of any type when working on or near any fuel-related component. Highly flammable mixtures are always present and may be ignited. Failure to follow these instructions may result in personal injury.

WARNING: Fuel in the fuel system remains under high pressure even when the engine is not running. Before servicing or disconnecting any of the fuel lines or fuel system components, the fuel system pressure must be relieved to prevent accidental spraying of fuel, causing personal injury or a fire hazard.

1. Disconnect the fuel supply tube spring lock coupling.
2. Drain the cooling system.
3. Remove the generator.
4. Remove the air cleaner.
5. Disconnect the upper radiator hose from the thermostat housing.
6. Disconnect the heater coolant hose from the coolant bypass tube.
7. Disconnect the quick connect coupling and remove the evaporative emissions (EVAP) tube from the intake manifold.
8. Disconnect the fuel rail pressure and temperature sensor electrical connector and vacuum connector.
9. Disconnect the 8 fuel injector electrical connectors.

ImageOpen In New TabZoom/Print

10. Disconnect the 4 LH ignition coil electrical connectors.
11. Disconnect the throttle position (TP) sensor and electronic throttle control electrical connectors.

ImageOpen In New TabZoom/Print

12. Disconnect the heated PCV element electrical connector.

ImageOpen In New TabZoom/Print

13. Disconnect the engine oil pressure (EOP) sensor electrical connector.

ImageOpen In New TabZoom/Print

14. Disconnect the LH camshaft position (CMP) sensor electrical connector.
15. Disconnect the LH variable camshaft timing (VCT) solenoid electrical connector.
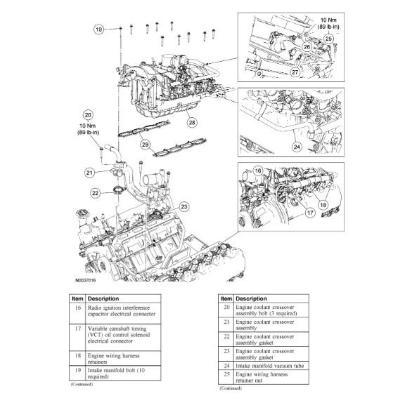
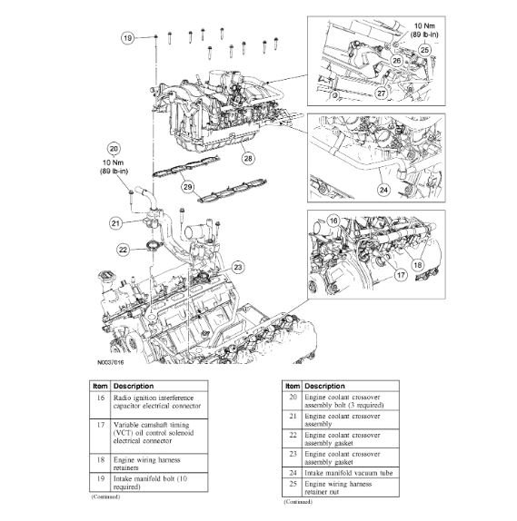
16. Disconnect the LH radio ignition interference capacitor electrical connector.
17. Disconnect the wiring harness retainers from the LH valve cover studs and position the harness aside.
18. Disconnect the brake booster vacuum hose from the intake manifold vacuum tube.
19. Remove the 10 intake manifold bolts.

20. CAUTION: Do not use metal scrapers, wire brushes, power abrasive discs or other abrasive means to clean the sealing surfaces. These tools cause scratches and gouges which make leak paths. Use a plastic scraping tool to remove all traces of old sealant.

Remove the 3 bolts, the coolant bypass tube and discard the gaskets.
Clean and inspect the sealing surfaces with silicone gasket remover and metal surface prep. Follow the directions on the packaging.
21. Disconnect the charge motion control valve (CMCV) electrical connector.
22. Disconnect the intake manifold vacuum tube from the valve cover stud and the support bracket.

ImageOpen In New TabZoom/Print

23. Position the intake manifold assembly forward and disconnect the cylinder head temperature (CHT) sensor jumper harness electrical connector.

ImageOpen In New TabZoom/Print

24. Disconnect the LH and RH knock sensor (KS) electrical connectors.
25. Remove the nut and disconnect the engine wiring harness retainer from the CMCV stud.

ImageOpen In New TabZoom/Print

26. Disconnect the RH heated exhaust gas oxygen sensor (HO2S) electrical connector and detach the electrical connector retainer.

27. CAUTION: Do not use metal scrapers, wire brushes, power abrasive discs or other abrasive means to clean the sealing surfaces. These tools cause scratches and gouges which make leak paths. Use a plastic scraping tool to remove all traces of old sealant.

Remove the intake manifold and discard the gaskets.
Clean and inspect the sealing surfaces with silicone gasket remover and metal surface prep. Follow the directions on the packaging.
Was this
answer
helpful?
Yes
No
+1
Wednesday, June 3rd, 2020 AT 9:23 AM
Tiny
KMCCLOSKEY
  • MEMBER
  • 5 POSTS
The gauge doesn't read the temperature of the truck a mechanic told me I need to replace the sensor for it and I was told it's the cooling temperature sensor that needs to be replaced and it should work but I'm not sure if it correct.
Was this
answer
helpful?
Yes
No
Wednesday, June 3rd, 2020 AT 1:21 PM
Tiny
KMCCLOSKEY
  • MEMBER
  • 5 POSTS
The gauge doesn't read the temperature of the truck. A mechanic told me I need to replace the sensor for it and I was told it's the cooling temperature sensor that needs to be replaced and it should work but I'm not sure if it correct.
Was this
answer
helpful?
Yes
No
Wednesday, June 3rd, 2020 AT 1:21 PM
Tiny
ASEMASTER6371
  • MECHANIC
  • 52,796 POSTS
It does control the temperature gauge on the dash.

Do you have a scan tool to see if the ECM shows engine temperature in live data? It could be the sensor, the ECM or the dash gauge itself.

Roy

Temperature Gauge

The PCM receives the engine coolant temperature status through hardwired circuitry to the cylinder head temperature (CHT) sensor. The instrument cluster receives the engine coolant temperature data from the PCM over the communication network. The instrument cluster monitors the engine coolant temperature data received from the PCM and provides the temperature gauge indication with a corresponding movement of the pointer. If the instrument cluster receives no signal the temperature gauge defaults to the COLD position.
Was this
answer
helpful?
Yes
No
+1
Wednesday, June 3rd, 2020 AT 1:42 PM

Please login or register to post a reply.