Temperature gauge not working in gauge cluster

Tiny
JEFF HILL
  • MEMBER
  • 1997 FORD F-250
  • 5.4L
  • V8
  • 4WD
  • AUTOMATIC
  • 180,000 MILES
Need wiring and test procedure on PCM and gauge cluster with pin location. Thanks
Friday, May 31st, 2019 AT 9:42 PM

10 Replies

Tiny
KASEKENNY
  • MECHANIC
  • 18,907 POSTS
Hi Jeff,

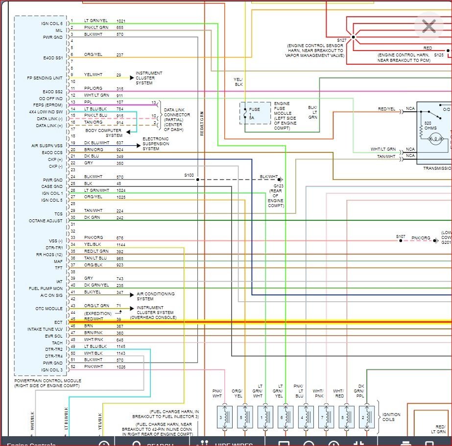
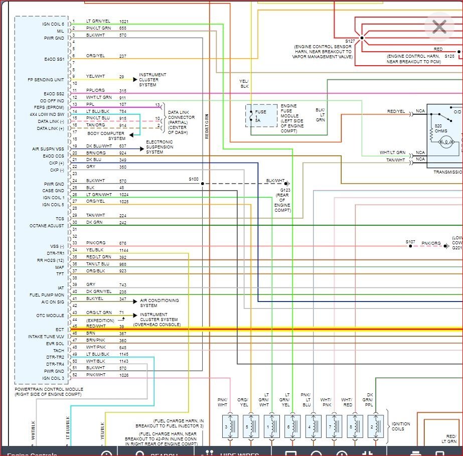
If you check out the wiring diagram of this circuit you will see the temp sensor is a direct feed to the gauge in the cluster. It also splices off and sends the into to the PCM. Due to the issue being the gauge is not working, you can assume the issue is most likely the sensor, wiring, or gauge itself.

What I would do first, is test resistance on your temp sensor. Just hook the red lead for you meter to the Red/White wire for the sensor and the Black lead to the other wire in your sensor. If the engine is cold, I would expect to see about 2 ohms of resistance. The hotter it is, the lower the resistance.

Since your gauge is not working, if the sensor is the issue, I suspect you will find high resistance or an open. If this is the case, go no further until you replace that sensor.

If the sensor is good, then you want to ohm out your wires from the sensor connector to the cluster. Each wire when measuring resistance end to end should have no more than about a half of an ohm. If you have more than that, then your wire is shorted or open. Then do the same for the ground. Again, no more the 0.5 ohms.

If all this checks out, check both wires for short to power, ground, and each other.

Based on the issue and this circuit, I imagine you will find your issue with this. If you have a specific DTC, please let me know what that is and I can send you the step by step diagnostic for it. However, if it is just the gauge not working, this should get you to the issue. Also, if the sensor or wiring is the issue, I would suspect you have a code in the PCM for an ECT sensor circuit.

Let me know if you need more info and I will be happy to help out. Thanks
Was this
answer
helpful?
Yes
No
+2
Saturday, June 1st, 2019 AT 2:34 PM
Tiny
JEFF HILL
  • MEMBER
  • 21 POSTS
I tested the ECT sensor the way you just described and the resistance from the sensor was 5.7 omhs unplugged from sensor pin to pin. You said if it was higher than 2 omhs stop it's the sensor the higher resistance would show cold on gauge or not at all.
Was this
answer
helpful?
Yes
No
Saturday, June 1st, 2019 AT 10:46 PM
Tiny
JEFF HILL
  • MEMBER
  • 21 POSTS
So if I took a small torch and heated up the ECT sensor until the resistance went down and gauge would show hot?
Was this
answer
helpful?
Yes
No
Saturday, June 1st, 2019 AT 10:49 PM
Tiny
KASEKENNY
  • MECHANIC
  • 18,907 POSTS
Yes, but I would use hot water though. just unscrew it then plug the connector in and submerge just the tip in hot water. Keep in mind coolant will get up around 220 and your gauge does not move so try to get the water hotter if possible. If the sensor is the issue then I think what is happening is the resistance is high that the gauge is displaying what the sensor is telling it.

Here is a video that shows what I’m talking about:

https://youtu.be/wFHWpgHMAvY

If your sensor resistance is down around one or lower then the gauge should be moving. If not the you have a wiring issue.

In the meantime I will look up exact spec on your sensor resistance. I highly doubt it is that high as any Ford sensor I have done is always around 2 or lower.
Was this
answer
helpful?
Yes
No
+1
Sunday, June 2nd, 2019 AT 6:22 AM
Tiny
JEFF HILL
  • MEMBER
  • 21 POSTS
Thank you for the help and taking the time to help. I will let you know how things go. Thank you, Jeff
Was this
answer
helpful?
Yes
No
Sunday, June 2nd, 2019 AT 6:29 AM
Tiny
JEFF HILL
  • MEMBER
  • 21 POSTS
Can you send me the voltage reference from PCM to ECT at plug with key on power and the resistance at sensor please?
Was this
answer
helpful?
Yes
No
Sunday, June 2nd, 2019 AT 12:00 PM
Tiny
KASEKENNY
  • MECHANIC
  • 18,907 POSTS
So I think this will be what you need. This is from Ford but it doesn't give me specific engines it applies to but usually these parameters are standard across all lines and OEMs.

So depending on when you took that resistance reading (assuming cold engine) it is reading the temp was about 150 degrees so it appears it is not accurate.

It also gives you the voltage readings. This is what the PCM is going to be looking at. As voltage drops, the temp rises, same with resistance.
Was this
answer
helpful?
Yes
No
+1
Sunday, June 2nd, 2019 AT 1:16 PM
Tiny
JEFF HILL
  • MEMBER
  • 21 POSTS
The voltage at ECT plug from PCM is 11.34 volts on red and white wire not even in ball park it should be 5 volts so the thing that sends that is the PCM.
Was this
answer
helpful?
Yes
No
Sunday, June 2nd, 2019 AT 1:25 PM
Tiny
KASEKENNY
  • MECHANIC
  • 18,907 POSTS
Yeah. That will do it. Thanks for updating with what you found. Very good diagnosis. Thanks
Was this
answer
helpful?
Yes
No
+1
Sunday, June 2nd, 2019 AT 4:48 PM
Tiny
JEFF HILL
  • MEMBER
  • 21 POSTS
Good can everyone pitch together and get me PCM.
Was this
answer
helpful?
Yes
No
Sunday, June 2nd, 2019 AT 5:00 PM

Please login or register to post a reply.