TDM module location

2002 CHEVROLET SILVERADO
240,000 MILES • 5.3L • 4WD • AUTOMATIC
Avatar
DDLY88
  • MEMBER
  • 4 POSTS
I would like to know exactly where the TDM is located on my truck. it seems I can't find anything on Google and the more parts I'm taking off my truck to find the module I find I'm breaking panels clips etc. so if someone can please help me with exact location I would appreciate it. thanks!
Nov 29, 2020 at 9:11 PM
Repair Safety Notice: This information is for general instructional purposes only. Vehicle repair can be dangerous. Verify all information, follow manufacturer service procedures, use proper tools and safety equipment, and consult a qualified repair shop when needed.
Advertisement
Avatar
JACOBANDNICKOLAS
  • CAR REPAIR CONTRIBUTOR
  • 110,190 POSTS
Hi,

I looked through the manual, and I don't believe a TDM was used in 2002. Actually, I didn't see one until 2008.

In 2002, the PCM/BCM controlled the anti theft system.

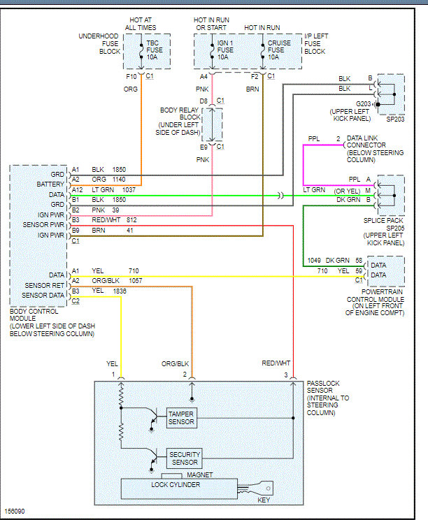
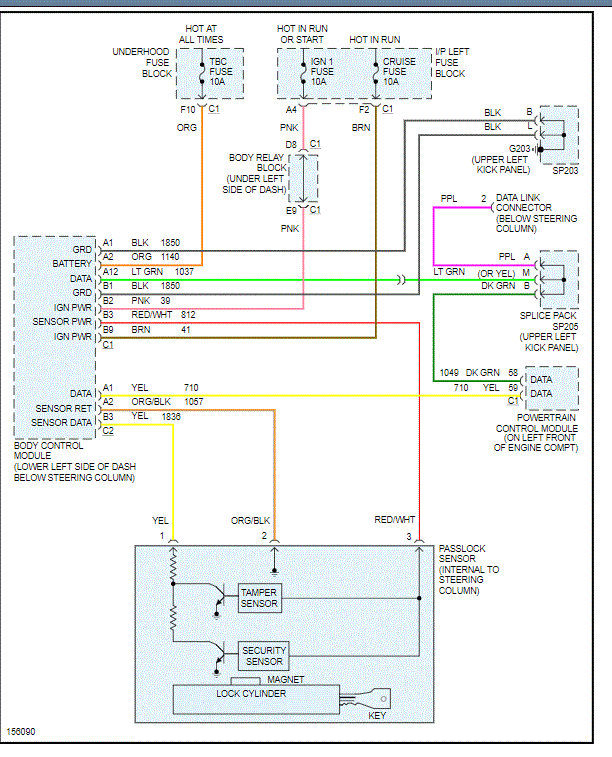
Take a look at the attached pic below. It is the schematic for the anti-theft for this vehicle. Let me know if it helps you.

Also, let me know what is happening or if you have other questions.

Take care,
Joe
Nov 29, 2020 at 9:36 PM
Advertisement
Avatar
DDLY88
  • MEMBER
  • 4 POSTS
Thank you for your reply, so what my problem is:
I had someone try and steal my truck they smashed the ignition as well as the 3 wires were removed from the chip located on the ignition housing (yellow, black/orange, red/white) wires. I still have the original key. So what I did was did a reset on my truck where you stick the key in a do a 10 minute procedure each to for a total of 30 minutes, after that my truck still wouldn't start and security light was still on, so I went onto YouTube and found several videos on "bypassing" which you take the yellow and black/orange wire (the 3 wires I mentioned above that go to the chip on the ignition housing) take them and splice them together leaving the red/white wire, i did so and only result I got was my security light is now off. also I forgot to mention that during all this I had taken my original key and magneto out of my smashed ignition and taped them up by the chip on my ignition housing where the 3 wires were once attached, so after what I've done still no start it cranks starts but won't stay running, I can't afford to go and buy a whole new ignition and key, so I took out my smashed ignition lock cylinder pulled out the assembly part that's goes into the bottom of the ignition housing (has a bunch of wires and a dial that starts the vehicle, sorry I don't know what it's called) but with that piece out I was able to turn the dial to on acc and start by hand but still won't stay running. so what are my options other than buying the parts I need? I mean there has to be something I can do whether it be taking out the whole pass-lock or splicing more wires together bypassing it or maybe installing switches directly to whatever wire to make my truck run. I'm not knowing but say for example there was no passkey security in my truck the truck would start right? So can't I eliminate it completely or is there a way to run switches directly to my starter and fuel or ignition to make it start without any of the passkey difficulties. please help and tell me there's something I can do as is without having to buy the parts I need. because I can't afford it let alone even get to work as I don't have my truck going and the job I have requires my truck. so please if there is a possible way I beg you tell me how I can start my truck and keep it running. I appreciate your tell and taking the time to read my post. :)
Nov 30, 2020 at 5:28 PM
Avatar
KASEKENNY
  • CAR REPAIR CONTRIBUTOR
  • 18,907 POSTS
Just to jump in, you are correct that the best way to solve this is to bypass the security system. However, you cannot do this without purchasing a module that does not have the security system programmed into it. I do not recommend these because they don't always work however, there are a number of companies that off this. They are called security delete modules. Basically they just run the vehicle but don't look for a security system when starting the vehicle. However, you would have to purchase this and they are sometimes more expensive then a new ignition system.

The other solution is to fix what was damaged and program new keys. Unfortunately those tricks on the internet of bypassing, I have never seen work. If you think about it, if they did work then you have a written process on how to steal any of these vehicles. So they just don't see to work.
Dec 2, 2020 at 12:05 PM